【導讀】帶同步整流功能的隔離式DC-DC轉換器的傳統設計方法是使用光耦合器或脈沖變壓器進行隔離,并將其與一個柵極驅動器IC結合在一起。本文將說明光耦合器和脈沖變壓器的局限性,并提出一種集成度更高的方法,其性能更高,解決方案尺寸和成本則低得多。
脈沖變壓器
使用脈沖變壓器可以耦合低電平信號、提供隔離并驅動功率開關,這種方法雖然具有一定優勢,但也存在一些局限性。在柵極驅動應用中,脈沖變壓器的一個優勢是可以將3 V或5 V邏輯電平提升到15 V或更高的電壓,以便驅動MOSFET的柵極。遺憾的是,為了驅動高電流同步整流器電路,可能需要一個單獨的高電流柵極驅動器IC。還有一點需要考慮:脈沖變壓器不能很好地處理占空比超過50%的信號,這是它在柵極驅動器應用中的一個主要缺點。原因在于變壓器只能提供交流信號,因為鐵芯磁通量必須每半個周期復位一次以維持伏秒平衡。
脈沖變壓器的另一個缺點是效率損失。使用脈沖變壓器驅動MOSFET的柵極時,變壓器必須先用正電平驅動,然后用負電平驅動,以便維持伏秒平衡。用于驅動到負電平的能量不用于驅動MOSFET的柵極,僅正電平對柵極充電。在變壓器由正直流電壓驅動的典型應用中,一個隔直電容連接到變壓器輸入端,并且變壓器由一個值為所施加電壓½的正電壓驅動。這意味著,負電壓也是所施加電壓的½,因此脈沖變壓器的效率降低至50%。若將一個柵極驅動器添加到變壓器輸出端,則變壓器和柵極驅動器的整體效率不再是50%,但脈沖變壓器本身仍然存在至少50%的效率損失。
綜上所述,脈沖變壓器在柵極驅動器應用中具有如下缺點:占空比限制、效率低下、解決方案尺寸較大,因而不適合高功率、高密度同步整流應用。

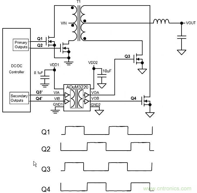
圖1. 脈沖變壓器、光耦合器和ADuM3220柵極驅動器解決方案
光耦合器
與脈沖變壓器相比,使用光耦合器作為柵極驅動器來執行同步整流具有一些優勢,但光耦合器本身也存在一些挑戰。光耦合器不需要像脈沖變壓器那樣維持伏秒平衡,因而不存在脈沖變壓器所具有的占空比限制。但是,光耦合器的響應速度受到原邊發光二極管(LED)電容(典型值為60 pF)的限制,而且將二極管驅動至高達1 MHz的速度也會受到其傳播延遲(最大值為100 ns)以及較慢的上升和下降時間(最大值為30 ns)的限制。
光耦合器用于同步整流器應用的一個主要問題是通道間的時序偏差。光耦合器是作為分立器件采用塑料封裝構建的,通道間的差異無法像在集成半導體工藝中那樣進行控制,因而通道間匹配可能很大(最大值為40 ns)。在同步整流電路中,通道間的時序需要精確控制,以便減少一個通道關閉與另一個通道開啟之間的死區時間,否則開關損耗會提高,效率會受到影響。
由于電流傳輸比(CTR)的特性,使用光耦合器進行設計可能很困難;CTR定義輸出晶體管的電流量與驅動LED所需的電流量之比。影響CTR的因素包括溫度和老化,因此設計工程師需要估計CTR在光耦合器壽命和溫度范圍內的變化。為使CTR不隨工作條件而變化,驅動LED所需的電流可能超過10 mA,這對于高效率設計而言功耗太大。
此外,對于高功率同步整流器電源,需要電阻來偏置LED和光電晶體管,需要柵極驅動器IC來提供光耦合器無法提供的高峰值電流。對于先進的緊湊型電源,光耦合器解決方案的尺寸顯得過大。
ADUM3220 4 A柵極驅動器
ADuM3220旨在用作隔離系統中的4A柵極驅動器,以實現同步DC-DC轉換。傳統解決方案使用2個隔離器和1個雙通道柵極驅動器。如圖1所示,一個雙通道柵極驅動器IC可以與兩個脈沖變壓器或兩個光耦合器通道相配合,由此構成的解決方案尺寸相當大。如果電源應用要求在較小的面積上提供大量功率,則圖1所示的ADuM3220就是一種不錯的解決方案,不僅面積縮小50%以上,而且集成度更高,成本更低。
同步整流采用N溝道MOSFET,而不是二極管,目的是降低傳導損耗,并提高需提供數安培電流的電源效率。實施同步DC-DC轉換器架構要求副MOSFET開關與主MOSFET開關保持開關同步。圖2顯示ADuM3220用于一個提供未調節輸出電壓的隔離式同步DC-DC轉換器的應用電路。
DC-DC控制器向主開關和副開關發送PWM驅動信號。主開關Q1和Q2在推挽動作中以先開后合時序接通,驅動變壓器T1的2個原線圈,如圖2的時序波形所示。T1的副線圈需要與主線圈同步開關,即Q1接通時Q3接通,Q2接通時Q4接通。請注意,如果顯示Q3和Q4 PWM波形的話,其時序應提前一個等于ADuM3220已知傳播延遲的時間量,使得Q3和Q4在應該出現的時間出現。ADuM3220的典型傳播延遲僅為45 ns,其中包括數字隔離器延遲和柵極驅動器延遲。柵極驅動器與隔離器集成后,傳播延遲規格更精確,這是相對于分立脈沖變壓器和光耦合器解決方案的一個優勢。
在高頻下執行PWM開關時,PWM控制信號需要非常嚴格的控制。例如,當PWM頻率為ADuM3220的最大開關頻率1 MHz且占空比為50%時,脈沖寬度為500 ns。如此小的脈沖寬度要求ADuM3220的通道間匹配非常出色,否則難以實現精確開關。ADuM3220的典型通道間匹配為1 ns,整個溫度范圍內的最大值為5 ns。通道間的精密匹配特性有助于防止交叉導通,以免損壞MOSFET,并使死區時間最短,從而降低開關損耗,提高效率。
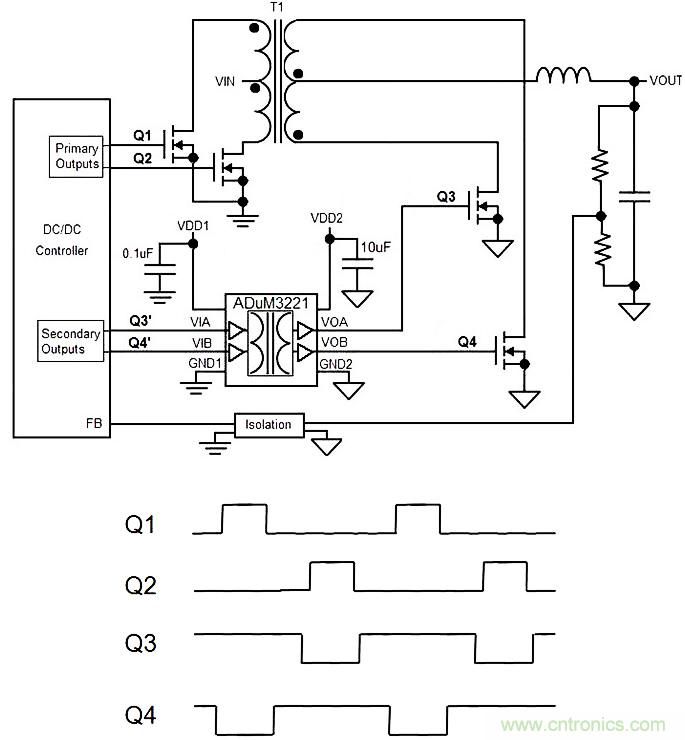
接下來我們考慮利用隔離反饋嚴格控制輸出電壓的應用,占空比不再是固定值50%,而是不斷變化以控制輸出電壓。這種應用中,在主開關均斷開期間,可能希望允許Q3和Q4開關同時接通,以防止Q3和Q4的主體二極管導通,導致效率下降。圖3所示應用電路使用4 A柵極驅動器ADuM3221,它與ADuM3220非常相似,但不具有非重疊控制邏輯,因而允許Q3和Q4同時接通。與ADuM3220不同,圖3所示提供調節輸出的ADuM3221柵極驅動器的時序圖允許開關Q3和Q4在Q1和Q2均斷開時接通。
總而言之,對于隔離式同步DC-DC應用,已經證明:與脈沖變壓器和光耦合器解決方案相比,ADuM3220/ADuM3221能使解決方案尺寸縮小50%以上,通過集成降低設計復雜度,并且時序性能大為改善。

圖2. ADuM3220應用原理圖和時序波形

圖3. 提供穩壓輸出的ADuM3221應用原理圖和時序波形
本文提到的產品。

推薦閱讀:





