【導讀】微型機電系統(MEMS)開關一直被標榜為性能有限的機電繼電器的出色替代器件,因為它易于使用,尺寸很小,能夠以極小的損耗可靠地傳送0 Hz/dc至數百GHz信號,有望徹底改變電子系統的實現方式。
與傳統機電繼電器相比,ADI 的MEMS開關技術使RF 和DC開關性能、可靠性及小型化實現了跨越式發展。
以 ADI 的寬帶、單刀四擲 (SP4T) 開關 ADGM1304 為例,該產品采用 ADI 公司的 MEMS 開關技術制造而成,此技術支持實現高要求 RF 應用所需的高功率、低損耗、低失真GHz開關。

下圖是該開關的橫截面示意圖。它是一種三端子配置的靜電 驅動懸臂梁式開關。其在功能上類似于場效應晶體管 (FET),端子可用作源極、柵極和漏極。

MEMS開關設計的橫截面,圖中所示為懸臂開關梁 (不成比例)
● 與固態繼電器等其他開關替代產品不同,ADGM1304具備出色的精度,并提供從0 Hz (DC)到14 GHz的RF性能;
● 與機電繼電器相比,高度可靠的ADGM1304可將冷開關生命周期提高10倍,同時延長ATE系統工作壽命,減少由于繼電器故障導致的代價高昂的停機;
● 與DPDT繼電器設計相比,集成式電荷泵無需外部驅動器,這進一步減小了ATE系統尺寸,而多路復用器配置也可簡化扇出式結構。
無論與誰相比,MEMS 開關 ADGM1304 都“更勝一籌”。那么,這款“無人能敵”的 MEMS 開關應用在哪些電路上比較好呢?ADI 官方給出的建議是——
可切換RF衰減器
RF 衰減器網絡常用于RF儀器儀表設備,例如矢量網絡分析儀、頻譜分析儀和信號發生器。通過衰減器路由RF信號可以讓設備接受更高功率信號,從而提高儀器的動態范圍。在矢量網絡分析儀、頻譜分析儀、信號發生器之類的RF衰減應用中,在信號通過網絡后維持其帶寬至關重要。信號的降級會降低設備性能。因此,用于路由的開關的RF特性是衰減器網絡的重要組成部分。
ADGM1304 MEMS開關具有很低且平坦的插入損耗、超寬 RF帶寬和高可靠性,適合用作可切換的RF衰減器。ADGM1304作為SP4T開關,還能帶來額外的靈活性。圖1顯示了一個衰減器網絡配置示例,其使用兩個ADGM1304 開關和三個不同的衰減器。開關的第四通道用于圖1中的非衰減路由。

圖1.采用ADGM1304 MEMS開關的切換式RF衰減器
可重復配置RF濾波器
可重復配置的RF濾波器對很多RF前端應用非常有利。它能節省更多空間。隨著應用的空間越來越受限,經濟好用的可重復配置RF濾波器無疑要比多個頻率相關的濾波器更有吸引力。
為了開啟集總元件(電容、電感),需要ADGM1304 MEMS 開關,其具有很低且平坦的插入損耗、超寬RF帶寬、低寄 生效應、低電容和高線性度,因此非常適合可重復配置濾波器應用。
在無線通信或移動無線電等應用中,頻段和/或模式的數量不斷增加。利用可重復配置RF濾波器,相同元件可以支持更多頻段/模式。
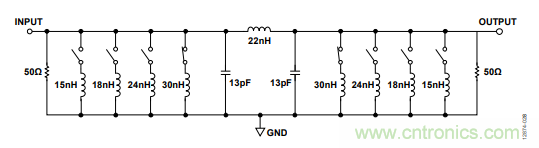
圖2所示為一個可重復配置帶通濾波器示例。所示拓撲是一個一般化的兩部分、感性耦合、單端帶通濾波器,標稱中心頻率為400 MHz(UHF頻段)。注意,MEMS開關與各分流電感串聯。

圖2.利用兩個ADGM1304 MEMS開關實現的可重復配置帶通濾波器
開關的作用是將分流電感包括或排除于電路中。更改分流電感值會影響濾波器的帶寬和中心頻率。使用15 nH到30 nH 的電感值會顯著改變帶寬和中心頻率,使濾波器可動態配置以工作在超高頻(UHF) 或甚高頻 (VHF) 波段,同時保留 輸入和輸出端口的50 Ω匹配。
MEMS 開關的低 RON 值和大帶寬使其成為此類應用的理想之選——
● 低RON可降低串聯電阻對分流電感質量因數的不利影響
● 大帶寬支持實現更高頻率的帶通濾波器
推薦閱讀:




