【導讀】如今,所有的工業制造商,無論規模大小,都在升級生產設施、制造能力和工程服務,向工業4.0概念或智能工業轉型。
目前有許多技術可以促進這種轉型,使工作環境變得更安全,網絡安全性和覆蓋率更高,提高能源利用率,這些是新工廠概念的熱點趨勢,將其變為現實需要巨大的投入,其中包括舊設備智能升級改造工程(例如,使用新的變頻解決方案改造舊電機,最大限度地提高能效)。
在工業現代化改造方面,IO-Link技術在所有的基于傳感器的工廠級應用中占有顯著的地位,該技術的優勢是能夠讓普通工業傳感器(即生產線中的接近傳感器或壓力傳感器)實現智能化,熱插拔連接,更換簡便,支持多跳網絡和預測性維護系統。
IO-Link聯盟的成員包括歐洲最大的傳感器和執行器制造商以及可編程邏輯控制器(PLC)廠商,隨著來自世界各地的新公司加盟,聯盟的排名每月都在上升,并且該組織的所有新成員都看到了加盟這項計劃的好處。
作為聯盟的創辦者??之一,意法半導體提供IO-Link主站收發器L6360和設備收發器L6362A(在IO-Link術語中稱為IO設備)。

圖1 –典型的工業網絡
IO-Link是什么?
IO-Link是首個連接工業網絡底層傳感器及執行器的標準化通信協議,遵從IEC 61131-9國際標準,可編程控制器和相關外圍設備是該標準的基本內容。該技術本身的概念是,傳感器或執行器與主控制器(即PLC)交換通信數據(診斷和配置信息),同時確保向下兼容工業IO模塊。
IO-Link位于工業網絡體系架構的底層:PLC控制器(或工業網關)與位于網絡架構高層的工業現場總線相連,可以遠程傳輸工業網絡高層的數據信息。
IO-Link通信協議是什么?
IO-Link是能夠驅動工廠自動化環境中的數字傳感器及執行器(標準IO設備)的點對點(半雙工)數字通信協議。協議具有簡單易用和即插即用的特點,以防故障傳感器更換或向下兼容問題。因此,這是一個簡單的串行通信協議,只需3根線,無需專用連接器及電纜:IO-Link使用傳統的M5、M8或M12規格的標準工業連接器,可以連接最常見的任何工業傳感器。從安裝工作量和成本角度看,IO-Link技術對工業網絡升級的影響很小。實際上,甚至可以繼續使用以前的布線基礎設施安裝IO-Link設備。
關于協議棧:按照最新的標準定義,IO-Link主站和設備收發器必須支持三種通信速度(COM1: 4.8 kbit/s、COM2: 38.4 kbit/s、COM3: 230.4 kbit/s),并且主站收發器具有模擬和數字(8位、12位或16位)兩種通信模式。在COM3通信模式下,主站與設備之間傳送一個典型的數據幀是2個字節,周期是400μs。
為什么可以即插即用?
即插即用的實現方式是將所有參數都存儲在主站,這樣,在更換傳感器時,即使是熱插拔,傳感器(在更好的情況下,是智能傳感器,即設備)也會接收到設備配置所需的全部信息。主站存儲的文件通常為.xml格式,包含有關傳感器的所有信息(即型號、制造商、功能等),這個文件被稱為IODD(IO-Link設備描述符)。一個傳感器或執行器對應一個IODD。
ST的IO-Link 芯片和解決方案
意法半導體的L6360和L6362A兩款芯片可實現IO-Link主站和設備解決方案,產品特性包括應用范圍廣,寬輸入電壓,高輸出電流,低耗散功率,高可靠性。

圖2 –主站芯片與設備芯片之間的典型連接
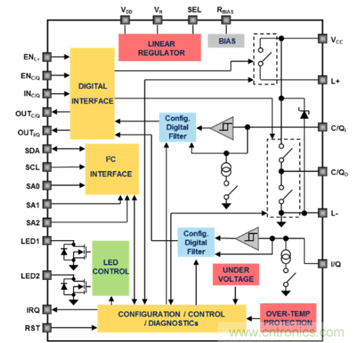
L6360是一個兼容PHY2(3線)的單片IO-Link主站端口,支持COM1、COM2和COM3三種模式,還支持標準IO(SIO)設備。L6360的靈活性極高,輸出級C/Q0輸出引腳可配置為(高邊、低邊或推挽)。L6360通過標準I2C接口與微控制器(運行協議棧的微控制器)通信,然后將通過USART(IN C/Q0引腳)接收的主微控制器數據發送到PHY2(C/Q0引腳),或者將從物理層接收到的數據發送到USART(OUT C/QI引腳)。
框圖和關鍵功能如下圖所示。

圖3 – L6360主站芯片框圖
L6360的主要功能特性
● 電源電壓18 V-32.5 V
● 可配置輸出級:高端、低端或推挽式(<2Ω)
● 高邊驅動器L +引腳保護電流高達500 mA
● 支持COM1、COM2和COM3模式
● IEC61131-2 type 1附加輸入
● 通過限流和設置截止電流實現短路和過流輸出保護
● 3.3 V / 5 V、50 mA線性穩壓器
● 5 mA IO-Link數字輸入
● 通過I2C接口快速模式控制、配置和診斷芯片
● 用于診斷功能的雙LED序列發生器和驅動器
● 5 V和3.3 V兼容I / O引腳
● 過壓保護(> 36 V)
● 過熱保護
● 靜電防護
● 小型VFQFPN 26L(3.5 x 5 x 1 mm)封裝
L6362A是符合PHY2(3線連接)標準的IO-Link設備收發器芯片,支持COM1、COM2和COM3模式。這款芯片還支持標準IO (SIO)模式。輸出級提供三種可選配置(??高邊、低邊、推挽),能夠驅動任何類型的負載(電阻、電容或電感),凡是24V工業傳感器都可以連接到L6362A。
VCC, GND, OUTH, OUTL和I/Q引腳之間的反極性保護是這款芯片的重要功能,是工業傳感器管理應用的基本要求。
下面列出了其它重要功能以及設備芯片的框圖。

圖4 – L6362A設備芯片框圖
L6362A的主要功能特性
● 功率級能效極高
(1) RDSON =0.8Ω/1Ω(低邊/高邊)
(2)輸出電流高達300 mA
(3)模式:高邊、低邊、推挽
(4)驅動達500mJ /30μF的感性/容性/電阻負載
● 5 V或3.3 V可選10 mA線性穩壓器
● 支持COM1、COM2和COM3模式
● 支持喚醒檢測
● 全面保護,包括反極性、過壓/欠壓、過載、過熱…
● 高EMC抗擾性(突發、浪涌,ESD等)
● -40 至 +125 °C工作溫度
● 小型DFN 3 x 3 mm封裝
ST為設計人員提供大量的開發工具,下面從芯片評估板開始介紹。
首先是STEVAL-IFP016V2主站芯片評估板,這塊板子以 L6360主站芯片為核心,可以通過外部連接器連接主微控制器。
STEVAL-IFP016V2處理微控制器信號,提供24 V輸出,能夠演示L6360的所有功能。
板上的GND區域旨在最大程度地降低噪聲并確保良好的熱性能。

圖5 –具有L6360全部特性的STEVAL-IFP016V2
第二塊板子是STEVAL-IFP017V3,這是一款以L6362A設備芯片為核心的評估板,用于測試L6362A的全部功能,例如,快速退磁和反極性保護等豐富的電氣保功能。使用STEVAL-IFP017V3設計項目,無需外部組件即可滿足IEC 61000-4-4(突發),IEC 61000-4-2(ESD)和EN60947-5-2 / IEC 61000-4-5(浪涌)的要求。

圖6 –具有L6362A全部特性的STEVAL-IFP017V3
所有這些開發板都是為充分利用這兩款芯片的功能而開發設計。設計人員通常需要開發支持,甚至在應用級也需要支持。因此,意法半導體開發了基于L6360的4端口IO-Link主站板STEVAL-IDP004V1和和基于L6362A的傳感器設備評估套件STEVAL-IDP003V1。
STEVAL-IDP004V1板載四顆不同的L6360芯片,支持多種通信模式:IO-Link、SIO、RS-485、USB和CAN,中央處理器是STM32F205 Cortex M3微控制器,還配備一個普通的RS232 PC接口,用于測試板子的通信功能。

圖7 –帶有四個連接端口的STEVAL-IDP004V1
如圖7所示,STEVAL-IDP004V1安裝了四個M12連接器,可以同時連接四個不同的傳感器。在我們應用方案中,用STEVAL-IDP003V1板上的L6362A芯片代表傳感器。
STEVAL-IDP003V1套件可以安裝在最小的常規工業傳感器內(僅8 x 70 mm大小)。在套件的參考設計板上,可以安裝多達四個不同的傳感器子板(接近檢測、振動檢測、加速度計和溫度傳感器),板上還搭載一個運行設備端協議棧的專用低功耗微控制器STM32L071。
STEVAL-IDP003V1的抗擾性設計保證應用通過EMC和ESD應力測試。

圖8 – STEVAL-IDP003V1及其四塊傳感器子板
最后,按照STM32 ODE計劃,下一個開發工具將是IO-Link擴展板,又稱X-Nucleo開發板,用于簡化IO-Link應用的原型設計。有了這些新電路板,IO-Link協議棧將運行在主STM32微控制器上,建立一個全功能的IO-Link點對點通信通道。
推薦閱讀:





