【導讀】不言而喻,PC電路板的布局設計決定了每一種電源設計的成敗。它決定了一個電源的功能、電磁干擾(EMI)和熱行為。雖然開關電源布局不是黑魔法,但在設計過程中會經常被忽視,最終發現其至關重要卻為時已晚。因此需要一種行之有效的方法,從一開始就削弱這些潛在的EMI威脅,方能確保電源安靜而穩定。
雖然許多開關模式電源設計人員都很清楚開關模式電源的設計復雜性和細微差別,但很多公司根本沒有足夠的設計人員滿足所有項目需求完成設計。不少設計人員將退休并離開此行業!那么,如何解決這個問題呢?
首先,就是因為模擬電源設計人員不足,所以要求越來越多的數字設計人員進行開關模式電源設計!雖然大多數數字設計人員都知道如何使用簡單的線性穩壓器,但并非所有設計都要求降壓(降壓模式)。事實上,很多是升壓模式(升壓),甚至是降壓-升壓拓撲(降壓和升壓模式相結合)。
顯然,許多電子系統制造商都面臨一個問題:如何實現系統所需的所有開關模式電源電路?
解決設計資源短缺問題
在本文中,我將介紹降壓穩壓器工作的一些基本原理,包括開關穩壓器熱回路中的高di/dt和寄生電感如何導致電磁噪聲和開關振鈴。然后我們將看看如何減少高頻噪聲。我還將介紹ADI的Power by LinearTM Silent Switcher®技術,包括它如何構成,并演示它如何幫助解決EMI問題,且絲毫不會影響性能。其中還包括SilentSwitcher器件如何工作。
我還將概述Silent Switcher的封裝和布局,討論這些封裝和布局如何提高降壓轉換器的整體性能。此外,我將演示如何將此技術融入我們的μModule®穩壓器,從而提高SilentSwitcher器件的集成度。對于不熟悉開關模式電源設計技術的設計人員,這些簡單易用的解決方案會很有用。
基本降壓穩壓器電路
最基本的電源拓撲之一是降壓穩壓器,如圖1所示。EMI從高di/dt回路開始。供電線和負載線不應具有高交流電流分量。因此,輸入電容C2應將所有相關電流的交流分量傳輸至輸出電容C1,所有電流交流分量在這里結束。

圖1. 同步降壓穩壓器原理圖。
參考圖1,在M1關閉而M2打開的開啟周期中,交流電流在實線藍色回路中流動。在關閉周期中,當M1打開而M2關閉時,交流電流在綠色虛線回路中流動。大多數人難以理解,產生最高EMI的回路既不是實線藍色回路,也不是虛線綠色回路。而是虛線紅色回路中流動的全開關交流電流,從零切換至I峰值,再回到零。虛線紅色回路通常指熱回路,因為它有最高交流電流和EMI能量。
導致電磁噪聲和開關振鈴的是開關穩壓器熱回路中的高di/dt和寄生電感。要減少EMI并改進功能,需要盡量減少虛線紅色回路的輻射效應。如果我們能夠將虛線紅色回路的PC電路板面積減少到零,并且能夠買到具有零阻抗的理想電容,就能解決這個問題。然而,在現實世界中,設計工程師所能做的就是找到一個最佳的折中方案!
那么,這些高頻噪聲到底是從哪里來的呢?在電子電路中,通過寄生電阻、電感和電容耦合,在開關轉換過程中,產生了高頻諧波。知道是哪里產生噪聲,那么如何減少高頻開關噪聲呢?減少噪聲的傳統方式是減慢MOSFET開關邊緣。通過減慢內部開關驅動器或從外部添加緩沖器,就可以實現。
但是,這會降低轉換器的效率,因為增加了開關損耗——特別是當開關穩壓器在高開關頻率(如2MHz)下運行時。說到這里,我們為何要在2MHz的頻率下運行呢?實際上有幾個原因:
● 它允許使用較?。ǔ叽纾┑耐獠吭?,如電容和電感。例如,每次開關頻率加倍,會使電感值和輸出電容值減半。
● 在汽車應用中,在2 MHz下開關可以避免在AM頻段產生噪聲。
減小輻射,也可使用濾波器和屏蔽,但這需要更多的外部元件和電路板面積。還可采用展頻(SSFM)技術,但這樣在已知范圍內會使系統時鐘抖動。SSFM有助于滿足EMI標準要求。EMI能量被打散分布在頻域上。雖然普通開關電源所選的開關頻率通常會在AM頻段之外(530 kHz至1.8 MHz),但在AM頻段內,未經調制的開關諧波仍可能不符合嚴格的汽車EMI要求。添加SSFM功能可明顯減少AM頻段內及其他區域中的EMI。
或者就使用ADI的Silent Switcher技術,該技術能夠滿足上述所有要求:
● 高效率
● 高開關頻率
● 低電磁輻射(EMI)
Silent Switcher技術
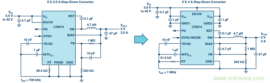
Silent Switcher器件無需減慢開關邊緣速率,解決了EMI和效率之 間的權衡問題。那么如何才能實現呢?考慮使用LT8610, a如圖2 左側所示。這是支持42 V輸入的單片(內部有FET)同步降壓轉換器,可提供高達2.5 A的輸出電流。請注意,其左上角有一個輸入引腳(VIN)

圖2. 如何將LT8610轉換為Silent Switcher器件——LT8614。
但是,將LT8610與LT8614 (支持42V輸入的單片同步降壓轉換器,可提供高達4 A的輸出電流)相比,我們可以看到,LT8614在封裝的另一側有兩個VIN引腳和兩個接地引腳。這很重要,因為它是實現超低噪聲開關的一部分!
如何使開關穩壓器具有超低噪聲
如何實現這個目標?在芯片另一側的VIN 和接地引腳之間放置兩個輸入電容可消除磁場?;脽羝型怀鲲@示了這一點,在原理圖和演示板上均用紅色箭頭指向電容的位置,如圖3所示。

圖3. LT8614圖,顯示濾波器電容安置在IC另一側的VIN和接地引腳之間。
LT8614詳情
LT8614包含Silent Switcher功能。利用該功能,我們通過使用銅柱倒裝芯片封裝能夠減少寄生電感。此外,還有反向VIN、接地和輸入電容,可消除磁場(適用右手法則)以降低EMI輻射。
由于不需要使用焊線鍵合式裝配技術所要求的長鍵合線,不會產生大的寄生電阻和電感,從而可減小封裝寄生電感。兩個對稱分布的輸入熱回路產生的反向磁場相互抵消,并且電回路沒有凈磁場。
我們將LT8614 Silent Switcher穩壓器與當前先進的開關穩壓器LT8610進行比較。在GTEM室中,對兩個器件的標準演示板使用相同負載、相同輸入電壓和相同電感進行了測試。我們發現,與使用LT8610具有很不錯的EMI性能相比,使用LT8614時還能提高20dB,特別是在管理更高頻率更困難的區域。在整體設計中,與其他敏感系統相比,LT8614開關電源需要的濾波更少、距離更短,從而可以實現更簡單緊湊的設計。此外,在時域內,LT8614在開關節點邊緣的性能良好。

圖4. LT8614輻射EMI性能可滿足最嚴格的CISPR 25 Class 5限制要求。
Silent Switcher器件的進一步增強
盡管LT8614具有出色的性能,但我們并沒有停止改進的步伐。于 是,LT8640 降壓穩壓器采用Silent Switcher架構,旨在最大限度地 減少EMI/EMC輻射,同時在高達3 MHz的頻率下提供高效率。它采用3 mm × 4 mm QFN封裝,采用集成電源單片式結構,同時提供所有必需的電路功能,共同構成PCB占用空間最小的解決方案。瞬態響應性能仍然很出色,任何負載(從零電流到滿電流)時的輸出電壓紋波低于10 mV p-p。LT8640允許在高頻率下進行高VIN到低VOUT轉換,最短開關導通時間為30 ns。
為改進EMI/EMC,LT8640可工作在展頻模式。該功能以20%的三角調頻調整時鐘。當LT8640處于展頻調制模式時,使用三角調頻功能在RT設定值與約高于該值20%之間調整開關頻率。調制頻率約為3 kHz。例如,當LT8640設為2 MHz時,3kHz速率下的頻率將從2MHz至2.4MHz不等。選擇展頻工作模式時,突發模式Burst Mode®操作會禁用,器件將在脈沖跳躍模式或強制連續模式下運行。
然而,盡管我們在Silent Switcher數據手冊中都有說明,如提供了原理圖和布局建議,以及將輸入電容放在盡可能靠近IC兩側的位 置——有一些客戶仍然會出錯。此外,我們的內部工程師也花了太多的時間來解決客戶的PCB布局問題。因此,我們的設計人員提出了解決此問題的最佳解決方案——Silent Switcher 2架構。
Silent Switcher 2
采用Silent Switcher 2技術,我們只需將電容集成在新LQFN封裝內:VIN電容、IntVCC和升壓電容——盡可能靠近引腳放置。優勢是將所有熱回路和接地層都包括在內,從而降低了EMI。外部元件越少,解決方案尺寸就越小。此外,我們還消除了PCB布局敏感性。
如圖5所示,可以看出LT8640和LT8640S 的原理圖有何不同。而營 銷突破口是為包含內部電容的集成度更高的新版本冠以“S”的后綴。因為它比第一代更“安靜”!

圖5. LT8640S是一款具有更高的電容集成度的Silent Switcher 2器件。
Silent Switcher 2技術提高了散熱性能。LQFN倒裝芯片封裝上的多個大尺寸接地裸露焊盤有助于封裝和PCB散熱。由于我們消除了高電阻鍵合線,因此還提高了轉換效率。LT8640S的EMI性能輕松滿足輻射EMI性能CISPR 25 Class 5峰值限制要求并且有較大的裕量。
下一步:所有組件都與Silent Switcher 2 μModule穩壓器集成
Silent Switcher技術如此引人注目,我們選擇將其融入我們的 μModule穩壓器產品線。所有組件都集成在一個小尺寸封裝中, 為用戶提供了一個簡單可靠、高性能和高電源密度的解決方案。 LTM8053 和LTM8073是幾乎集成了所有組件的微型模塊穩壓器,只有少量電容和電阻接在外部。

圖6. LTM8053 Silent Switcher 2 μModule。
總結
綜上所述,Silent Switcher功能和優勢將使您的開關模式電源設計更容易滿足CISPR 32和CISPR 25等各種抗噪標準要求。它們能夠 輕松有效地做到這一點是由于以下特性:
● 能夠在大于2 MHz開關頻率下進行高效轉換,并且對轉換效率的影響最小。
● 內部旁路電容減少EMI輻射并提供更緊湊的解決方案占板空間。
● 采用Silent Switcher 2技術基本上消除了PCB布局的敏感性。
● 可選展頻調制有助于降低噪聲敏感度。
● 使用Silent Switcher器件既可節省PCB面積,又可減少所需的層數。
推薦閱讀:



