【導讀】許多市場對高效率同相 DC-DC 轉換器的需求都在不斷增長,這些轉換器能以降壓或升壓模式工作,即可以將輸入電壓降低或提高至所需的穩定電壓,并且具有最低的成本和最少的元件數量。反相 SEPIC(單端初級電感轉換器)也稱為 Zeta 轉換器,具有許多支持此功能的特性(圖 1)。對其工作原理及利用雙通道同步開關控制器ADP1877的實施方案進行分析,可以了解其在本 應用中的有用特性。

圖1. 反相 SEPIC 拓撲結構
初級開關QH1 和次級開關QL1 反相工作。在導通時間內,QH1接通,QL1 斷開。電流沿兩條路徑流動,如圖 2 所示。第一條路徑是從輸入端經過初級開關、能量傳輸電容(CBLK2)、輸出電感(L1B)和負載,最終通過地流回輸入端。第二條路徑是從輸入端經過初級開關、地基準電感(L1A)和地流回輸入端。

圖 2. 電流流向圖;QH1 閉合,QL1 斷開。
在關斷期間,開關位置剛好相反。QL1 接通,QH1 斷開。輸入電容(CIN)斷開,但電流繼續經過電感沿兩條路徑流動,如圖 3所示。第一條路徑是從輸出電感經過負載、地和次級開關流回輸出電感。第二條路徑是從地基準電感經過能量傳輸電容、次級開關流回地基準電感。

圖 3. 能量傳輸圖;QL1 閉合,QH1 斷開。
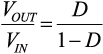
應用電感伏秒平衡原理和電容電荷平衡原理,可以求得方程式 1所規定的均衡直流轉換比,其中 D 為轉換器的占空比(一個周期的導通時間部分)。

上式表明:如果占空比大于 0.5,輸出端將獲得較高的調節電壓(升壓);如果占空比小于 0.5,調節電壓會較低(降壓)。此外還可分析得到其它相關結果:在無損系統中,能量傳輸電容(CBLK2)上的穩態電壓等于VOUT;流經輸出電感(L1B)的直流電流值等于IOUT;流經地基準電感(L1A)的直流電流值等于IOUT ×VOUT/VIN。該能量傳輸電容還能提供VIN至VOUT的隔直。當存在輸出短路風險時,此特性很有用。
分析還顯示,反相 SEPIC 中的輸出電流是連續的,對于給定輸出電容阻抗,會產生較低的峰峰值輸出電壓紋波。這就允許使用較小、較便宜的輸出電容;相比之下,在非連續輸出電流拓撲結構中,為了達到同樣的紋波要求,需要使用較大且昂貴的電容。
通常,次級開關(QL1)是一個單向功率二極管,它會限制這種拓撲結構的峰值效率。然而,利用ADI公司雙通道同步開關控制器ADP1877(見附錄)的一個通道,并采用雙向MOSFET作為次級開關,可以設計一個"完全同步配置"的反相SEPIC。這樣,峰值效率將大大提高,同時可以降低輸出電流大于 1 A的轉換器尺寸和成本。
圖 4 顯示完全同步反相SEPIC配置的功率級,它利用ADP1877 實現,只需要三個小型、廉價的額外器件(CBLK1、DDRV和RDRV),其功耗可以忽略不計。

圖 4. 同步反相 SEPIC 的功率級,利用 ADP1877 的通道 1 實現
反相SEPIC的理想穩態波形如圖 5 所示。通道 1 開關節點SW1(見附錄圖A)在VIN + VOUT(導通時間內)和 0 V(關斷時間內)之間切換。將電荷泵電容CBST連接到SW1,以便在導通時間內將約為VIN + VOUT + 5 V的電壓施加于高端內部驅動器的自舉上電軌(BST1 引腳)和高端驅動器的輸出(DH1 引腳),從而增強初級浮空N溝道MOSFET開關QH1。箝位二極管DDRV確保穩態輸出期間CBLK1上的電壓約為VOUT + VFWD(DDRV),該電壓參考ADP1877的DH1 引腳到QH1 柵極的電壓。在關斷時間內,當X節點電壓約為–VOUT時,CBLK1上的電壓阻止初級開關產生高于其閾值的柵極-源極電壓。

圖 5. 同步反相 SEPIC 的理想波形(忽略死區)
ADP1877 具有脈沖跳躍模式,使能時,可以降低開關速率,只向輸出端提供足以保持輸出電壓穩定的能量,從而提高小負載時的效率,大大降低柵極電荷和開關損耗。在同步反相 SEPIC 和同步降壓拓撲結構中均可以使能此模式。圖 4 所示 DC-DC 轉換電路只需要雙通道 ADP1877 的一個通道,因此另一通道可以用于任一種拓撲結構。
電感耦合和能量傳輸電容
圖 4 中,功率電感 L1A 和 L1B 顯示為彼此耦合。在這種拓撲結構中,耦合電感的目的是減少輸出電壓和電感電流的紋波,并且提高最大可能閉環帶寬,下一部分將對此加以說明。
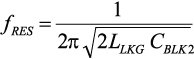
雖然這些電感互相耦合,但并不希望耦合太緊,以至于將一個繞組的大量能量通過鐵芯傳輸至另一個繞組。為了避免這一點,必須求得耦合電感的泄漏電感(LLKG),并選擇適當的能量傳輸電容(CBLK2),使得其復數阻抗的幅值為泄漏電感與單個繞組電阻(DCR)的復串聯阻抗的 1/10,如方程式 2、3、4 所示。按照這一關系設計電路,可使耦合鐵芯所傳輸的能量降至最低。泄漏電感可以根據耦合電感數據手冊中提供的耦合系數計算。

匝數比最好為 1:1,因為對于給定水平的輸出電壓紋波,此時各繞組只需要分立電感所需電感的一半1。可以使用 1:1 以外的匝數比,但其結果將無法用本文中的方程式準確描述。
小信號分析和環路補償
反相 SEPIC 轉換器的完整小信號分析超出了本文的范圍,不過,如果遵照下述原則,完整分析將更具學術意義。
首先必須計算諧振頻率(fRES)時的許多復數阻抗交互,以便求得目標交越頻率的上限。當電感解耦時,此頻率降低,導致最大可能閉環帶寬顯著降低。

在此頻率時,可能有 300°或更大的"高Q"相位遲滯。為了避免轉換器在整個負載范圍內相位裕量偏小的問題,目標交越頻率(fUNITY)應為fRES的 1/10。此諧振的阻尼主要取決于輸出負載電阻和耦合電感的直流電阻。在較小程度上,阻尼還取決于能量傳輸電容的等效串聯電阻(ESR)和功率MOSFET(QHl和QL1)的導通電阻。因此,當輸出負載電阻改變時,閉環傳遞函數的特征在該頻率時發生明顯變化也不足為奇。
耦合系數通常不是一個能夠精確控制的參數,因此應將目標交越頻率設置為比fRES低 10 倍的值(假設fRES小于開關頻率fSW)。當fUNITY設置適當時,可以使用標準"II型"補償——兩個極點和一個零點。

圖6 顯示同步反相SEPIC 降壓/升壓拓撲結構中ADP1877反饋環路的等效電路。上框包含功率級和電流環路,下框包含電壓反饋環路和補償電路。

圖 6. 同步反相 SEPIC 拓撲結構中 ADP1877 具有內部電流檢測 I環路的功率級和補償方案
下框中的補償元件值可以通過下式計算:

轉換器的跨導GCS利用下式計算:

COUT是轉換器的輸出電容。ESR是該輸出電容的等效串聯電阻。RLOAD是最小輸出負載電阻。ACS是電流檢測增益,對于ADP1877,它可以在 3 V/V至 24 V/V范圍內以離散步進選擇。Gm是誤差放大器的跨導,ADP1877 為 550 μs。VREF是與誤差放大器的正輸入端相連的基準電壓,ADP1877 為 0.6 V。
GCS是與頻率無關的增益項,隨增強后的次級開關電阻RDS(ON)而變化。最高交越頻率預期出現在此電阻和占空比D最低時。
為確保在最大輸出電流時不會達到補償箝位電壓,所選的電流檢測增益(ACS)最高值應滿足以下條件:

其中?IL為峰峰值電感紋波電流。

如果斜率補償過多,此處的方程式精確度將會下降:直流增益將降低,輸出濾波器將引起主極點的頻率位置提高。
斜率補償
對于利用ADP1877 實現的同步反相SEPIC,必須考慮電流模式控制器2中的次諧波振蕩現象。
按照下式設置RRAMP,可以將采樣極點的品質因素設為 1,從而防止發生次諧波振蕩3(假設fUNITY設置適當)。

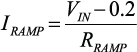
值得注意的是,隨著增強后的次級開關電阻RDS(ON)降低,采樣極點的Q也會下降。如果這一因素與其它相關容差一起導致Q小于0.25,則應進行仿真,確保在考慮容差的情況下,轉換器不會有過多斜率補償,并且不是太偏向于電壓模式。RRAMP的值必須使得ADP1877 RAMP引腳的電流在 6 μA至 200 μA范圍內,其計算公式 14 如下:

功率器件應力
從圖 2 和圖 3 的電流流向圖可以看出,功率 MOSFET 在接通后要承載電感電流總和。因此,流經兩個開關的電流直流分量為:

如果電感的耦合比為 1:1,則流經兩個開關的電流交流分量為:

知道這些值后,可以很快算出流經各開關的電流均方根值。這些值與所選MOSFET的RDS(ON)MAX共同確保MOSFET具有熱穩定性,同時功耗足夠低,以滿足效率要求。

圖 7. 同步反相 SEPIC 的理想電流波形(忽略死區)
精確計算初級開關的開關損耗超出了本文的范圍,但應注意,從高阻態變為低阻態時,MOSFET上的電壓擺輻約為VIN + VOUT至 0V,流經開關的電流擺輻為 0 A至IOUT[1/(1–D)]。由于擺幅如此之高,開關損耗可能是主要損耗,這是挑選MOSFET時應注意的一點;對于MOSFET,反向傳輸電容(CRSS)與RDS(ON)成反比。
初級開關和次級開關的漏極-源極擊穿電壓(BVDSS)均須大于輸入電壓與輸出電壓之和(見圖 5)。
峰峰值輸出電壓紋波(?VRIPPLE)可通過下式近似計算:

流經輸出電容的電流均方根值(I rms COUT)為:

方程式 12 所表示的峰峰值電感電流(?IL)取決于輸入電壓,因此必須確保當此參數改變時,輸出電壓紋波不會超過規定值,并且流經輸出電容的均方根電流不會超過其額定值。
對于利用ADP1877 實現的同步反向SEPIC,輸入電壓與輸出電壓之和不得超過 14.5 V,因為電荷泵電容與開關節點相連,當初級開關接通時,其電壓達到VIN + VOUT。
實驗室結果
圖 8 顯示 5 V 輸出、3 V 和 5.5 V 輸入時同步反向 SEPIC 的功效與負載電流的關系。對于需要在 3.3 V 和 5.0 V 輸入軌之間切換的應用,或者當實時調整輸入電壓以優化系統效率時,這是常見情況。采用 1 A 至 2 A 負載時,無論輸入電壓高于或低于輸出電壓,轉換器的效率均超過 90%。

圖 8. 效率與負載電流的關系
與圖 8 相關的功率器件材料清單見表 1,其中僅采用常見的現成器件。一項具可比性的異步設計采用一個具有低正向壓降的業界領先肖特基二極管代替 QL1,在以上兩種輸入電壓下,其滿載時的效率低近 10%。此外,異步設計尺寸更大、成本更高,而且可能需要昂貴的散熱器。
表 1. 功率器件

結束語
許多市場對輸出電壓高于或低于輸入電壓(升壓/降壓)的高效率同相轉換器的需求都在不斷增長。ADI 公司的雙通道同步開關控制器ADP1877允許用低損耗MOSFET代替常用于功率級的高損耗功率二極管,從而提高效率,降低成本,縮小電路尺寸,使系統達到苛刻的能耗要求。只要遵循幾項原則就能快速算出可靠補償所需的元件值,并且利用常見的現成器件便可實現高效率。
參考電路
Barrow, Jeff. "Reducing Ground Bounce in DC-to-DC Converters—Some Grounding Essentials." Analog Dialogue. 41-2, pp. 2-7. 2007.
1?uk, Slobodan and R.D. Middlebrook. "Coupled-Inductor and Other Extensions of a New Optimum Topology Switching DC-DC Converter." Advances in Switched-Mode Power Conversion. Volumes I & II. Irvine, CA: TESLAco. 1983.
2Erickson, Robert and Dragan Maksimovi?. Fundamentals of Power Electronics. Chapter 12, Section 1. Norwell, MA: Kluwer Academic Publishers. 2001.
3Ridley, Raymond. "A New Small-Signal Model for Current-Mode Control." PhD Dissertation, Virginia Polytechnic Institute and State University. November 1990.
附錄
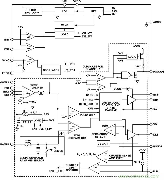
ADP1877是一款Flex-ModeTM(ADI公司專有架構)雙通道開關 控制器,如圖A所示,其集成驅動器可驅動N溝道同步功率 MOSFET。兩路PWM輸出相移 180°,可降低輸入均方根電流, 從而使所需的輸入電容最小。

圖 A. ADP1877 示意框圖。僅顯示通道 1;通道 2 與之完全相同,帶后綴 2。
ADP1877 內置升壓二極管,因而整體元件數量和系統成本得以 減少。在小負載時,可以將它設置為高效率脈沖跳躍工作模式, 也可以是 PWM 連續傳導工作模式。
ADP1877 內置外部可調軟啟動功能、輸出過壓保護、外部可調 電流限制、電源良好指示,并提供 200 kHz 至 1.5 MHz 的可編程 振蕩器頻率。工作溫度范圍為–40°C 至+85°C 時,輸出電壓精 度為±0.85%;工作溫度范圍為–40°C 至+125°C 結溫范圍時, 輸出電壓精度為±1.5%。其工作電源電壓為 2.75 V 至 14.5 V, 采用 32 引腳、5 mm × 5 mm LFCSP 封裝。
推薦閱讀: