【導讀】在測試測量相關應用中,模擬開關和多路復用器有著非常廣泛的應用,例如運放的增益調節、ADC分時采集多路傳感器信號等等。雖然它的功能很簡單,但是仍然有很多細節,需要大家在使用的過程中注意。所以,在這里為大家介紹一下模擬開關和多路復用器的基礎參數。
在開始介紹基礎的參數之前,我們有必要介紹一下模擬開關和多路復用器的基本單元MOSFET開關的基本結構。
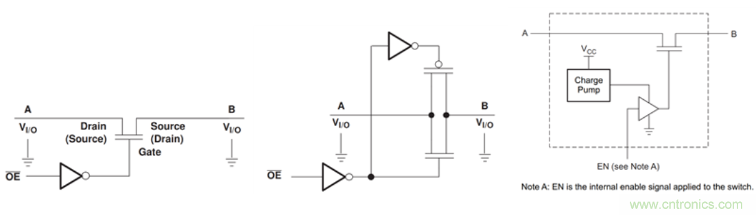
一. MOSFET開關的架構
MOSFET開關常見的架構有3種,如圖1所示。
1)NFET。
2)NFET和PFET。
3)帶有電荷泵的NFET。
三種架構各有特點,詳細的介紹,可以參考《TI Precision Labs - Switches and Multiplexers》培訓視頻和《Selecting the Right Texas Instruments Signal Switch》應用文檔。本文主要基于NFET和PFET架構展開介紹和仿真,但是涉及到的概念在三種架構中都是適用的。

圖 1 MOSFET開關結構
另外,需要注意的是,此處的MOSFET結構,S和D是對稱的,所以在功能上是可以互換的,也因此,開關是雙向的,為了便于討論,我們統一把S極作為輸入。
二.模擬開關和多路復用器直流參數介紹
1. 導通電阻 On Resistance
(1). 定義

圖 2 On Resistance 定義
(2). 特點
1) 隨輸入信號電壓而改變:當芯片的供電電壓固定時,對于NMOS而言,S級的電壓越高,導通電阻越來越大,對于PMOS而言,S級的電壓越高,導通電阻越來越小。

圖 3 導通電阻隨輸入信號電壓變化的曲線
2) 導通電阻的阻值與溫度有關:當VDD和VSS固定不變時,隨著溫度的升高,導通電阻的曲線整體向上平移。

圖 4 導通電阻隨溫度變化的曲線
3) 導通電阻的平坦度:On-resistance flatness

圖 5 On-resistance flatness
在一定的輸入電壓范圍內,導通電阻的最大值與最小值的差稱為導通電阻的平坦度,這個值越大,說明導通電阻的變化幅度越大。
(3). 影響
在這里,我們通過一個仿真實例來觀察一下導通電阻及平坦度對于系統的影響,如圖6。為了更容易地觀察到影響,我們選擇設置R1和R2為100?。

圖 6 MUX36S08仿真電路

圖 7 輸入及輸出波形
從仿真的結果我們可以看出:
1) 輸出電壓并不是我們輸入電壓乘以放大比例后的結果,這是因為有導通電阻的存在。

2) 輸出電壓隨輸入電壓的并不是線性關系,這是因為Ron隨著Vin在變化,會在輸出端引入非線性誤差。所以,Ron的平坦度越小,輸出的非線性誤差越小。
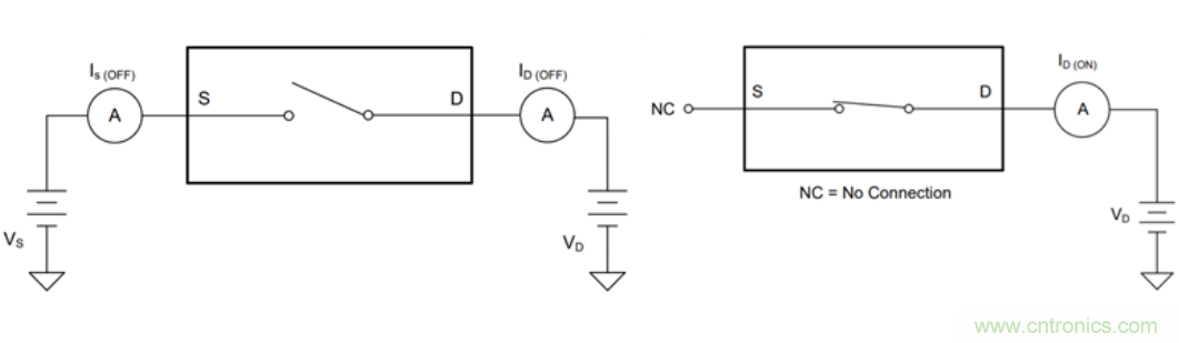
2.漏電流 Leakage current
(1). 定義
1) Source off-leakage current: 在開關斷開時,從源極流入或流出的電流稱為
,如圖8。

2) Drain off-leakage current: 在開關斷開時,從漏極流入或流出的電流稱為
,如圖8

3) On-leakage current: 當開關閉合時,從漏極流入或流出的電流稱為
,如圖8。


圖 8 漏電流定義
(2). 特點
漏電流隨溫度變化劇烈。

圖 9 漏電流隨溫度變化的曲線
(3). 影響
在很多數據采集系統中,接入MUX前的傳感器有可能是高阻抗的傳感器。這時,漏電流的影響就會凸顯出來。
例如,在圖10的仿真中,輸入源有1M?的源阻抗,我們對這個電阻進行直流參數掃描,觀察它從1M?變化至10M?時,對輸出電壓的影響,結果可以看到,漏電流通過傳感器的內阻會給輸出電壓帶來一個直流誤差。所以,在為高輸出阻抗的傳感器選擇MUX時,要盡可能選取低漏電流的芯片。

圖 10 漏電流仿真電路

圖 11 漏電流仿真結果
三. 模擬開關和多路復用器動態參數介紹
1. 導通電容 On Capacitance
(1). 定義
CS和CD代表了開關在斷開時的源極和漏極電容。當開關導通時,CON等于源極的電容和漏極的電容之和,如圖12。

圖 12 On Capacitance
(2). 影響

圖 13 MUX36S08 示例
當MUX在不同通道之間切換時,CD也會隨著通道的切換被充電或者放電。例如,當S1閉合時,CD會被充電至V1。那么此時CD上的電荷QD1:

當MUX從S1切換至S2時,CD會被充電至V2。那么此時CD上的電荷QD2:

那么兩次CD上的電荷差就需要V2來提供,所以這時候,MUX輸出就會需要一定的時間來穩定。

對于一個N-bit的ADC:

K其實是代表RC電路中,電壓到達目標誤差以內時所需要的時間常數的數量,例如10-bit accuracy (LSB % FS= 0.0977), K= -ln (0.0977/100)=6.931。
接下來用一個仿真來說明這種現象:
為了更明顯地觀察到這種現象,在Vout 端加入一個電容C1,可以理解為增加了CD,也可以理解為負載電容和CD的并聯。

圖 14 On Capacitance對輸出影響的仿真示例電路
當
時,整個回路的時間常數較大,需要更長時間穩定,所以在開關導通20uS之后,輸出電壓仍然沒有穩定到信號源的電壓。


圖 15 C1=50pF 仿真結果
當
時,整個回路的時間常數較小,需要較短時間穩定,所以在開關導通20uS之內,輸出電壓穩定到了信號源的電壓。


圖 16 C1=10pF 仿真結果
2. 注入電荷 Charge Injection
(1). 定義
注入電荷指的是從控制端EN耦合至輸出端的電荷。
(2). 影響
因為在開關導通的通道上,缺乏消耗這部分電荷的通路,所以當這部分電荷流入漏極電容和輸出電容上時,會在輸出產生一個電壓誤差。

圖 17 Charge Injection過程示意圖
過程如下:
當在EN端有一個階躍信號時,這個階躍電壓會通過柵極和漏極之間的寄生電容CGD,耦合至輸出端,輸出電壓的改變取決于注入電荷QINJ,CD和CL。
所以,當注入的電荷越小時,在輸出端引入的誤差會越小。
但同時,要注意到,注入電荷是一個與供電電壓、輸入信號都有關的一個參數。因此,當輸入信號的電壓在變化時,會在輸出端產生一個非線性的誤差。所以在選在MUX時,除了要注意charge injection的值以外,也要注意charge injection在輸入范圍內的平坦度。

圖 18 MUX36S08 charge injection 曲線
TMUX6104精密模擬多路復用器使用特殊的電荷注入消除電路,可將源極-漏極電荷注入在VSS = 0 V時降至-0.35 pC,在整個信號范圍內降至-0.41 pC。

圖 19 TMUX6104 Charge Injection 曲線
3. 帶寬Bandwidth
(1). 定義
當開關打開時,在漏極的輸出刪減至源極輸入衰減3dB時的頻率,如圖20所示。

圖 20 帶寬定義
(2). 計算方法

圖 21 簡化的MUX內部的開關模型
為了簡化分析,我們忽略RS和CS。根據圖21中的阻容網絡,我們可以寫出該電路的傳遞函數:

其中,3dB cut off frequency:

根據這個公式,結合MUX和負載的參數,我們就可以算出來在當前條件下MUX的帶寬了。
4. 通道間串擾 Channel to Channel crosstalk
(1). 定義

圖 22 通道間串擾示意圖
通道間串擾定義為當已知信號施加到導通通道的源極引腳時,在截止通道的源極引腳上出現的電壓。

(2). 特點

圖 23 簡化的MUX內部的開關模型及通道間串擾隨信號頻率的變化
Channel to Channel crosstalk是和頻率有關的一種現象。主要是由于關斷狀態下寄生電容導致的。有時,也會由于布局技術不佳而引入了寄生電容,表現為串擾。
CSS表示兩個輸入通道之間的寄生電容。 這可能是傳輸信號的兩個輸入走線之間的電容,或者是多路復用器的兩個輸入引腳之間的電容。
在較低頻率的時候,從S1到OUTPUT的阻抗是RON ,因為S2是斷開的,從S2到OUTPUT的阻抗非常高。隨著施加到S1的輸入信號的頻率增加,寄生電容CSD的阻抗變得更低,并在S2引入了一部分S1的輸入信號。
相同的原理,寄生電容CSS隨頻率的增加也會將一部分輸入信號直接耦合到斷開的通道S2。
減少雜散電容的電路板布局技術也會有助于通道間的串擾問題。
5. 關斷隔離 Off isolation
(1). 定義
關斷隔離定義為當在關閉通道的源極引腳上施加已知信號時在多路復用器輸出引腳上引入的電壓。

圖 24 關斷隔離示意圖

(2). 特點

圖 25 簡化的MUX內部的開關模型及關斷隔離隨信號頻率的變化
像串擾一樣,關斷隔離也是一種與頻率相關的現象,由于模擬開關或多路復用器的OFF狀態寄生電容CSD而發生。而開關在截止狀態的寄生電容又取決于多個因素,例如器件封裝、引出線、制造工藝以及電路板布局技術。
較低的負載電阻將產生更好的OFF隔離,但由于導通電阻的存在,如果負載電阻過低,會引入失真。 較大的負載電容和漏極電容也將有助于更好的OFF隔離,但會限制多路復用器的帶寬。
關斷隔離和串擾規范都會分為相鄰和不相鄰通道兩類。
推薦閱讀: