【導讀】AD7616是一款雙通道、同步采樣、16通道、16位逐次逼近寄存器(SAR)型模數轉換器(ADC)。AD7616非常適合能源分配市場中的保護和測量應用。AD7616具備一系列針對保護和測量應用而設計的特性,例如低漂移的集成式可編程增益放大器(PGA)、1 MΩ輸入阻抗、高度靈活的可編程序列器和最高128倍過采樣功能。本應用筆記詳細說明如何配置AD7616眾多工作模式中的一種以實現100 dB以上的高動態范圍。本應用筆記旨在用作快速入門參考,以便用戶將AD7616集成到應用當中。
動態范圍要求
根據具體應用,目標輸入信號幅度可能很不相同。例如,相對于故障狀況,繼電器保護應用的信號量程一般很小,但用戶可能希望同時測量標稱狀況和故障狀況。這種測量需要一個具有大動態范圍的ADC來將這些較小輸入信號解析到所需的精度。此類應用所需的動態范圍可通過下式計算:

其中:
DR為動態范圍。
SignalMAX為ADC可以分辨的最大信號。
SignalMIN為ADC可以分辨的最小信號。
根據應用的精度要求,用戶可能希望精度高于16位。此要求可利用AD7616并通過下述方法實現:
1. 對模擬輸入進行過采樣以實現高達96 dB的信噪比(SNR)。
2. 對信號進行雙增益采樣以提高有效動態范圍。
使用AD7616的±10 V輸入范圍,在無任何過采樣的情況下,用戶通常可實現90.5 dB SNR。使用64倍過采樣比(OSR)時,此SNR提高到96 dB最大值。類似地,對于±2.5 V范圍,無過采樣時可實現87 dB SNR,OSR為64時可實現93.9 dB SNR。
表1. 過采樣所實現的SNR

考慮一個來自傳感器的輸入信號,其相對于輸入范圍一般非常小,但可能超量程(例如啟動期間或故障狀況下),如圖1所示。

圖1. 超量程信號
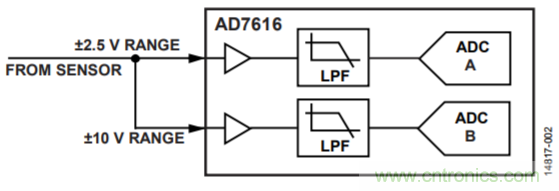
將兩個AD7616通道合并以對同一輸入信號進行采樣,便可實現較大動態范圍。AD7616每個通道有一個PGA,經過配置可接受±2.5 V、±5 V或±10 V的輸入信號。在對同一信號進行采樣時使用不同的增益,是提高動態范圍的關鍵。圖2顯示了一個典型的雙采樣設置,其使用AD7616每個ADC的一個通道。AD7616包括兩個ADC內核和兩個8:1多路復用器,總共有16個通道。本例使用每個多路復用器上的一個通道,從而可以對兩個通道同時采樣,如圖2所示。
圖2顯示了一個典型的雙采樣設置,其使用AD7616每個ADC的一個通道。AD7616包括兩個ADC內核和兩個8:1多路復用器,總共有16個通道。本例使用每個多路復用器上的一個通道,從而可以對兩個通道同時采樣,如圖2所示。

圖2. 雙增益采樣設置
圖 2 所示連接是監控三相電力系統某一相的典型連接,可以根據需要擴展到監控其他相。本應用筆記所述的配置假設 ADC 通道按照表 2 所示進行分配,從而監控三相。
表2. ADC通道配置

表 1 顯示,對于±2.5 V 范圍,OSR 為 64 時,過采樣可將 SNR提高到 94 dB。對于同樣的范圍,以低得多的 4 倍 OSR 進行過采樣時,可以解析的最小信號約為±88 μV。已知±2.5 V范圍、OSR 為 4 倍時 SNR 為 89 dB,最小信號可計算如下:
其中:
SNR 為信噪比。
最大信號為施加到模擬輸入端的信號的最大幅度。
最小信號為相對于本底噪聲的最小可分辨信號的幅度。
最大信號就是輸入范圍;本例中為±2.5 V。使用此輸入范圍,重新整理并求解該方程便可確定 ADC 可以解析的最小信號。計算結果為±88 μV。
使用±10 V和±2.5 V兩種輸入范圍進行采樣,可以實現的最高動態范圍為:

其中,DR為動態范圍。
引腳配置
AD7616可以配置為硬件或軟件工作模式。硬件模式使用引腳控制來配置序列器、模擬輸入范圍和過采樣比等選項。軟件模式則是通過并行接口或串行接口對片上寄存器進行編程,并可解鎖器件的更多功能。本設置示例使用軟件模式,通過并行接口編程。利用串行接口配置器件同利用并行接口對器件編程相似。有關詳細信息,參見AD7616數據手冊。
對于本例,在對片上寄存器編程之前,按照表3和圖3所示配置控制引腳,然后上電。復位解除時或發生完全復位之后,器件會鎖存硬件控制引腳值。對配置的任何改變也需要完全復位。
表3. 硬件引腳配置


圖3. 硬件控制引腳連接
配置好控制引腳之后,將適當的電壓提供給VCC引腳和VDRIVE引腳,以給AD7616供電。電源穩定后,需要讓器件完全復位。有關詳細信息,參見AD7616數據手冊。
對AD7616編程
在軟件模式下,AD7616可通過片上寄存器靈活配置。這些寄存器可通過并行或串行接口訪問,有16位寬。本應用筆記所述的例子使用并行接口。所需寄存器寫操作的流程圖如圖4所示。下述寄存器寫命令利用可編程序列器將AD7616配置為對三個不同信號進行雙采樣。
首先寫入配置寄存器。配置寄存器用在軟件模式下,用來配置ADC的許多主要功能,包括序列器、突發模式、過采樣和CRC操作。
將命令0x8460寫入配置寄存器,使能序列器的突發模式。突發模式需要一個CONVST脈沖來啟動序列器堆棧寄存器中配置的每個通道對的轉換。然后存儲轉換結果,直至用戶準備回讀結果。有關詳細信息,參見AD7616數據手冊。
接下來配置輸入范圍寄存器。如表2所示,使能六個通道進行采樣。三個通道設置為±2.5 V范圍,另三個通道設置為±10 V范圍。有四個輸入范圍寄存器,但本例僅需要兩個:寄存器A1和寄存器B1。寫入命令0x8815以將V0A至V2A通道的輸入范圍配置為±2.5 V范圍。寫入命令0x8C3F以將V0B至V2B通道的輸入范圍配置為±10 V范圍。
最后寫入序列器堆棧寄存器。序列器寄存器結構形成一個32層堆棧,各層可包含兩個通道(ADC A中的任一通道和ADC B中的任一通道)。序列器編程如表4所示。
表4. 序列器編程

堆棧中最后一層(本例中為第三層)的SSREN位設置為邏輯1,以定義堆棧的最后一層。序列器達到SSREN位設為1的層之后,便將堆棧指針復位到堆棧的第一層。然后重復該序列。
AD7616現在已按照表2所示的配置,對三個信號進行采樣。向器件寫入命令0x0000,使其返回到讀取模式并開始采樣。表5顯示了本例寄存器編程摘要。

圖4. 寄存器配置流程圖
表5. 寄存器摘要

轉換
在突發模式下,單個CONVST脈沖啟動序列器堆棧寄存器中配置的每個通道的轉換。器件內部產生完成序列所需的其余CONVST信號。圖5顯示了器件在該模式下的操作。復位解除時,片內寄存器進行編程,如圖4所示。器件切換回轉換讀取模式之后,需要進行一次偽轉換以將新配置鎖存到器件中。然后,用戶必須提供一個CONVST脈沖以啟動整個序列的轉換。序列完成后(BUSY由高電平變為低電平),用戶便可回讀三個通道對的轉換結果,如圖5所示。

圖5. 突發工作模式
讀取轉換結果
在突發模式下,回讀轉換結果發生在序列中的所有通道完成轉換之后,如圖5所示。假設通道數為N,過采樣比為x,則完成轉換和轉換結果回讀的周期時間(tCYCLE)可估計如下:

其中:

利用并行接口回讀轉換結果,即便使能突發序列器,用戶也能維持最大吞吐速率。將AD7616數據手冊中的適當數值代入tCYCLE計算公式,得到以4倍OSR轉換三個通道對所需的周期時間為11.945 μs。此代換實現的吞吐速率為每通道83 kSPS。
結語
利用較小的±2.5 V輸入范圍設置,通過監控ADC A輸出,用戶可以檢測過壓和過流狀況。借助這種方法,用戶可以利用±2.5 V范圍設置的滿量程幅度范圍來保護動態范圍。然后,用戶可以切換到監控較大的±10 V輸入范圍,以捕獲故障狀況的性質和幅度。此方法使得用戶無需在ADC之前應用動態輸入范圍調整,而且AD7616的通道密度讓雙采樣成為一個高性價比選擇。本應用筆記證明,使用雙采樣設置和4倍OSR,AD7616動態范圍可提高到101 dB。在使能過采樣的情況下對三個通道進行采樣,可以保持每通道83 kSPS以上的吞吐速率。在實際意義上,對于60 Hz輸入信號,使用本應用筆記所述方法,每個線路周期用戶可以收集1300個以上的樣本。
推薦閱讀:





