【導讀】嚴苛的汽車和工業環境中的噪聲敏感型應用需要適用于狹小空間的低噪聲、高效率降壓穩壓器。通常會選擇內置MOSFET功率開關的單片式降壓穩壓器,與傳統控制器IC和外部MOSFET相比,這種整體解決方案的尺寸相對較小。可在高頻率(遠高于AM頻段的2 MHz范圍內)下工作的單片式穩壓器也有助于減小外部元件的尺寸。此外,如果穩壓器的最小導通時間 (TON)較低,則無需中間穩壓,可直接在較高的電壓軌上工作,從而節約空間并降低復雜性。減少最小導通時間需要快速開關邊沿和最小死區時間控制,以有效減少開關損耗并支持高開關頻率操作。
另一種節約空間的方式是減少所需的組件數,以滿足電磁干擾(EMI)標準和散熱要求。遺憾的是,在很多情況下,簡單地縮減轉換器尺寸難以滿足這些需求。本文介紹的先進解決方案可節約空間,同時可實現低EMI和出色的散熱性能。
選擇開關模式電源轉換器是由于其效率高,尤其是在高降壓比下,但需要權衡開關操作產生的EMI因素。在降壓轉換器中,開關中的快速電流變化(高di/dt)和熱回路中寄生電感導致的開關振鈴會產生EMI。
EMI只是系統設計工程師在嘗試設計緊湊型高性能電源時必須考慮的參數之一。許多關鍵設計約束通常相互沖突,需要在設計限制和上市時間方面做出重大妥協。
提高EMI性能
要減少降壓轉換器中的EMI,必須盡量減少熱回路的輻射效應,并使源極信號最小。有多種方式可減少輻射EMI,但其中很多也會同時降低穩壓器的性能。
例如,在典型的分立式FET降壓穩壓器中,通過外部柵極電阻、升壓電阻或緩沖器來降低開關邊沿的速度,以減少EMI,這也是符合汽車工業嚴格的輻射排放標準的最后一種解救方法。這樣快速解決EMI問題均以損失性能為代價;例如效率降低、組件數目增多,解決方案尺寸加大。開關邊沿速度慢則會增加開關損耗和占空比損失。轉換器必須在較低的頻率下工作(例如,400 kHz)才能獲得令人滿意的效率,并通過強制性電磁輻射EMI測試。圖1顯示了分別具有快開關邊沿和慢開關邊沿的典型開關節點電壓波形。如圖所示,開關邊沿速度明顯變慢,導致開關損耗增加,最小占空比或降壓比顯著增加,更不用說對性能產生的其他負面影響。
降低開關頻率也會增加轉換器電感、輸出電容和輸入電容的物理尺寸。同時,需要使用一個大尺寸π濾波器以通過傳導輻射測試。隨著開關頻率降低,濾波器中的電感L和電容C需相應增大。在低壓線路滿載條件下,電感電流額定值應大于最大輸入電流。因此,前端需要使用一個大尺寸電感和多個電容以符合嚴格的EMI標準。
例如,在400 kHz(而不是2 MHz)開關頻率下,除了增加電感和電容的尺寸外,EMI濾波器中的電感和電容也必須相對較大,才能達到汽車應用中的傳導EMI標準要求。其中一個原因是它們不僅必須衰減400 kHz的開關基頻,還必須衰減高達1.8 MHz的所有諧波。工作頻率為2 MHz的穩壓器就沒有這個問題。圖2為2 MHz解決方案和400 kHz解決方案的尺寸對比。
屏蔽可能是減少電磁輻射的最后一種補救方式,但屏蔽需要占用空間,而應用可能無法提供,并且需要進行額外的機械設計和測試迭代。
為避開AM頻率帶寬并保持較小的解決方案尺寸,汽車應用首選2 MHz或更高的開關頻率。避免AM頻段后,就只有確保將高頻噪聲(也稱為諧波)和開關振鈴降至最低的問題。遺憾的是,高頻開關通常 會導致電磁輻射從30 MHz增加到1 GHz。
有些開關穩壓器具有快速干凈的開關邊沿,可減少EMI,如ADI Power by Linear™系列中的Silent Switcher®器件。我們先來看看其他一些有用的功能。

圖1.慢開關邊沿意味著除了占空比損耗之外,還存在大量開關損耗。

圖2.2 MHz解決方案與400 kHz解決方案尺寸對比。
展頻(SSFM)是一項在已知范圍內使系統時鐘抖動的技術,由此將EMI能量分布在頻域上。雖然普通開關電源所選的開關頻率通常會在AM頻段之外(530 kHz至1.8 MHz),但在AM頻段內,未經調制的開關諧波仍可能不符合嚴格的汽車EMI要求。添加SSFM功能可明顯減少AM頻段內及其他區域中的EMI。

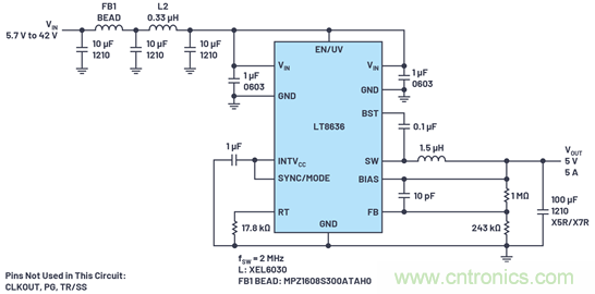
圖3.展頻模式下的超低EMI LT8636 5 V/5 A降壓轉換器,峰值電流為7 A,工作電壓5.7 V至42 V。
圖3顯示了一個超低EMI且高效率的12 V至5 V/5 A轉換器,其使用LT8636Silent Switcher單片式降壓穩壓器在2 MHz開關頻率下工作。圖4顯示了測試演示電路在14 V輸入和5 V、5 A輸出時的傳導和輻射EMI性能。在前端,小電感和陶瓷電容有助于濾除傳導噪聲,而鐵氧體磁珠和陶瓷電容有助于減少輻射噪聲。兩個小陶瓷電容放在輸入和接地引腳上,將熱回路面積減至最小,同時分離熱回路,幫助消除高頻噪聲。
為改進EMI性能,電路設置為在展頻模式下工作:SYNC/MODE = INTVCC。使用三角頻率調制來調節開關頻率,調節范圍為RT設置的值到比該值約高20%,即LT8636設為2 MHz時,在3 kHz速率下,頻率將在2 MHz至2.4 MHz之間變化。
從傳導EMI頻譜可以明顯看出,峰值諧波能量被分散開來,從而降低了任何特定頻率的峰值幅度—由于擴頻功能,噪聲至少減少了20 dBμV/m。從輻射EMI頻譜也可以明顯看出,展頻模式也可以減少輻射EMI。該電路符合嚴苛的汽車級CISPR 25 Class 5輻射EMI要求,僅需在輸入側使用簡單的EMI濾波器。

圖4.具有和沒有展頻模式的CISPR 25電磁輻射EMI。
整個負載范圍內的高效率
汽車應用中的電子器件數量只增不減,大多數器件的每次設計迭代都需要更多的電源電流。有源負載電流如此高,重載效率和適當的熱管理就成為首要考慮因素,可靠的運行取決于散熱管理,不受控制產生熱量可能會導致代價高昂的設計問題。
系統設計人員也關注輕載效率,由于電池使用壽命主要取決于輕載或空載時的靜態電流,因此輕載效率和重載效率一樣重要。必須在硅芯片和系統級設計中權衡滿載效率、空載靜態電流和輕載效率。
為了在滿載時達到高效率,應最小化FET(特別是底部FET)的RDS(ON),這看起來很簡單。但是,具有低RDS(ON) 的晶體管的電容通常相對較高,開關和柵極驅動損耗隨之增加,也會增加裸片尺寸和成本。相反,LT8636單片式穩壓器具有很低的MOSFET傳導電阻,在滿載條件下的效率很高。LT8636在靜止空氣中的最大輸出電流為5 A連續電流和7 A峰值電流,沒有任何額外的散熱器,從而簡化了可靠的設計。
為了提高輕載效率,在低紋波Burst Mode®(突發工作模式)下工作的穩壓器將輸入電容充電至所需的輸出電壓,同時最小化輸入靜態電流和輸出電壓紋波。在突發工作模式下,電流以短脈沖的形式傳遞到輸出電容,然后進入相對較長的休眠期,在此期間,大多數控制(邏輯)電路關閉。
為了提高輕載效率,可選用更大值的電感,因為在短脈沖期間可向輸出傳遞更多能量,降壓穩壓器也可在每個脈沖之間的休眠模式下保持更長時間。通過盡可能延長脈沖之間的時間,盡量減少每個短脈沖的開關損耗,單片式降壓轉換器靜態電流可在單片式穩壓器(如LT8636)中達到2.5 μA。而市場上的典型部件為幾十甚至幾百μA。
圖5顯示使用LT8636的汽車應用由12 V輸入提供3.8 V/5 A輸出的高效率解決方案。電路在400 kHz下運行可達到高效率,并使用XAL7050-103 10 μH電感。在低至4 mA和高至5 A的負載下,可保持90%以上的效率。峰值效率在1 A時為96%。

圖5.采用XAL7050-103電感的12 V至3.8 V/5 A解決方案的效率(fSW = 400 kHz)。
圖6顯示該解決方案1 μA至5 A時的效率。內部穩壓器由5 V輸出通過BIAS引腳供電,以盡可能降低功耗。峰值效率達到95%;由13.5 V輸入提供5 V輸出的滿載效率為92%。對于5 V應用低至30 mA的負載,輕載效率保持在89%或以上。轉換器在2 MHz下運行,測試用電感為XEL6060-222,以優化相對緊湊型解決方案中的重載和輕載效率。使用更大的電感,可將輕載效率進一步提高到90%以上。 反饋電阻分壓器中的電流以負載電流形式出現在輸出端時降至最低。.

圖6.使用XEL6060-222電感和LT8636的13.5 V至5 V和3.3 V解決方案的效率(fSW= 2 MHz)。
圖7顯示該解決方案在4 A恒定負載和4 A脈沖負載(共8 A脈沖負載)以及10%占空比(2.5 ms)下的熱性能 — 靜止空氣環境室溫下,13.5 V輸入。即使在40 W脈沖功率和2 MHz開關頻率下,LT8636外殼溫度都保持低于40°C,使得電路在沒有風扇或散熱器的情況下也能短時間內以高達8 A電流安全運行。由于采用增強散熱型封裝技術,并且LT8636在高頻率下具有高效率,因此采用3 mm × 4 mm LQFN封裝可實現這一目標。

圖7.3 mm × 4 mm LT8636在13.5 V至5 V/4 A恒定負載加4 A脈沖負載(10%占空比)下的熱圖顯示溫度上升。
通過高頻操作縮小解決方案尺寸
汽車應用中的空間越來越寶貴,因此必須縮小電源尺寸以便置入電路板中。提高電源開關頻率可使用電容和電感等較小的外部組件。此外,如前所述,在汽車應用中,高于2 MHz(或低于400 kHz)的開關頻率可將基頻保持在AM無線電頻段之外。我們來比較一下常用的400 kHz設計和2 MHz設計。在這種情況下,增加五倍開關頻率達到2 MHz會將所需電感和輸出電容減少到400 kHz設計的五分之一。似乎很容易。然而,由于使用高頻解決方案本身就需要進行一些權衡考量,因此即使支持高頻的IC也可能無法在許多應用中使用。
例如,在高降壓比應用中的高頻操作需要較低的最小導通時間。根據方程VOUT = TON × fSW × VIN,在2 MHz操作頻率下,需要約50 ns的最小開關導通時間(TON)才能通過24 V輸入電壓產生3.3 V輸出電壓。如果電源IC無法實現此低導通時間,則必須跳過脈沖以保持低穩壓輸出 — 實質上無法達到高開關頻率的目的。換言之,等效開關頻率(由于脈沖跳躍)可能在AM頻段。由于最小開關導通時間為30 ns,LT8636允許在2 MHz下直接從高VIN轉換為低VIN to low VOUT 。與之相比,許多器件限制為最小>75 ns,這就需要它們在低頻率(400 kHz)下操作,從而實現更高的降壓比以避免跳躍脈沖。
高開關頻率的另一個常見問題是開關損耗趨于增加。與開關相關的損耗包括開關導通損耗、關斷損耗和柵極驅動損耗 — 都與開關頻率近似線性相關。縮短開關導通和關斷時間可改善這些損耗特性。LT8636開關導通和關斷時間很短,不到5 V/ns,可實現最小死區時間和最小二極管時間,從而降低了高頻下的開關損耗。.
本解決方案中使用的LT8636采用3 mm × 4 mm QFN封裝以及具有集成電源開關的單片式結構,同時提供所有必需的電路功能,共同構成PCB占用空間最小的解決方案。IC下方的大面積裸露接地焊盤通過極低的熱阻(26°C/W)路徑將熱量引導到PCB,從而減少了額外的熱管理需求。此封裝采用FMEA兼容設計。Silent Switcher技術減少了熱回路的PCB面積,因此使用簡單的濾波器即可輕松解決這種高開關頻率下的輻射EMI問題,如圖3所示。
結論
只要精心選擇IC,無需反復權衡考量,就可以生產出適合汽車應用的緊湊型高性能電源。就是說,可以同時實現高效率、高開關頻率和低EMI。為了舉證說明可實現的緊湊型設計,本文中的解決方案選擇使用LT8636,這是一款采用3 mm × 4 mm LQFN封裝的42 V、5 A連續/7 A峰值單片式降壓Silent Switcher穩壓器。在此IC中,VIN引腳分離并對稱放置在IC上,從而分離了高頻熱回路,使磁場相互抵消,以抑制電磁輻射EMI。此外,同步設計和快速開關邊沿可提高重載效率,而低紋波突發工作模式對輕載效率有利。
LT8636的3.4 V到42 V輸入范圍和低壓差也適用于汽車應用,使其能夠在汽車啟動或負載突降情況下工作。在汽車應用中,系統設計人員在嘗試縮小電源解決方案尺寸時往往會面對很多權衡考量,但采用本文中的設計,設計人員無需權衡即可實現所有性能目標。
推薦閱讀:



