【導讀】我們應該都清楚,MOSFET 的柵極和漏源之間都是介質層,因此柵源和柵漏之間必然存在一個寄生電容CGS和CGD,溝道未形成時,漏源之間也有一個寄生電容CDS,所以考慮寄生電容時,MOSFET 的等效電路就成了圖 2 的樣子了。
我們應該都清楚,MOSFET 的柵極和漏源之間都是介質層,因此柵源和柵漏之間必然存在一個寄生電容CGS和CGD,溝道未形成時,漏源之間也有一個寄生電容CDS,所以考慮寄生電容時,MOSFET 的等效電路就成了圖 2 的樣子了。但是,我們從MOSFET 的數據手冊中一般看不到這三個參數,手冊給出的參數一般是 CISS、COSS和CRSS(見圖 1 ),

圖 1 某數據手冊關于寄生電容的描述
它們與CGS、CGD、CDS的關系如下:
CISS=CGS+CGD(CDS 短路時),COSS=CDS+CGD,CRSS=CGD

圖 2 考慮寄生電容時的MOSFET模型
下面看一下這些寄生參數是如何影響開關速度的。如圖 3,當驅動信號 Ui到來的一瞬間,由于MOSFET處于關斷狀態,此時CGS 和CGD上的電壓分別為UGS=0, UGD=-VDD,CGS和 CGD上的電荷量分別為 QGS= 0,QGD= UGDCGD=VDDCGD。接下來 Ui通過 RG對 CGS充電,UGS逐漸升高(這個過程中,隨著 UGS升高,也會伴隨著 CGD的放電,但是由于VDD遠大于UGS,CGD不會導致柵電流的明顯增加)。當UGS達到閾值電壓時,開始有電流流過MOSFET(事實上,當UGS還沒有達到閾值電壓時,已經有微小的電流流過 MOSFET 了),MOSFET 上承受的壓降由原來的 VDD開始減小, CGD上的電壓也會隨之減小,那么,也就伴隨著的 CGD 放電。
由于 CGD 上的電荷量 QGD= VDDCGD較大,所以放電的時間較長。在放電的這段時間內,柵極電流基本上用于 CGD 的放電,因此柵源電壓的增加變得緩慢。放電完成后,Ui通過RG繼續對CGS和CGD 充電(因為此時MOSFET已經充分導通,相當于CGS和CGD并聯),直到柵源電壓達到Ui,開啟過程至此完成。圖 4 的曲線很好地描繪了導通過程中UGS隨時間變化的曲線。需要注意的是,由于驅動提供的不是電流源,所以實際上的曲線并非直線,圖 4 僅代表上升趨勢。

圖 3 考慮寄生電容時的MOSFET驅動電路

圖 4 脈沖驅動下MOSFET柵源電壓上升曲線
同時,由上圖 3 不難看出,RG越大,寄生電容的充電時間將會越長。顯然,RG 太大時 MOSFET 不能在短時間內充分導通。在高速開關應用中(如 D 類功放、開關電源),這個阻值一般取幾Ω到幾十Ω。然而,即使是低速情況下,RG 也不宜取得太大,因為過大的RG會延長電容充電的時間,也就是MOSFET從關斷到充分導通的過渡時間。這段時間內,MOSFET處于飽和狀態(放大區),管子將同時承受較大的電壓和電流,從而引起較大的功耗。但是 RG如果取得太小或者直接短路的話,在驅動電壓到來的一瞬間,由于寄生電容上的電壓為零,前級需要流過一個很大的電流,造成對前級驅動電路的沖擊。
圖 5 為高速開關應用中常見的 MOSFET 驅動電路,以一對互補的 BJT 構成射隨器的形式滿足驅動電流的要求。其中Q1用于開啟時對寄生電容的充電,Q2用于關斷時對寄生電容的放電。有時候我們需要得到更快的關斷速度,通常在柵極電阻 R1 上并聯一個快恢復二極管,這樣的話,放電回路將經過這個二極管而不是電阻。

圖 5 常用的高速驅動電路

圖 6 增加泄放電阻的驅動電路
在實際應用中,我們通常還會在MOSFET的柵源之間并聯一個幾KΩ到上百K Ω的電阻(如圖 6 的R2),這是為了在輸入柵源電壓不確定時(如前級驅動電路失效),防止 MOSFET 處于非理性狀態。

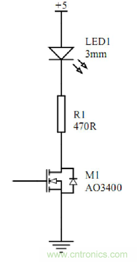
圖 7 殘留電荷導致MOSFET開啟的實驗電路
我們可以做這樣一個實驗:連接如圖 7 的電路,我們會發現,即使柵極懸空,LED 也會發光。這說明,柵源之間出現了高于閾值的電壓,產生這一電壓的原因是寄生電容上的殘留電荷。殘留電荷使得 UGS高于閾值電壓但又不足以使 MOSFET 充分導通。結果是 MOSFET 工作在放大狀態(飽和區),管子承受很大的功耗從而造成器件的損壞。這種現象更容易發生在低閾值電壓的MOSFET 中。為了防止這種情況發生,往往通過柵源間的并聯電阻泄放寄生電容上的殘留電荷。
免責聲明:本文為轉載文章,轉載此文目的在于傳遞更多信息,版權歸原作者所有。本文所用視頻、圖片、文字如涉及作品版權問題,請電話或者郵箱聯系小編進行侵刪。




