【導讀】在本文中,我們將介紹施密特觸發器,使用晶體管、運放的一些基本實現,施密特觸發器如何工作以及一些重要的應用。
介紹
當在不使用反饋的開環模式下(例如在基本比較器電路中)操作運算放大器時,運算放大器的非常大的開環增益將導致最小的噪聲電壓來觸發比較器。
如果將比較器用作過零檢測器,則這種錯誤觸發會引起很多問題。由于噪聲的過零而不是實際輸入信號的過零,因此可能會給出錯誤的過零指示。
為了避免在輸出的高低狀態之間進行這種不必要的切換,使用了一種稱為施密特觸發器的特殊電路,該電路涉及一個正反饋。
什么是施密特觸發器?
施密特觸發器由奧托·施密特(Otto Schmitt)于1930年代初發明。它是一種在正反饋的幫助下將遲滯添加到輸入輸出轉換閾值的電子電路。這里的磁滯意味著它為上升沿和下降沿提供了兩個不同的閾值電壓電平。
本質上,施密特觸發器是雙穩態多諧振蕩器,其輸出會無限期地保持在任何一個穩定狀態。為了使輸出從一種穩定狀態變為另一種穩定狀態,輸入信號必須適當地變化(或觸發)。
施密特觸發器的這種雙穩態操作需要具有正反饋(或再生反饋)且環路gin大于1的放大器。因此,施密特觸發器也被稱為再生比較器。

例如,如果我們有一個如下所示的噪聲輸入信號,則施密特觸發器電路的兩個閾值將正確確定脈沖。因此,施密特觸發器的基本功能是將有噪聲的方波,正弦波,三角波或任何周期性信號轉換為具有尖銳前緣和后緣的干凈的方波。
使用晶體管的施密特觸發器
如前所述,施密特觸發器基本上是一個雙穩態電路,其輸出狀態由輸入信號控制。因此,它可用作電平檢測電路。以下電路顯示了基于晶體管的施密特觸發器的簡單設計。

即使該電路看起來像典型的雙穩態多諧振蕩器電路,但實際上卻有所不同,因為該電路缺少從Q2的集電極到Q1的輸入的耦合。Q1和Q2的發射極相互連接并通過R E接地。同樣,R E充當反饋路徑。
基于運算放大器的施密特觸發器電路
由于施密特觸發器電路本質上是具有正反饋的放大器,因此可以使用運算放大器或簡單地使用運算放大器來實現此設置。根據施加輸入的位置,基于運算放大器的電路可以進一步分為反相施密特觸發器和同相施密特觸發器。

施密特反相觸發電路
顧名思義,在施密特反相觸發器中,輸入被施加到運算放大器的反相端子。在這種模式下,產生的輸出具有相反的極性。該輸出被施加到同相端子以確保正反饋。

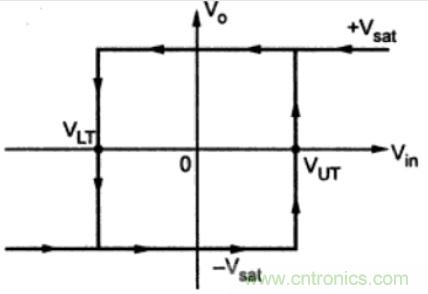
當V IN略大于V REF時,輸出變為-V SAT;如果V IN略小于-V REF(比-V REF更大的負值),則輸出變為V SAT。因此,輸出電壓V O為V SAT或-V SAT,可以使用R1和R2控制發生這些狀態變化的輸入電壓。
V REF和-V REF的值可以表示如下:
V REF =(V O x R2)/(R1 + R2),V O = V SAT。因此, V REF =(V SAT x R2)/(R1 + R2)
-V REF =(V O x R2)/(R1 + R2),V O = -V SAT。因此, -V REF =(-V SAT x R2)/(R1 + R2)
參考電壓V REF和-V REF稱為上閾值電壓V UT和下閾值電壓V LT。下圖顯示了輸出電壓與輸入電壓的關系圖,也稱為施密特觸發器的傳輸特性。

對于純正弦輸入信號,下圖顯示了反相施密特觸發器電路的輸出。

同相施密特觸發器電路
對于同相施密特觸發器,在這種情況下,輸入被施加到運算放大器的同相端子。輸出電壓通過電阻R1反饋到同相端。

讓我們假設,最初,輸出電壓為V SAT。直到V IN變少大于V LT,將輸出保持在這個飽和水平。輸入電壓超過下閾值電壓電平后,輸出將狀態更改為-V SAT。
輸出保持在此狀態,直到輸入上升到高于上限閾值電壓為止。
下圖顯示了同相施密特觸發器電路的傳輸特性。

如果將純正弦信號用作輸入,則輸出信號看起來像這樣。

應用領域
施密特觸發器的一項重要應用是將正弦波轉換為方波。
它們可用于消除比較器中的顫動(由于輸入信號通過閾值區域的擺動而產生多個輸出轉換的現象)。
它們還可以充當簡單的ON / OFF控制器(例如,基于溫度的開關)。
推薦閱讀:



