【導讀】集成了主機和屏幕的車載顯示面板大多數放置在主控臺的中央(圖1),顯示面板的位置較低會對駕駛員查看信息或者導航地圖造成不便,進而對行車安全造成影響。以后越來越多的車載顯示面板會放置在主控臺上方,甚至略高于主控臺(圖2)。
針對上述情況,有些應用會將音頻放大器和主機分離,并且將音頻放大器放置在較低的位置,現有的低成本音頻放大器采用模擬信號輸入,因此主機輸出的模擬音頻信號需要經過一段較長距離的傳輸才能到達音頻放大器。

圖1車載顯示面板位置較低情況 圖2 車載顯示面板位置較高情況
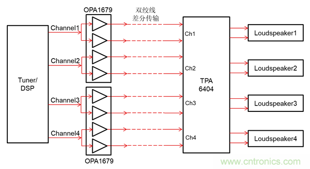
針對車載顯示面板遠離音頻放大器的應用,我們設計了一種低成本的差動音頻信號傳輸方案,如下圖3所示。Tuner/DSP輸出四路模擬音頻信號,音頻信號經過兩片OPA1679后轉換成四對差分信號,經過雙絞線的差分傳輸后進入TPA6404,最終通過揚聲器實現音頻放大。

圖3 差動音頻信號傳輸方案
一方面,上述方案利用OPA1679將音頻模擬信號轉換為差分信號進行傳輸,增強了音頻信號傳輸過程中的抗干擾能力,而且,四通道OPA1679能夠實現更低的成本。另一方面,因為TPA6404是差分模擬信號輸入,相比單端輸入的音頻放大器不需要差分轉單端器件,因此具有成本優勢。
使用OPA1678實現的單端轉差分信號的具體電路如下圖4所示,OPA1678和OPA1679的區別僅僅在于集成的運放數量不同,OPA1678集成了兩個音頻運算放大器,而OPA1679集成了四個音頻運算放大器。OPA1679的共模電壓VCM的范圍是(Vss+0.5V)~(Vdd-2V),本設計使用5V單電源供電,因此其輸入電壓范圍是0.5V~3V,為了最大化輸入電壓范圍,共模電壓設置為1.75V,R2和R3能夠為U1和U2運放提供共模電壓偏置,偏置電壓計算如下:

本設計中VDD等于5V電源電壓。U1和外圍電路形成了同向放大電路,正向輸出電壓為

U2和外圍電路形成了反向放大電路,反向輸出電壓為

OPA1679的輸出電壓范圍是0.8V~4.2V,需要保證經放大后的輸出電壓信號在此范圍內。

圖 4 使用OPA1678實現的單端轉差分信號電路
通過令R7開路, R8等于0?,并且R4=R5=47K?,電路的放大倍數被設置為1,Vout+ =Vin,Vout- =(-Vin)。實際的電路仿真結果如下圖5所示,輸入信號Vin=2Vpp。圖中,Vout+為正相輸出信號,Vout-為反相輸出信號,從圖中可以看出,上述方案能夠實現既定的單端轉差分信號功能,并且單端輸出信號幅度能夠達到2Vpp。

圖 5 放大倍數為1時,單端轉差分電路測試結果
免責聲明:本文為轉載文章,轉載此文目的在于傳遞更多信息,版權歸原作者所有。本文所用視頻、圖片、文字如涉及作品版權問題,請聯系小編進行處理。
推薦閱讀:




