【導讀】溫控式風扇是通過智能溫度控制,使風扇可以感知環境的溫度,以調節風扇的轉速,達到更好的工作效果。其中有個比較重要的元器件就是熱敏電阻,它屬于負溫度系數熱敏電阻,溫度升高,阻值變小,給風扇提供了比較合適的工作電壓。
熱敏電阻溫度控制風扇,一般簡稱溫控式風扇,不僅適用方便,而且節能,是電風扇的一種未來發展方向。其原因是通過智能溫度控制,使風扇可以感知環境的溫度,以調節風扇的轉速,達到更好的工作效果。其中有個比較重要的元器件就是熱敏電阻,它屬于負溫度系數熱敏電阻,溫度升高,阻值變小,給風扇提供了比較合適的工作電壓。
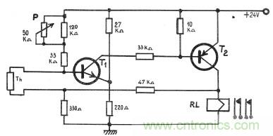
這里介紹的這種電子電路,可用于溫控式風扇或其他設備使用,可以構建一個非常簡單的電子溫控電路 。撕開或關閉受控的溫度設置使用50kohms電位。當溫度超過預設溫度低,T2晶體管進行激活繼電器熱元件(熱敏電阻),或者如果在繼電器端子連接風扇,電路將關閉風扇。

T1的晶體管必須是NPN型BCY58類型(或類似)和T2的晶體管必須是 PNP型BCY78(或類似)。熱敏電阻器必須安裝在那個地方,需要一個恒定的溫度(溫度控制)。這種電子溫控電路需要使用一個24伏直流電源供電,所以你需要使用一個24伏繼電器。在這個項目中所用的熱敏電阻值5K歐姆。

圖:f8 tc 熱敏電阻溫控機箱風扇



