【導讀】SIM卡也稱為智能卡、用戶身份識別卡,GSM數字移動電話機必須裝上此卡方能使用。它在一電腦芯片上存儲了數字移動電話客戶的信息,加密的密鑰以及用戶的電話簿等內容,可供GSM網絡客戶身份進行鑒別,并對客戶通話時的語音信息進行加密。
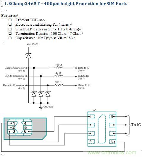
SIM卡數據線路保護一直是各個公司的產品重點,而且專門為此類端口設計的集ESD(TVS)/EMI/RFI防護于一個芯片的器件,充分體現了片式器件的無限集成方案。
在針對不同用途選擇器件時,要避免使器件工作在其設計參數極限附近,還應根據被保護回路的特征及可能承受ESD沖擊的特征選用反應速度足夠快、敏感度足夠高的器件,這對于有效發揮保護器件的作用十分關鍵,另外集成它功能的器件也應當首先考慮。Semtech公司有專有的ESD/EMD TVS器件給SIM卡保護。

圖1:400 pm height protection for SIM Ports

圖2:SIM Port with SWP Line





