【導讀】節能舉措,如企業服務器和云數據中心電源的“80+ Titianium”,以及外部電源適配器的歐盟行為準則(CoC) Tier 2,正使電源設計人員轉而選擇GaN開關技術,以實現更高能效的設計。由于GaN并不是現有硅技術的直接替代品,為了獲得最大的優勢,驅動器和布板必須與新技術相匹配。
節能舉措,如企業服務器和云數據中心電源的“80+ Titianium”,以及外部電源適配器的歐盟行為準則(CoC) Tier 2,正使電源設計人員轉而選擇GaN開關技術,以實現更高能效的設計。由于GaN并不是現有硅技術的直接替代品,為了獲得最大的優勢,驅動器和布板必須與新技術相匹配。
對比GaN和硅開關
GaN是高速器件,因其電容很低,且可在沒有反向恢復電荷的情況下反向導電(第三象限),這在硬開關應用中是個真正的優勢。因此,損耗較低,但也有一些缺點。一是器件沒有雪崩電壓額定值,門極驅動相當關鍵,絕對最大額定電壓典型值僅為+/-10V,而Si器件為+/-20V。另外,增強型(E-mode)GaN通常是關斷的器件,其1.5V左右的門極導通閾值也低于Si的約3.5V。關鍵的是,能否實現低損耗、高功率密度和高可靠性的預期優勢,取決于具有強固保護特性的優化門極驅動電路。
GaN門極驅動對性能至關重要
為了充分增強,E-mode GaN開關需要驅動到約5V,但不很高;除了保持在絕對最大限值內,門極電路中的功耗隨門極驅動電壓和頻率的變化而變化。在器件電容和門極電荷較低的情況下,平均驅動功率可以很低。但由于開關是納秒級的,峰值電流可以很高,為安培級,因此驅動電路需要匹配這速度,但仍然能夠提供大量的電流。
理論上,GaN器件在VGS= 0安全關斷,但是如果沒有從驅動器返回到開關源的閉合“開爾文”連接,則所得到的連接電感在器件開關時引起電壓尖峰(圖1)。這與門極驅動器相對,最佳地降低驅動電壓裕量,和最壞的導致寄生導通從而具有潛在的破壞性結果。門極可負驅動以抵消效應,但是通過謹慎的布局和便于開爾文連接的驅動器可以避免這種復雜性。“Miller”電容可引起類似的效應,但對于GaN,這可忽略不計。

圖1:源極和門極驅動共有的電感會引起電壓瞬變
高邊門極驅動的挑戰
一些轉換拓撲采用‘高邊’開關,其門極驅動器返回是高壓開關節點。驅動器必須電平移位,并且不受從輸出到輸入的dv/dt影響,對于GaN,dv/dt可能是100 V/ns以上。此外,在這種情況下,需要很好的控制通過驅動器的傳播延遲,以便匹配低邊和高邊信號,避免發生災難性的“擊穿”,同時盡可能保持最小的死區時間。甚至低邊驅動器有時也需要信號和接地電源之間一定的電平移位,以避免從驅動器輸出級到輸入端的噪聲耦合,這耦合可能會導致異常運行或最壞的設備故障。
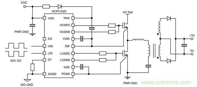
有源鉗位反激應用示例

圖2:GaN有源鉗位反激轉換器概覽
圖2顯示安森美半導體的NCP51820 GaN門極驅動器及NCP1568有源鉗位反激控制器。該驅動器采用具有調節的+5.2V幅值的門極驅動器用于高邊和低邊輸出最佳增強型GaN。其高邊共模電壓范圍-3.5V到+650V,低邊共模電壓范圍為-3.5至+3.5V,dv/dt抗擾度200 V/ns,采用了先進的結隔離技術。如果在低邊器件源極有一個電流檢測電阻器,低邊驅動電平移位使開爾文連接更容易。驅動波形的上升和下降時間為1ns,最大傳播延遲為50 ns,且提供獨立的源汲輸出,以定制導通和關斷邊沿率,達到最佳的EMI/能效。
LLC轉換器應用示例
該LLC轉換器(圖3)的一個特點是驅動波形為50%的占空比。因此,控制死區時間以不發生重疊至關重要。

圖3:基于GaN的LLC轉換器概覽
所示的安森美半導體NCP51820驅動器確保門極驅動不重疊。該器件還含一個使能輸入和全面的保護,防止電源欠壓和過溫。它采用PQFN、4×4mm 的15引線封裝,使短、低電感連接到GaN器件的門極。
布板至關重要
在所有應用中,布板是成功的關鍵。門驅動回路必須最小化和匹配,驅動器和GaN器件應置于PCB同側,并使用接地/電源面。
對于GaN開關,需要仔細設計其門極驅動電路,以實現更高能效、功率密度及可靠性。此外,謹慎的布板,使用專用驅動器如安森美半導體的NCP51820,及針對高低邊驅動器的一系列特性,確保GaN器件以最佳性能工作。




