【導讀】作為第三代半導體產業發展的重要基礎材料,碳化硅MOSFET具有更高的開關頻率和使用溫度,能夠減小電感、電容、濾波器和變壓器等組件的尺寸,提高系統電力轉換效率,并且降低對熱循環的散熱要求。在電力電子系統中,應用碳化硅MOSFET器件替代傳統硅IGBT器件,可以實現更低的開關和導通損耗,同時具有更高的阻斷電壓和雪崩能力,顯著提升系統效率及功率密度,從而降低系統綜合成本。
作為第三代半導體產業發展的重要基礎材料,碳化硅MOSFET具有更高的開關頻率和使用溫度,能夠減小電感、電容、濾波器和變壓器等組件的尺寸,提高系統電力轉換效率,并且降低對熱循環的散熱要求。在電力電子系統中,應用碳化硅MOSFET器件替代傳統硅IGBT器件,可以實現更低的開關和導通損耗,同時具有更高的阻斷電壓和雪崩能力,顯著提升系統效率及功率密度,從而降低系統綜合成本。

圖:SiC/Si器件效率對比
一、行業典型應用
碳化硅MOSFET的主要應用領域包括:充電樁電源模塊、光伏逆變器、光儲一體機、新能源汽車空調、新能源汽車OBC、工業電源、電機驅動等。
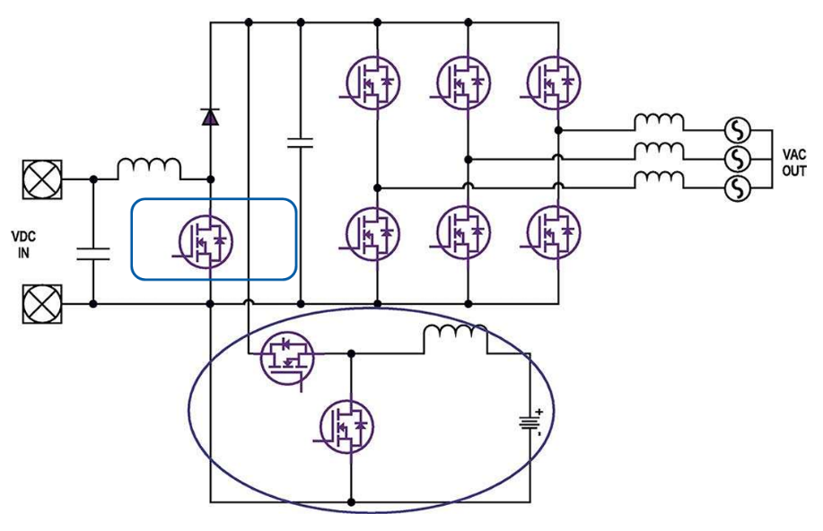
1.充電樁電源模塊
與下游數量較多的充電樁制造商和運營商不同,目前充電模塊行業玩家數量有限。歷經過去幾年的激烈競爭,行業逐漸出清。目前主流企業僅10家左右,包括特來電、盛弘股份、科華恒盛等為代表的自產自用型;以及英飛源、優優綠能、星源博睿、英可瑞等為代表的外供型兩類。
隨著新能源汽車800V平臺的出現,主流充電模塊也從之前主流的15、20kW向30、40kW發展,輸出電壓范圍300Vdc-1000Vdc,并且具備雙向充電功能,以達到V2G/V2H等技術要求。因此,越來越多充電模塊企業開始采用SiC MOS方案。

圖:新能源充電樁中SiC的應用
2.光伏逆變器
在全球可再生能源的大力發展以及“雙碳”戰略目標的推動下,全球光伏產業迅速擴張,光伏逆變器市場整體也呈現高速發展趨勢。根據海關總署數據,從出貨情況來看,2023逆變器累計出口99.54億美元,同比+11%。
經過多年的市場競爭,當前我國光伏逆變器行業已經形成較為集中、整體競爭較為充分的格局。同時,國內知名逆變器品牌仍保持快速增長,出貨量及全球市場占有率也在穩步提升。數據顯示,2022年全球光伏逆變器供應商出貨量市場排名前五的企業是:陽光電源、華為、古瑞瓦特、錦浪科技和SMA。而在研究機構BNEF公布的“全球最具融資價值光伏逆變器品牌”前十名榜單中,也有6家中國逆變器企業入圍,其中,正泰電源、華為、陽光電源居于前三,錦浪、特變電工、固德威也位列其中。

圖:光伏逆變器中SiC的應用
3.光儲一體機
光儲一體機采用電力電子控制技術,通過智能控制實現能量轉移,協調控制光伏與儲能電池,平抑功率波動,并通過儲能變流技術輸出滿足標準要求的交流電能向負載供電,滿足用戶側多場景應用,廣泛應用于離網光伏電站、分布式后備電源、儲能電站等場合。國內光儲一體機生產企業主要有:科陸電氣、盛弘股份、興儲世紀、時代能創、精石電氣、錦宇新能源、智源新能、采日能源、華自科技、邦照電氣等。

圖:光儲一體機中SiC的應用
4.新能源汽車空調
隨著800V平臺在新能源汽車上的興起,在汽車空調壓縮機控制器方案中,SiC MOS憑借其高壓高效、貼片封裝體積小等優勢,成為市場首選。行業頭部客戶如弗迪科技、翰昂、華域三電、蘇州中成、奧特佳、海立、威靈、上海光裕、重慶超力等。

圖:新能源汽車空調中SiC的應用
5.大功率OBC
三相OBC電路中SiC MOS應用更高的開關頻率,可以減小磁性元器件體積和重量,提高效率和功率密度,同時高系統母線電壓,大大減少功率器件數量,便于電路設計,提高可靠性。

圖:大功率OBC中SiC的應用
6.工業電源
工業電源主要應用于如醫療電源、激光電源、逆變焊機、大功率DC-DC電源、軌道牽引機等,需要高壓、高頻、高效率的應用場景。
二、競爭格局
調研機構Yole報告顯示,由于SiC MOS晶圓的產能限制,頭部SiC品牌如意法半導體(ST)、英飛凌科技(Infineon)、Onsemi、Wolfspeed和Rohm主力出貨市場都集中在新能源汽車行業, 包括電驅、OBC和 DC/DC, 新能源汽車市場在2022年占據功率SiC市場份額的70%,到2028年,預測這一比例將增長至74%。

圖:SiC主要應用市場及占比
在國產碳化硅功率器件企業中,基本半導體依托強大的技術團隊,以及在車規級SiC模塊產品積累的豐富經驗,研發推出的第二代SiC MOS在光伏儲能、充電樁、工業電源、新能源汽車等領域都有量產出貨,廣受市場歡迎。
深圳基本半導體有限公司是中國第三代半導體創新企業,專業從事碳化硅功率器件的研發與產業化,研發覆蓋碳化硅功率半導體的芯片設計、晶圓制造、封裝測試、驅動應用等產業鏈關鍵環節。核心產品包括碳化硅二極管和MOSFET芯片、汽車級及工業級碳化硅功率模塊、功率器件驅動器及門極驅動芯片等,性能達到國際先進水平。公司在深圳投產6英寸碳化硅芯片產線、無錫投產汽車級碳化硅功率模塊專用產線;自主研發的汽車級碳化硅功率模塊已收獲了近20家整車廠和Tier1電控客戶的30多個車型定點,成為國內第一批碳化硅模塊量產上車的頭部企業;采用自研芯片的碳化硅功率器件已累計出貨數千萬顆,服務于光伏儲能、電動汽車、軌道交通、工業控制、智能電網等領域的全球數百家客戶。
三、產品選型表
基本半導體第二代碳化硅MOSFET系列產品基于6英寸晶圓平臺開發,比上一代產品在比導通電阻、開關損耗以及可靠性等方面表現更為出色。

圖:碳化硅MOSFET

圖:基本半導體SiC MOSFET產品選型表
四、總結
作為亞太區領先的電子元器件授權代理商Excelpoint世健旗下的全資子公司, Synergy世輝電子繼承了良好的技術基因, 能提供一站式的器件硬件支持, 同時也在培養自己的軟件工程師,后續還將提供高速電機的軟件測試支持, 助力客戶建立自主可控的應用開發能力,并縮短項目周期,在激烈的市場中早日占領高地。
(來源:世健)
免責聲明:本文為轉載文章,轉載此文目的在于傳遞更多信息,版權歸原作者所有。本文所用視頻、圖片、文字如涉及作品版權問題,請聯系小編進行處理。
推薦閱讀:




