【導讀】壓縮機是汽車空調的一部分,它通過將制冷劑壓縮成高溫高壓的氣體,再流經冷凝器,節流閥和蒸發器換熱,實現車內外的冷熱交換。傳統燃油車以發動機為動力,通過皮帶帶動壓縮機轉動。而新能源汽車脫離了發動機,以電池為動力,通過逆變電路驅動無刷直流電機,從而帶動壓縮機轉動,實現空調的冷熱交換功能。
壓縮機是汽車空調的一部分,它通過將制冷劑壓縮成高溫高壓的氣體,再流經冷凝器,節流閥和蒸發器換熱,實現車內外的冷熱交換。傳統燃油車以發動機為動力,通過皮帶帶動壓縮機轉動。而新能源汽車脫離了發動機,以電池為動力,通過逆變電路驅動無刷直流電機,從而帶動壓縮機轉動,實現空調的冷熱交換功能。
電動壓縮機是電動汽車熱管理的核心部件,除了可以提高車廂內的環境舒適度(制冷,制熱)以外,對電驅動系統的溫度控制發揮著重要作用,對電池的使用壽命、充電速度和續航里程都至關重要。

圖1:電動壓縮機是電動汽車熱管理的核心部件
電動壓縮機需要滿足不斷增加的需求,包括低成本、更小尺寸、更少振動和噪聲、更高功率級別和更高能效。這些需求離不開壓縮機驅動電路的設計和優秀器件的選型。
電動壓縮機控制器功能包括:驅動電機(逆變電路:包括ASPM模塊或者分立器件搭載門極驅動,電壓/電流/溫度檢測及保護,電源轉換),與主機通訊(CAN或者LIN ,接收啟停和轉速信號,發送運行狀態和故障信號)等,安森美(onsemi)在每個電路中都有相應的解決方案(圖1)。上一章,我們探討了安森美ASPM模塊方案在電動壓縮機上的應用,本文主要討論SiC MOSFET 分立方案。

圖2 電動壓縮機驅動電路控制框圖
SiC MOSFET的優勢
在上一章中,我們說明了安森美ASPM功率模塊在與分立器件對比上有極大的優勢。如果能把SiC MOSEFT放進ASPM模塊是最好的選擇。在SiC MOSEFT ASPM模塊量產之前,SiC MOSEFT分立器件由于其特有的優勢,成為眾多電動壓縮機開發客戶的選擇。
物理特性指標 | 4H-SiC | Si |
禁帶寬度(eV) | 3.26 | 1.12 |
臨界擊穿電場(mv/cm) | 3 | 0.3 |
熱導率(W/cm*K) | 4.9 | 1.5 |
飽和電子漂移速度(10^7cm/s) | 2.5 | 1 |
理論最高耐受結溫(℃) | 600 | 175 |
表1:SiC 與Si 器件的物理特性對比
1. SiC MOSEFT材料的優勢
10倍于si器件電介質擊穿場強:更小的晶圓厚度和Rsp,更小的熱阻
3倍以上的熱導率:更小的熱阻和更快的電子傳輸速度
2倍多的電子飽和速度:更快的開關速度
更好的熱特性:更高的溫度范圍
2.更小損耗及更高效率
以安森美適用于800V平臺電動壓縮機應用的最新一代IGBT AFGHL40T120RWD 和SiC MOSEFT NVHL070N120M3S 為例,根據I/V曲線來評估開通損耗, 在電流小于18A時,SiC MOSEFT的導通壓降都是小于IGBT的,而電動壓縮機在路上行駛過程中,運行電流會一直處于18A區間以內。即使是在極限電流下運行(比如快充時,壓縮機給電池散熱),有效值接近20A,在電流的整個正弦波周期內,SiC MOSEFT的開通損耗也不比IGBT差。

圖3: SiC 和IGBT 開通特性對比
開關損耗方面,SiC MOSEFT優勢明顯,雖然規格書的測試條件有一些差異,但可以看出SiC MOSEFT的開關損耗遠小于IGBT。
Symbol | Test Condition | NVHL070N120M3S | AFGHL40T120RWD | Unit |
td(ON) | Sic Mosfet: | 10 | 50.1 | ns |
tr | 24 | 293 | ns | |
td(OFF) | 29 | 30.9 | ns | |
tf | 9.6 | 189 | ns | |
EON | 254 | 1370 | uJ | |
EOFF | 46 | 1350 | uJ | |
Etot | 300 | 2720 | uJ |
表2: SiC 和IGBT 開關特性對比
我們使用相近電流規格的IGBT和SiC MOSEFT做了效率仿真,在最大功率下,SiC 也可以有效提高系統效率,尤其在高頻應用中更加明顯。

圖4: 電機應用中相近規格的IGBT /SiC MOSEFT效率對比
3. 適用于高頻應用
SiC MOSEFT是單極性器件,沒有拖尾電流,開關速度比IGBT快很多。這也是SiC MOSEFT比IGBT更適用于更高頻率應用的原因。而更高的驅動頻率(比如20kHz或以上),可以有效減小電機的噪音,提高電機系統的響應速度和動態抗干擾能力。另外,更高的頻率也會減少輸出電流的諧波失真,并能有效降低電機中線圈的損耗,進而提高壓縮機的整體效率。
4. 減少死區時間
在電機應用中,為了使開關管工作可靠,避免由于關斷延遲效應造成上下橋臂直通,需要設置死區時間 tdead,也就是上下橋臂同時關斷時間。由于SiC MOSEFT的開關時間短,實際應用中,可以使用更小的死區時間,以改善死區大,輸出波形失真大,驅動器輸出效率低的問題。
SiC MOSEFT使用過程需要考慮的問題及解決辦法
1.驅動電壓的選擇
從不同驅動電壓下的I/V曲線可以看出,Rdson會隨著驅動電壓的增加而減小。這意味著,驅動電壓越高,導通損耗越小。但是芯片門極的耐壓是有限的,比如NVH4L070N120M3S的驅動Vgs電壓范圍是?10V/+22V,而在SiC MOSEFT開關過程中,Vgs也會受到高dV/dt和雜散電感的影響,疊加一些電壓毛刺,因此Vgs有必要留一定的裕量。

圖5:不同Vgs下的I-V曲線
2. 低閾值電壓Vth的問題
SiC MOSEFT(尤其是平面型)具有在2V-4V范圍內的典型閾值電壓Vth,并且隨著溫度的升高,Vth還會進一步降低。另一方面,在半橋應用電路中,由于SiC MOSEFT開關過程的dV/dt很高,通過另一個半橋SiC MOSEFT的Cgd產生的電流流過驅動電阻,在Vgs上產生一個電壓,如果此電壓高于Vth就會有誤導通的風險,導致上下橋直通。因此在驅動上增加負電壓是有必要的。從下圖可以看出,增加負電壓還可以有效降低關斷損耗,使系統效率進一步提升。
使用安森美第三代的SiC MOSEFT,我們推薦使用+18V / -3V的電源驅動。

圖6:不同關斷電壓下的開關損耗對比

圖7: Vth-溫度特性曲線
3.有限的短路能力
SiC MOSEFT相對IGBT來說,Die尺寸很小,電流密度很高,發生短路時很難在極短時間內把短路產生的熱量傳導出去。另外,SiC MOSFET 在電流過大的情況下不會出現急劇飽和行為(與IGBT不同)。短路發生時電流很容易達到額定電流額定值的 10倍以上,與IGBT 運行相比要高得多。
因此,SiC MOSEFT的短路耐受時間相對較短,某些產品低于2us。快速檢測和快速關斷對于 SiC MOSEFT的可靠運行和長壽命至關重要。帶有去飽和功能(desat)的驅動芯片可以應對這種情況。通過設置desat保護的響應時間低于1us,可以有效的應對電動壓縮機運行過程中可能存在的短路情況。
SiC MOSEFT驅動芯片的選擇
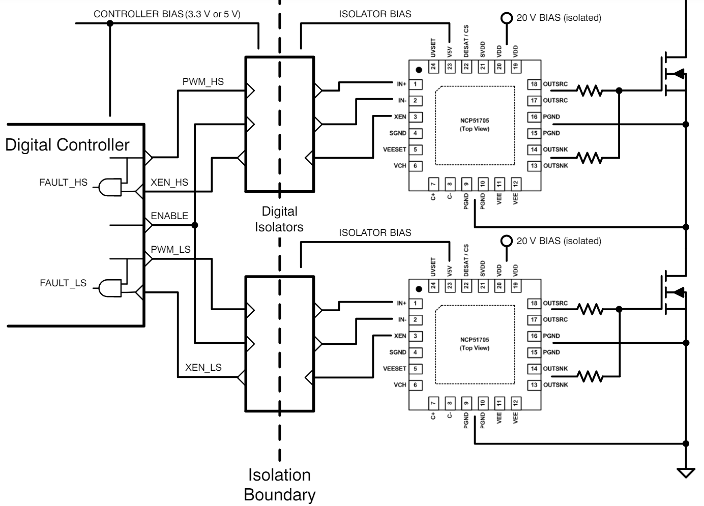
在電動壓縮機應用中,需要應對下橋和三路上橋的電源需求,增加負電源并不容易。針對這種情況,推薦使用自身可產生負壓,帶有desat保護,欠電壓保護UVLO以及過熱保護功能的專用SiC MOSEFT驅動芯片 NCV51705。基本功能如下:
Source/ Sink 電流: 6A/6A
Desat保護
可調負壓輸出:-3.4V / -5V / -8V
可調欠壓保護UVLO電壓
5V參考電壓輸出(供電給其他器件,比如隔離芯片)
過熱保護
應用電路推薦如下(下橋可以不用隔離)

圖8:NCV51705半橋應用電路
安森美的汽車級SiC MOSFET 分立器件
安森美有豐富的SiC MOSFET 產品,可以覆蓋市面上所有的分立電動壓縮機方案。以下是適用于800V平臺電動壓縮機的產品型號。

圖9:安森美(onsemi)部分1200V SiC產品(電動壓縮機)

圖10:安森美(onsemi) SiC MOSFET 產品系列
結語
盡管SiC MOSFET在電動壓縮機應用中存在一些挑戰,但通過合理的設計和技術選擇,可以有效地提高驅動頻率、降低系統噪聲并提高效率,最終有助于增加電動汽車的續航里程。
(作者:安森美公司)
免責聲明:本文為轉載文章,轉載此文目的在于傳遞更多信息,版權歸原作者所有。本文所用視頻、圖片、文字如涉及作品版權問題,請聯系小編進行處理。
推薦閱讀:
意法半導體超級傳感器助Sphere打造沉浸式體驗,開啟全新電影時代
DigiKey 發布其《未來工廠》視頻系列第 4 季,展示了創新工業自動化解決方案



