- 基于Buck變換器的LED驅動器與常規的Buck變換器的設計差異
- AOZ0181反饋環路的設計過程
- 不能直接測量Buck型LED驅動器增益裕量和相位裕量的原因
- 采樣低驅動電壓來降低LED功耗,提高效率
- 輸出電壓由串聯的LED的正向壓降確定
- 在FB管腳加電壓跟隨器
Buck降壓型LED驅動器和通用BUCK降壓型變換器的設計相同,但對于反饋環路的增益裕量和相位裕量的測試,卻和通常的Buck降壓型變換器有很大的不同,這是由于LED驅動器的特性決定的,本文將會討論這個有趣的問題。
1. Buck降壓型LED驅動器特點
Buck降壓型LED驅動器和通用Buck降壓型變換器最大的不同在于參考電壓的差異。通用Buck降壓型變換器的參考電壓通常是0.8V,1.25V等,用于設定輸出的電壓,輸出電流變化時,輸出電壓保持恒定,輸出的負載和輸出電容并聯,如圖1 所示。Buck降壓型LED驅動器的參考電壓通常是0.25V,0.2V,0.1V,用于設定LED的驅動電流,并保持LED的電流恒定。由于設定LED的驅動電流的取樣電阻和LED串聯,因此參考電壓越低,取樣電阻的功耗就越小。如果參考電壓過低,由于電流信號的取樣信號太小,容易受外干擾,影響取樣的精度;此外,同樣的電流所要求的取樣電阻值太小,也不容易選購。
在Buck降壓型LED驅動器中,LED電流設定電阻有低端和高端電流取樣兩種方式,如圖1 所示。低端電流取樣直接對地檢測電流,設計簡單,但容易受到共模的干擾,取樣精度差。高端電流取樣不容易受到共模的干擾,取樣精度高,但需要差動放大器。

2. AOZ1081工作特點
本文將基于AOZ1081來介紹反饋環的設計,因此先介紹一下AOZ1081的工作特點。AOZ1081是一款降壓型Buck變換器,工作于電流模式,其特點可以讓它配置成LED驅動器,同時也可以作為通用Buck變換器使用。其特點如下:
(1)內置了低端的續流二極管,因此無需外加肖特基二極管;
(2)具有內部的軟起動,因此無需外加軟起動電容;
(3)0.25V的參考電壓,保證電流取樣精度同時降低電流設定電阻的功耗;
(4)輸入工作電壓為4.5V到16V,具有Power On Reset POR功能,輸入電壓到4V時開始工作,輸入電壓低于3.7V,關斷;
(5)具有連續的1.8A最大的輸出電流;
(6)占空比從12%到100%,輸入輸出壓差低時可以工作于LDO方式;
(7)1MHz的工作頻率,可以使用小體積的電感和電容;
(8)在EN管腳可以加到最高到200Hz的PWM波形進行數字調光;
(9)具有過流保護OCP和輸出過壓保護OVP;(10)芯片具有過溫保護OTP功能。
去LED照明電源社區看看
[page]
3. 反饋設計
BUCK降壓型LED驅動器仍然工作于峰值電流模式,其外環是取樣LED的電流,反饋環路維持LED電流恒定,這樣,輸出的電壓就由串聯的LED的正向壓降來決定。
和通用的峰值電流模式一樣,LED驅動器功率級由一個零點和一個極點組成:

其中:CO為輸出電容,ESR為輸出電容等效串聯電阻,RL為等效負載電阻。
如果采用RC串聯網絡RC和CC連接在AOZ1081的COMP管腳和地之間,相當于增加一個零點和一個極點的補償:

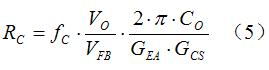
系統的穿越頻率fC決定系統的帶寬,帶寬越大,系統的響應越快,但容易受到高頻的干擾。通用帶寬設為開關頻率的1/10,對于AOZ1081,開關頻率為1M左右,因此穿越頻率可選取小于75K。所以,反饋網絡可以用下式計算:

RC和CC形成的零點通常放大主極點fP1附近,但要低于1/5的穿越頻率,所以:

4. BUCK降壓型LED驅動器反饋測量
對于通用BUCK降壓型變換器,可以直接在反饋分壓電阻器上部電阻中,直接串接一個100歐姆的電阻R,由R注入測試信號,測量增益裕量和相位裕量,用于決定的系統的穩定程度,如圖2所示。注意到,相對于輸出的負載電阻,此回路相當于一個高阻抗回路,因此不影響系統的正常工作。

但是對于LED驅動電路,不能直接將100歐姆的信號注入電阻串聯在LED的回路中,因此,LED回路是恒流工作,串入電阻后,就改變了的輸出的電壓和輸出功率,系統不是正常的工作狀態。
這樣,就必須引入一種隔離的電路,使注入的信號不影響電源系統的正常工作。通常,電壓跟隨器具有阻抗變化,也就是其輸入相當于開路,輸出相當于短路,同時,時還具有緩沖的作用,也就是在信號源和負載之間緩沖,將輸入信號無損耗的輸出。因此,可以使用圖3的電路測量LED驅動器的環路穩定性。

[page]
基于AOZ1081設計LED驅動器,輸入電壓4.5 V到16 V,輸出為一個HB LED,;使用Venable的3120測量環路,Rc=61.9kohm,Cc=820pF,測量波形和結果如圖4和表1所示。



[page]
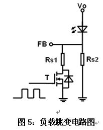
可以用圖5的負載跳變來驗證系統的穩定性,MOS驅動信號的頻率為1kHz,負載電流從35mA到350mA跳變,波形如圖6所示



5. 結論
1)基于BUCK降壓型變換器LED驅動器需要低的參考電壓,降低LED電流設定電阻所產生的功耗,從而提高效率。
2)基于BUCK降壓型變換器LED驅動器仍然是峰值電流模式,外環采樣的采樣信號是LED的電流,輸出電壓由串聯的LED的正向壓降確定。
3)在FB管腳加電壓跟隨器,可以隔離電流取樣電阻和用于測量相位裕量的信號注入電阻,保持正確的測量。




