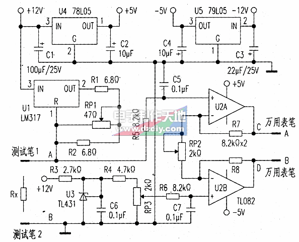
- 研究測量小阻值電阻的輔助電路
- 調整恒流源電流
- 調整放大電路的放大倍數
- 歸零調整
實際工作中,為分析電路原理,在根據實物繪制電原理圖時,往往需要測出小阻值電阻的實際阻值,比如高檔開關電源中用于檢測負載電流的康銅電阻(一般為毫歐級),過流保護用的大功率小阻值電阻(有些達到0.1Ω以下),大功率功放電路中與電流放大管(E極或s極)串接的反饋電阻(一般為零點幾歐姆)。由于普通數字萬用表電阻擋的最小量程為200Ω,受精度限制,往往無法精確測量出這些電阻的具體阻值,也無法判斷出它們的一致性如何,常常為此感到困難。為此,試制做如圖1所示的輔助電路,結合萬用表的直流低電壓擋(200mV、2V、20V),實現對小阻值電阻的精確測量。
工作原理:通過恒流源給被測電阻RX加一定的電流,再用萬用表測量Rx兩端的電壓,所測的電壓值除以流過被測電阻Rx的恒定電流,即可得出被測電阻的阻值。理論上流過待測電阻的電流越大,越易于精確測出小阻值電阻Rx的阻值,但電流過大,一是會引起恒流源嚴重發熱,影響電流的穩定性,導致所測阻值不準;二是小功率電阻不允許過大的電流流過。為此本電路選用LM317(U1)和電阻R1、R2、電位器RP1一起構成簡單的100mA的恒流源。

由運算放大器U2A和U2B及R7、R8、RP2(精密電位器)構成電壓放大電路,對被測電阻兩端的電壓進行10倍放大,這樣數字萬用表從C、D兩點測得的電壓值就可以與被測電阻RX的阻值相對應(1mV對應1mΩ,1V對應1Ω)。
為了提高放大器的穩定度和精度,用u4和u5為運放提供對稱的+5V工作電源。U3以及電阻R3構成2.5v參考電位電路,通過R4及精密電位器RP3給運放U2B的同相端施加合適的電位,用于抵消由于電流流經測試筆1和測試筆2引線以及接觸電阻所產生的電壓降。
制作與調試:按圖1所示在一塊面包板上焊接出輔助電路板.如圖2所示。制作過程中需要注意以下幾點:
(1)地線需匯接于圖1所示的B點,以免流過被測電阻Rx的“大電流”影響運放工作。
(2)U4 (78L05)和u5(79L05)應選取輸出電壓數值一致的管子,保證運放工作電壓±5V對稱。
(3)電阻R7和R8需仔細挑選,確保其阻值一致性好。
(4)電路選用了計算機開關電源的±12V做電源.因此LM317發熱量較大,需加裝合適的散熱器,這也是本電路的缺陷。
[page]
調試步驟:第一步,調整恒流源電流。將數字萬用表置于直流200mA擋.串接于A、B之間,加電后仔細調節電位器RP1.使萬用表的讀數穩定在100mA。第二步.調整放大電路的放大倍數。首先將A、B兩點短接,然后將數字表(200mV電壓擋)接到電位器RP3的中心腳與地之間,加電后調節精密電位器RP3.使萬用表的讀數為100mV,再將萬用表接到C、D之間.仔細調節精密電位器RP2,使萬用表的讀數穩定到1V。第三步,歸零調整。斷電的情況下,斷開上一步連接在A、B之間的短路線,加電后將測試筆1和測試筆2碰在一起,仔細調節精密電位器RP3.使c、D兩點之間的電壓盡量為0mV.實際操作中調到0mV比較困難.但可以調整到3mv-6mV,這樣可以保證所測電壓精度小于10mV(對應于10mΩ)。
實測與比較:本電路適合測量小于8Ω以下的小電阻。實際測量時將數字萬用表(低電壓擋)接在C、D之間,加電后用測試筆1和測試筆2可靠接觸被測電阻兩端.從萬用表上讀數(1mV對應1mΩ,.IV對應1Ω),可得出被測小阻值電阻的阻值。需測量毫歐級電阻(比如高檔開關電源中的康銅電阻)阻值時,可先將兩測試筆置于康銅電阻某一端的焊盤上,測量并記下讀數;再將兩測試筆分別置于康銅電阻兩端的焊盤上,再次測量并記下讀數:然后用后一次測量的讀數減去前次測量的讀數.可以得到毫歐級電阻的阻值。附表為用VICTOR VC9805A+型數字萬用表200Ω擋和使用該電路協同該萬用表低電壓檔測量不同小阻值電阻的實際數據,單位為Ω。
┏━━━━━━━━━━┳━━━━━┳━━━┳━━━━┳━━━━┳━━━┳━━━━┳━━━┳━━━┓
┃標稱值┃康銅電阻┃0.1 ┃ 0.2┃0.22┃ 0.47 ┃0.56┃1 ┃2 ┃
┣━━━━━━━━━━╋━━━━━╋━━━╋━━━━╋━━━━╋━━━╋━━━━╋━━━╋━━━┫
┃用萬用表電阻檔┃0 ┃ 0.2┃ 0.3┃ 0.3┃0.6 ┃0.6 ┃ l.2┃2.2 ┃
┣━━━━━━━━━━╋━━━━━╋━━━╋━━━━╋━━━━╋━━━╋━━━━╋━━━╋━━━┫
┃本電路與萬用表結合┃5 mΩ┃ 0.102┃0.205 ┃0.224 ┃0.481 ┃0.574 ┃1.009 ┃ 2.02 ┃
┗━━━━━━━━━━┻━━━━━┻━━━┻━━━━┻━━━━┻━━━┻━━━━┻━




