中心議題:
- 判斷磁場方向的基本物理定則
- 介紹電容隔離器的結構
- 數字電容隔離器的磁場抗擾度分析
數字電容隔離器的應用環境通常包括一些大型電動馬達、發電機以及其他產生強電磁場的設備。暴露在這些磁場中,可引起潛在的數據損壞問題,因為電勢(EMF, 即這些磁場形成的電壓)會干擾數據信號傳輸。由于存在這種潛在威脅,因此許多數字隔離器用戶都要求隔離器具備高磁場抗擾度 (MFI)。許多數字隔離器技術都聲稱具有高 MFI,但電容隔離器卻因其設計和內部結構擁有幾乎無窮大的 MFI。本文將對其設計進行詳細的介紹。
基本物理定則
諸如電動機的電源線等帶電導體,其周圍便是一個由流經它的電流形成的磁場。應用右手定則(請參見圖 1),我們很容易便可以確定該磁場的方向。該定則的內容如下:用右手握住導體,然后拇指指向電流的方向,這時環繞導體的手指便指向磁場的方向。因此,磁通線的平面始終與電流垂直。
圖 1 顯示了 DC 電流的磁通密度 B。就 AC 電流而言,將右手定則用于兩個方向,磁場和 AC 電流都隨同一個頻率 f 而變化:B(f) ~ I(f)。磁場(或者更加精確的說法是磁通密度及其相應磁場強度)隨導體中心軸距離的增加而減弱。這些關系可以表示為:
以及
其中,B 為以第平方米伏秒 (V•s/m2) 表示的磁通密度,μ0 為自由空間中的磁導率(計算方法為 4π × 10–7 V•s/A•m),I 為以安培為單位的電流,r 為以米為單位的導體距離,而 H 為以安培每米 (A/m) 為單位的磁場強度。

圖 1 右手定則
磁場線穿過附近導體環路時,它們會產生一個 EMF,其強度大小取決于環路面積和通量密度及磁場頻率:
EMF 為以伏特為單位的電勢,f 為磁場頻率,而 A 為以平方米 (m2) 為單位的環路面積。
所有隔離器都有一定形狀或者形式的導電環路,以讓磁場線穿過并產生 EMF。如果強度足夠大,則這種疊加到信號電壓上的 EMF 就會導致錯誤數據傳輸。實際上,一些隔離技術對電磁干擾非常敏感。為了理解電容隔離器為什么不受磁場的影響,我們需要對其內部結構進行研究。
電容隔離器的結構
電容隔離器由兩塊硅芯片—一個發送器和一個接收機組成(請參見圖 2)。數據傳輸在由兩個電容構成的差動隔離層之間進行,在每個電容的二氧化硅 (SiO2) 電介質兩端都有一塊銅頂片和一個導電硅底片。發送器芯片的驅動器輸出通過一些接合線連接到接收機芯片上隔離電容的頂片。通過將電容的底片連接接收機輸入構成了一個導電環路。圖 3 顯示了隔離層的等效電路結構圖,并標示出了金接合線之間的環路區域。很明顯,穿過該環路的磁場將會產生一個 EMF,其表示下面 RC 網絡的輸入電壓噪聲 Vn1。我們常常碰到的第二種差動噪聲部分 Vn2,其產生原因是共模噪聲到差動噪聲的轉換。兩個噪聲分量共同組成了綜合噪聲 Vn。如果只考慮 EMF 的影響,則可以保守地將 Vn 一分為二:
![]()

圖 2 電容隔離器內部結構的簡化結構圖[page]

圖 3 隔離層的等效電路結構圖
若要觸發接收機,RC 網絡的輸出必須提供一個差動輸入電壓 VID,其超出了接收機輸入閾值。是否出現偽觸發,具體取決于 RC 網絡的增益響應 G(f)。
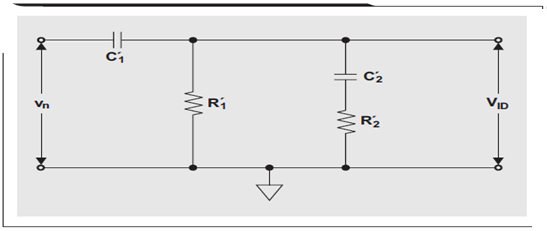
將差動網絡轉換為單端網絡(請參見圖 4),簡化了 G (f) 的推導過程,但卻要求 C′1 = 2C1,R′1= R1/2,C′2 = 2C2,以及 R′2 = R2/2。

圖 4 單端 RC 網絡
一次電路仿真證實了 RC 網絡為一個一階高通濾波器,其 C′1 和 R′1 為主要組件,頻率高達 100 MHz(參見圖 5 中藍色曲線)。超出這一頻率以后,寄生組件 C′2 和R′2生效,從而引起稍稍偏離于線性的斜率。因此,頻率達到 100 MHz 以后,增益響應可以表示為 VID/vn 的比:

確定不會引起偽接收機觸發的最大允許噪聲,要求對方程式 5 求解 vn:

然后,將 vn 代入方程式 4,得到以伏特為單位的最大容許 EMF:

將 EMF 代入方程式 3,得到最大可能磁通密度:

圖 5 增益幅度頻率響應 |G(f)|
[page]
通過將下列數值插入方程式 8 中,推導出表 1 所列磁通密度的頻變值:
VID = 10 mV(接收機輸入閾值的大小)
R′1 × C′1 = 25 ps(有效時間常數)
A = 944 × 10–9 m2(有效環路面積)
f = 1 kHz to 100 MHz(相關頻率范圍)
表 1 距離電容隔離器 0.1m 的導體的電流值和磁場值

利用方程式 2 和 3 還得到 EMF、磁場強度 (H) 以及導體(此處假設將來的隔離器為 0.1 m)的相應電流 (I)。
由表 1 所列的一些極高值,清楚地表明 5 兆安低頻電流和 100MHz 下 500A 電流都不能讓這種隔離器停止正常工作。出現這種幾乎無限 MFI 的原因是隔離電容的位置。如果這些電容位于發送器芯片上,則任何接合線中產生的 EMF 都能夠影響到未受干擾的接收機輸入。
很明顯,這種高 MFI 值不可能進行實際的測試。電容隔離器的產品說明書說明了僅 1000 A/m 的適度值作為實際測試用。然而,無屏蔽電容隔離器可以輕松通過 IEC61000-4-8 和 IEC61000-4-9 標準的 5 級 MFI 要求。這些標準分別描述了高達 100 A/m 電源頻率電磁場以及 1000 A/m 脈沖電磁場的應用。5 級規定了許多導體、總線或者中高壓線路的惡劣工業環境,它們都攜帶有數萬安的電流。另外還包括許多攜帶全部雷電電流的雷電保護系統和高層建筑結構(例如:電纜塔等)的接地導體。重型工業廠房和電站的室外配電裝置也是這種環境的代表。
圖 6 將電容隔離器的計算得 MFI 閾值同 IEC 61000-4-8 和 IEC 61000-4-9 的 5 級(最高)測試水平進行了對比。

圖 6 MFI 測試閾值
結論
超出電容隔離器差動電路噪聲預算的磁耦合要求 1MHz 下大于 11.7 V•s/m2(117千高斯) 的磁通量密度。這需要在一個距離器件 0.1m 的導體中有超過 5 百萬安的電流才能產生這樣一個磁場。在自然界或者任何制造設備中這都是不可能存在的。如果的確存在,那么設計人員便可做以下情況假設:在隔離層失效以前,周圍的電路便都已失效。




