【導讀】本文為大家分享的是一款比較實用的電路設計,教你如何巧妙的將電容器變成變壓器。有詳細的電路分析,給大家參考學習!
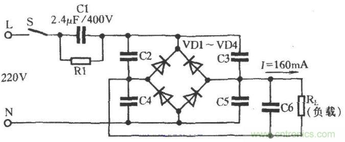
如圖是用電容器代替常用的變壓器,將市電220V降至整流器所需要的交流低電壓電路。在電路中主要由電容器C1降壓,耐壓值為400V;C1的電容量依據輸出電流確定。在220V/50Hz條件下,電容器C1的取值與輸出電流按下式估算: C=15I 式中:I為輸出電流,單位為A;C的單位為μF。 元件選擇:C1可用紙介金屬膜電容器或紙介油浸電容器,耐壓為400V。為了避免電源斷開C1上仍有電荷,所以在C1兩端跨接了一只1MΩ的泄放電阻R1。電容器C2、C3、C4、C5均為消除調制交流聲和其他高頻干擾而設置的。C6為濾波電容器,RL為負載電阻器。
