【導讀】這里分享一位網友自己根據經驗對一個tea202的電路圖的解析,不管正確與否,都是網友自己的理解。如果哪位大俠有好的見解,希望能指點一二,讓大家都學習下。
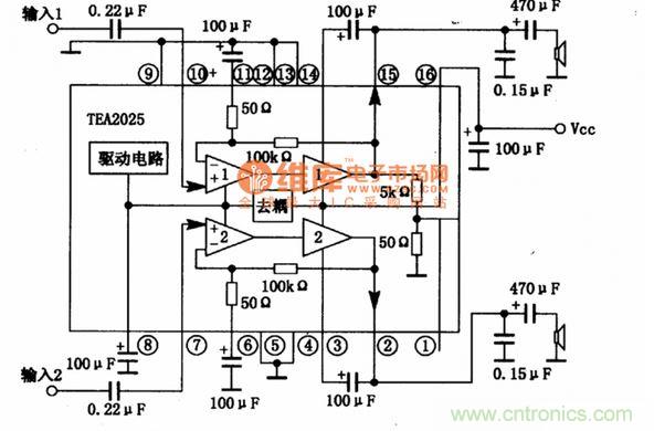
1、可以簡單說一邊7只腳對應一個聲道,引腳高度對稱。

2、第16腳為供電腳既接電源的。兩聲道用時1腳沒用,懸空即可。
3、13、14、4、5腳為接地腳,在普遍的運用中往往是將12、13(或4、5)腳直接焊在一起的,同時開大孔固定散熱器。而一些2025的代用芯片這兩腳直接就是一個很寬的腳。
4、從內部圖可以看出其放大倍數為10‘000/50=200倍,相當大,所以一般應用中應在6(或11)腳接電阻減小增益,計算公式10000/(50+X),個人感覺200-400歐就挺好。如果不加電阻增益過大非常容易發生自激,簡單的說就是芯片發熱,噪音可怕。
5、7、10腳接的是輸入電容,理論上越大低音越好,但是邊際效應明顯,超過1U可能就沒什么實質差別了。最好用CBB電容,陶瓷電容最差,鉭電容更差,電解電容也可以但是效果不要用太大指望(而且不能太大,最好不要超過10U,原因忘了算直覺吧)。
6、15、2腳必須要有輸出電容,顯然圖上470的太小了,理論上電容越大低音越好,但是響應會變差,這個爭議從來就沒停止過。在很多otl成品,用的是2200-4700的輸出電容,當然小喇叭本就沒有還原100HZ以下的能力,所以1000-2000U足矣。當然喇叭阻抗大可減小電容。
7、經實踐5-12v都可以很好的工作,但是貌似電壓高反而發熱更大,用9v以上供電的建議加散熱。



