【導讀】當我第一次看到數字總線開關時,我實在想不出這些開關到底有啥用。幸運的是,現在我知道了這些開關的多種使用方法;我想在這里與你分享其中一種方法。我將描述單個控制器上復用多個器件的步驟和相關考慮。你可以將這個技巧用于任意類型的通信總線,不過我還是將以USB為例進行說明。
首先,我想稍微談一談“數字總線開關”的定義。我們先將注意力放在這個名稱的最后部分。說到底,它只是一個開關。它使你能夠用數字的方法,將電路中的一個連接打開和關閉。圖1顯示的是與一個開關等效的電路。

圖1:單通道數字總線開關的簡化示意圖
通過輸出使能引腳 (OE),用電壓來控制這個開關;只需在高電平關閉開關,在低電平時打開開關。(對于低電平有效OE引腳來說,恰恰相反;這些引腳上通常會有標簽進行標注。)RON 是開關的內部電阻。A和B到開關的兩個連接點。
未在圖1中顯示的是傳播延遲,它是輸入信號到達輸出所需的時間,通常在開關的數據表中用tpd 表示。
通常說來,數字總線開關內部有很多的開關,這些開關使它們能夠控制(你猜到了)數字總線。

圖2:將2個USB器件復用至單個USB控制器
圖2顯示的是使用一個數字總線開關來將2個USB器件復用至單個USB控制器(USB2.0標準)的基本布局布線。在使用這個拓撲時,你每次只能與一個器件通信。
在任何的邏輯系統設計中,需要考慮很多重要的值。歸根結底,這些值就是對電壓、電流和定時的要求。表1中列出了針對這一特定系統的要求。
Requirement
Value
Voltage
0V to 3.3V
Continuous current
18mA
Maximum frequency
240MHz (480Mbps)
表1:示例系統要求
如果你想進一步了解數字總線開關的話,請參見使用說明書數字總線開關選型指南。在這份選型指南中,你可以使用圖3來為這個用例輕松選擇一個開關。

圖3:數字總線開關系列支持的電壓和頻率
3個系列支持3.3V運行,但只有其中一款器件能夠處理200MHz以上的頻率:那就是CB3Q。在TI.com內快速搜索可以得到這一系列中可以提供的18款產品的列表,針對你的應用,推薦使用SN74CB3Q3125,這是因為這款器件能夠切換4條數據線路。
圖2的初始電路原理圖和SN74CB3Q3125的唯一區別就是它為每條通道單獨啟用一個輸出,而不是將一對輸出接在一起。這是一個簡單修改考慮,你只需將所需的使能線路接在一起。

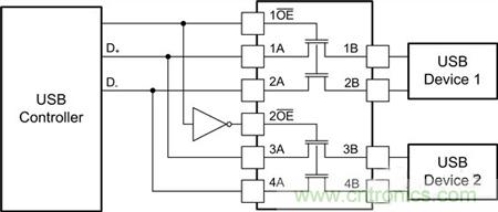
圖4:將2個USB器件復用至一個控制器時的SN74CB3Q3125接線
圖4顯示的是所選芯片上能夠實現此功能的連接。這里的選擇線路有一個變換器,不過其它安排也可實現相似功能,只要每次只啟用一條通道即可。
數字總線開關是多用途器件;這種器件能夠實現隔離,以及多線制通信通道的手工復用。通過擴展這個裝置,你可以將任意數量的外設連接至單個控制器。
推薦閱讀:





