【導讀】初學者往往面臨這樣令人困惑又能非常撓頭的問題:如何由IC元件上的標注代碼(也稱印字),判斷是什么器件?如何查找相關IC的電路資料?無標識(印字)元件怎樣判斷是什么器件,如何測量其好壞?可否用其它型號的元件(甚至非貼片元件)對貼片元件進行代換?貼片元件的封裝形式有哪些啊?等等。
非貼片元件的電子元件本體,可以承載較多的產信息,如規格型號、制造廠商、產品序號等。貼片元件的體積或尺寸是以毫米為計的,元件本體上不允許標注太多的信息,標識方法通常有:1)簡化標識法。將常規標識型號進行簡化,如將74LS14(六反相器數字IC)標識為LS14;2)代碼標注法,將標識進一步簡化,稱為代碼標注法。如貼片晶體管的-24、1L等,更像是密碼,需要用資料“破譯”后,才能知道標識背后元件規格型號的含義;3)無標識。小功率(如16/1W)貼片電阻,和(PF級別)小容量電容,因元件本體太小,無法印出標識,干脆就成為無標識元件。
貼片電阻
貼片電阻是電路板上應用數量最多的一種元件,形狀為矩形,黑色,電阻體上一般標注為白色數字(小型電阻無標識,稱無印字貼片電阻),變頻器生產廠家在電路板上標注的元件序列號為R(如R1、R147等)。貼片電阻的基本參數有標稱阻值、額定功率、誤差級別,另外還有最高使用電壓、溫度系數等,我們只需關注標稱功阻值和額定功率值兩項參數就可以了。

圖1 貼片電阻外型圖
1、貼片電阻的工作參數和類別
1)額定阻值。最常見的有數字標識法。
a、用3位數字電阻值。前2位為十位、個位值,為有效數值,第3位是0的個數或稱為10的X次方。如標注為152,即為1500Ω;101,即為100Ω;103,即為10000Ω(10 kΩ)。
1Ω以下的值加R表示,如1R5,即1.5Ω;R10,即0.01Ω。
b、用4位數字表示電阻值。前3位為有效值,即千位、百位和個位值,第4位為0的個數。如標注為1501,即為1500Ω;標注為1000,即為100Ω;標注為681,即為680 Ω;標注為1003,即為100kΩ。1Ω以下的值加R表示,同上。
3色環和4色環阻值標注法,不常見,標注規則同普通電阻,不予贅述;精密型貼片電阻,用代碼標注法,由兩位數字加一位代碼組成,前兩位數字為有效值,第3位字母為乘數值。如01A——100Ω,02 C——100kΩ,不常見,但須注意!
2)額定功率。采用數字標識的貼片電阻多為黑色,其功率級別分為1/20W、1/16W、1/8W、1/10W、1/4W、1/2W、1W等,以1/16W、1/8W、1/10W、1/4W應用最多,一般功率越大,電阻體積也越大,功率級別是隨著尺寸逐步遞增的。另外相同的外形,顏色越深,功率值也越大。耗散功率為1W或1W以上的電阻,考慮到散熱要求,不得與印刷線路板直接接觸,因而所有電路板上用到的貼片電阻,一般都是小于1W的。貼片電阻的功率值受限,故在電路中需要較大功率電阻的地方,經常采用多只貼片電阻并聯(加串聯)的方法,來增大功率值。貼片電阻的功率值不在電阻體上直接標注,可以根據電阻的“個頭”來判斷電阻功率值的大小。
換用電阻元件時,一看數字標注的電阻值,二看電阻的體積大小,符合二者條件時,即可代換。
3)貼片熔斷電阻。這是貼片電阻中的一個特殊類型,出于電路安全考慮,不宜用普通貼片電阻予以代換,或輕易用導線短接。
貼片熔斷電阻,是在電路中起到熔絲保護作用的一種特殊貼片電阻,一般是串聯于某單元電路的供電支路中,當流過該電阻的電流超過一定數值,則其電阻層快速熔斷,切斷電路該單元電路的供電電源,避免故障擴大化。其電阻體的數字標注為000或0,是貼片熔斷電阻的特征,測量其正常電阻值為0Ω。
4)貼片排阻。這是另一類型的貼片電阻,最常見為4引腳2元件貼片排阻、8引腳4元件貼片電阻和10引腳8元件貼片排阻,8此腳4元件貼片排阻其內部含有4只同電阻值的相互獨立的電阻元件,標注為472的貼片排阻,指內部含有4只阻值為4.7k的電阻元件,用于集中使用相同阻值電阻元件的電路,如MCU引腳的上位電阻,在MCU的接口電路中應用較多。

圖2 貼片排阻與內部等效電路
2、如何判斷貼片電阻的阻值和功率大小?
如果能清晰看出貼片電阻體上的數字標識,判斷電阻值和功率值當然不存在問題。如果損壞電阻本身無標注,或已燒毀得面目全非,看不清標注,那么代換前的電阻值判斷就要費一點周折了,而且也必須做到心中有數,才能做出下一步的修復。有哪些方法可以作出較為準確的判斷呢?
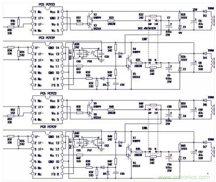
1)參考本機型的相同電路中相對應元件的電阻值。變頻器電路中的相同電路很多,如6路IGBT驅動脈沖傳輸通道,其中6個支路是完全一樣的,從MCU脈沖信號輸出引腳,至緩沖電路、至驅動IC,至IGBT的柵、射極電路。任何其中1路或數個支路中的電阻或其它元件損壞,可能參考未損壞支路中貼片元件的參數值,如無標識,可在電路板上測量確定或將元件焊脫電路板進行測定。3相輸出電流(模擬信號)的傳輸通道,3個信號檢測電路也是一般也是完全相同的,一路有損壞時,可能未損壞兩路中的元件參數,確定損壞元件的參數值。
如圖2-9所示,PC5與PC6兩路驅動IC的外圍電路的元件參數完全相同;PC3與PC8兩路驅動IC的外圍元件參數完全相同,R17=R51、R23=R48、R22=R49……,當PC3外圍有元件損壞壞,可以“照搬”PC5相對應外圍元件的參數值進行修復。
同理,對晶體管、二極管、IC芯片等其它元件的損壞,當無法確定損壞元件參數時,可以參照同類型電路元件的參數值進行代換修復。
2)據電路類型確定元件參數。如MCU(微控制器)引腳上連接的上拉、下拉電阻損壞,MCU需外接上拉、下拉電阻的數字端口,一般內部為開漏結構,應用上拉或下拉電阻,可以避免I/O口存在電平漂移狀態,維持一個靜態的穩定電平。其電阻選值一般為10kΩ、6.8kΩ、5.1kΩ、4.7kΩ、3.3kΩ等,取值過小耗電增大,取值過大,則引發電平漂移或易引入干擾。只要確定損壞貼片電阻為MCU引腳的上位、下接電阻,則可以直接確定該損壞元件的阻值也在3.3~10kΩ的范圍之內。當然也可以參考其它上位、下拉電阻的電阻值。

圖3 參考相同電路中元件參數示意圖

圖4 MCU引腳的上拉電阻的電路示意圖
如圖4所示,U2的脈沖引腳的上拉電阻為5.1k,在3.3~10kΩ的范圍之內。
3)參考同類機型確定元件參數值。沒有相同電路可能參考,也不能像上拉、下拉電阻一樣可以大致“估算”出元件的參數,找到同類機型進行比對測量,也能確定損壞元件的參數值。
4)調整試驗得出元件的參數值。若無同類機型進行參考,需要費點力氣測繪出該部分電路,搞明白損壞電阻在電路中的位置和具體作用,與其它元件的連接方法,“估算”出大致的電阻值,若仍無把握,將損壞電阻,暫時接入電位器,變頻器上電,調整電位器進行試驗,配合人工信號給定、后續電路對信號作出的反應、面板顯示等,測出電位器的電阻值,進而確定損壞電阻的參數。
3、貼片電阻的測量及外觀檢查
1)用萬用表在線測量,電阻值大于標稱值時,說明元件有斷路性故障或電阻值變大,已經損壞;所測阻值小于標稱值時,要考慮到是外圍并聯元件對其造成的影響,應將元件一端或兩端脫開電路進行測量,以便得出確切的測量結果。
2)貼片電阻的外觀特征如下:
a、貼片電阻表面二次玻璃體保護膜應覆蓋完好,出現脫落,可能已經損壞;
b、元件表面應該是平整的,若再現一些“凸凹”,可能損壞;
c、元件引出端電極一般應平整、無裂痕針孔、無變色現象,如果出現裂紋,可能損壞;
d、貼片電阻體表面顏色燒黑,可能已經損壞;
e、電阻體已經變形,可能損壞。
4、貼片電阻的代換
貼片電阻的代換,除了要求電阻值一樣外,還需注意尺寸和功率值。小信號電路(如MCU主板電路)首先要求尺寸一致,便于焊接安裝。代換注意事項如下:
1)嚴格按原參數代換。模擬信號處理電路,如比例放大器電路,對輸入電阻、反饋電阻的取值嚴格,代換元件的電阻值,應與原損壞元件一樣,不允許差異過大,否則會引發電路工作失誤。
2)用于數字電路的元件,如上接、上拉電阻、隔離電阻等,選值有一定范圍,只要令信號電壓變化明顯,符合高、低電平的要求范圍即可。首先應選用相同參數的元件代換。若手頭實在不能找到同阻值元件,則可用數值接近的元件代換,一般不會影響到電路性能。如4.7kΩ電阻損壞,用5.1kΩ或6.8kΩ電阻均可以進行代換修復。
3)可用非貼片元件代換。貼片電阻的損壞率極低,除了驅動電路因可能遭受強電沖擊經常損壞(可購用部分備件),其它電路的元件很少損壞,可能有1只或兩只損壞,類型不一,也無法選購備件。遇到此類損壞元件,用非貼片的1/4W或1/8W普通電阻,來代換也是沒有問題的,并非找不到原配件就導致維修進度的“卡殼”。當然焊接時要注意,做好引線整形,盡可能使引線短些,焊接后若有必要涂覆704膠加固,也能達到高質量的修復要求。
貼片電容
貼片電容是電路板上應用數量較多的一種元件,形狀為矩形,有黃色、青色、青灰色,以半透明淺黃色者為常見(系高溫燒結而成的陶瓷電容,無法印出標識)。小容量(皮發級)電容體上一般無標識,微發級電容才有標識(應用不多,容量稍大的電容,使用帶引線的插孔電容)。變頻器生產廠家在電路板上標注的元件序列號為C(如C1、C47等),由于變頻器實際電路板的元件安裝緊湊,一般只標注序號,而不標出容量值。貼片電容的基本參數有電容量、工作電壓、漏電流值、誤差等,用于小信號電路的供電電壓一般為15V以下,如MCU主板的供電為5V,所以實際應用中,僅需注意第一個參數電容量和尺寸(便于安裝)就可以了。
圖5 無極性貼片電容、和鉭電容貼片元件外形圖
應用于變頻器電路的貼片電容,主要有無極性小容量貼片電容(用于IC小信號濾波,抑制振鈴)、有極性貼片鉭電容(為電解電容的一種,用于電源輸出端的濾波)兩種,耐壓在63V以下。容量在10微法級和高耐壓電容,往往采用普通電容器。
1、無標識貼片電容的容量估算、檢測和代換
1)用于開關電源電路的供電輸出端及IC電路的供電輸入端的貼片電容,見上圖電路左側元件圖示。
在供電輸出端,與(濾波)電解電容并聯在一起。因電解電容系導電極板和絕緣介質卷繞在一起,具有“電感效應”,高頻濾波效果差。并聯小容量電容,濾除整流后的高頻紋波成分。電路中IC的供電端,也都加有高頻濾波電容,以吸收(可能存在由引線形成的寄生電感或由某種干擾帶來的)電源擾動。此類電容的電容量一般為0.01~0.1μF左右。該類電容對容量要求并不嚴格,故障率也比較低。如檢查發現有損壞,換用0.01~0.1μF范圍內的電容都是可以的。
2)信號通路中的低通濾波器用到的貼片電容。低通濾波器電路,用于對信號中的某一頻段內的高頻成分進行衰減和吸收,只要求其中的信號中的低頻成分(甚至直流成分)通過。變頻器的信號傳輸通路中,多用于將脈動直流信號經RC電路轉化成直流信號,因而該電路中的電容量大致在0.01~0.47μF左右,因為電阻R的作用,雖然電容量較小,但RC總的時間常數并不小,也能達到較好的濾波效果。如不好確認容量大小,可以用0.01~0.47μF以內容量的電容試驗,以經RC濾波后無明顯脈沖動成分為宜。
3)具有特定容量的貼片電容。如MCU晶振引腳的補償電容,其容量與MCU類型和晶振頻率相關,可由MCU的相關資料,和晶振元件的標注頻率值,確定該電容的容量,一般為33PF或22PF、15PF。
貼片電容的損壞現象和檢測方法:
a、同一類型的電容,個頭越大或顏色越深,容量也越大。電容的容量可以用專用的電容測試儀來測定,目前一些數字萬用表,也附加此項功能。測電容量時,須將貼片電容至少脫開一端,排除外電路的影響后,再行檢測。
b、用萬用表檢測。如果在線檢測,萬用表測量得出電容兩引腳之間的的電阻值,其實是與電容相連接的外電路“綜合電阻值”,若電容處于短路或近于短路情況(電阻值極低)下,才能有所反映。將電容器脫開原電路,測量其電阻值應為無窮大。用指針表的×10k擋測量時,0.1μF左右的電容指針有跳動(充電)現象,靜止后歸于無窮大。若測得固定電阻值,說明電容損壞。
c、上電檢測,由電路判斷該點電壓低落,可能是電容漏電引起,見下圖電路示例。這也是一個比較好的方法。
如下圖6所示電路中,測量a點電壓正常值應為R221、R22對3V供電的分壓值1.5V,若測量電壓值高于1.5V,可能系電容C112漏電損壞所致;測b點電壓正常值應為3V,若低于3V,可能系電容C56漏電損壞所致。
圖6 電壓漏電引起A點電壓降低
進一步,可將C112或C56焊脫電路,對其引腳電阻值進行測量驗證。
當貼片電容損壞時,也同確定貼片電阻的阻值一樣,可參考同類電路,測出好的電容元件的電容量,來確定故障電容的參數。如晶振引腳電容壞掉一只,測另一腳電容元件的電容量即可,兩只電容的容量是一樣的。
故障電容的代換:貼片電容的故障率較低,各種規格的貼片電容都要備件,顯然不是現實的。偶爾發現損壞元件時,用普通的同容量瓷片或絳綸電容來代換,是完全可以的,注意引線盡量要短,焊接質量要好。
2、有極性(有標識)貼片電容的容量識別、檢測和代換
有極性貼片電容的外形如圖2-11中右側元件圖所示,一般有矩形貼片,圓柱形貼片兩種形式,后者的標識與形狀與普通電容器相似,易于辨識,不做討論。矩形貼片電容的顏色多為銀白色或黑色,標有橫杠的一端為正極(也可通過其在電路中的連接方式進一步判斷——帶橫杠的一端與供電電源的正極連接)。根據封裝形式不同,耐壓分為A(10V)、B(16V)、C(25V)、D(35V)四個等級,電容量多為數微法至數十微法。
貼片電容的規格型號所包含的參數一般有電容量、額定電壓、容量誤差、尺寸、封裝類型等,不同廠家皆有差異,想記住或弄明白,真是相當困難(也無必要)。
貼片有極性電容的標注法舉例:
1)采用數字標注法,采用一位字母+3位數字組成,如A475,數字中前兩位為有效值,末位為零的個數,即4700000PF=4.7μF。A為耐壓級別,10V。
2)直接標注法。如16V 10,即為10μF,耐壓16V的有極性電容。
3)四色環標注法。色環的顏色與數字對應關系,棕(或茶色)1、紅2、橙(或橘紅色)3、黃4、綠5、藍6、紫7、灰8、白9、黑0,同普通電阻的色環標注法相同。(從左至右)前兩道色環為有效值,第三道色環為零的個數,第四道色環為額定電壓標識。如黃紫綠綠,前3環為4700000PF(4.7μF),第四道色環表示額定電壓為10V。
4)代碼標示法,在沒有相關資料的情況下,就比較難于辨識了。須依據代碼,按資料“翻譯”出電容的容量和耐壓等參數值來。
對故障電容器參數的確定,假設從標識上很難判定,則采用上文如對貼片電阻檢測判斷的其它方法,也能達到判定和確定元件參數的目的,如在電路中一般都能找到相同標識的貼片電容,用電容表測量相同標識的電容,可以判斷出電容量,耐壓則選用比供電電源高一級別的即可,如5V供電電源下,可選用6.3~16V的都可以。
有極性貼片電容的好壞判斷:
貼片電容有擊穿短路、內部電極斷路、漏電、容量減小等故障,檢測方法普通電解電容的檢測與判斷方法一樣。用數字萬用表測量電容量,或指針式萬用表的電阻擋測量充、放電現象和靜態電阻值,都可以判斷電容的好壞。
貼片有極性電容的代換:
1)如果易于購到原型號、原封裝形式的“原配件”,代換最為方便。原配件的來源一般有兩處:采購,從(電子元件商場)供應商,或從(當當網,淘寶網上可購得難以找到原配件的二手器件)網絡;廢舊電路板上拆用。無論從何處得到的配件,一定要先測量,判定是好的,再往電路板上焊接,焊接前一定要有“測量驗證”這一個環節,避免查出一個壞元件,再換上一個壞元件,使檢修進入誤區導致修復失敗的現象發生。
2)貼片有極性電容的損壞率也是相當低的。如果安裝空間許可,用普通的同容量和耐壓符合要求的電解電容來代換,也沒有什么問題,注意選用質量優良(溫度系數小,性能穩定)的電解電容,焊接引腳要短,焊接后可用704膠加固。
貼片電感
貼片電感元件在電路中的應用數量較少,僅僅在低壓直流控制電源的輸出端,見到其應用,與濾波電容構成CLC的π形濾波電路,有(抑制電流突變)穩定輸出電流的作用。電感元件,由單線圈組成,有的帶磁心(電感量較大),單位一般用μH和mH表示,流通電流值為幾毫安至幾百毫安。
貼片電感有圓形、方形和矩形等封裝形式,顏色多為黑色。帶鐵心電感(或圓形電感),從外形上看易于辨識。但有些矩型電感,從外型上看,更像是貼片電阻元件。變頻器生產廠家對電路板上貼片電感的標號,標有“L”字樣。電感的工作參數有電感量、Q值(品質因數)、直流電阻、額定電流、自諧頻率等,但貼片電感受體積局限,大多只標注出電感量,其它參數未予標注,而且往往是間接標注法——貼片電感本體上標注,只是整個規格型號的部分信息,即大多只是電感量信息。
圖7 貼片電感外形圖
貼片電感的標注舉例:實際(印字)標注——101,完整型號——MPI 0610 M T 101(含有類型、尺寸、誤差、封裝形式、電感量等信息),是電感量為100μH的貼片電感。1R1,是電感量為1.1μH的貼片電感。有的用一個字母表示電感(代碼標注法),實際標注——E,完整型號——MPE0312NT2R7,是電感量為2.7μH的貼片電感。
貼片電感的辨識方法:
1)從外型,如帶磁心方形或圓形電感,體積稍大,能看出磁心和線圈;
2)有的貼片電感從外形上與貼片電阻一樣,但沒有數字與字母標注,只有一個小圓圈的標注,意為電感元件;
3)在電路中的元件序號,往往標為L字樣,如“L1”、“DL1”等。
4)有電感量標注,如100。
5)理想電感的交流電阻較大,而直流電阻為零。電感元件的測量電阻值極小,電阻值近于為零歐姆。從3)、4)、5)項,配合觀察和測量(在電路中的位置和作用),能區別出元件是貼片電阻還是貼片電感,并判定出電感元件。
6)用專用電感量測試儀,將元件脫開電路,測量其電感量。
貼片電感的好壞判別:
1)首先確定是電感元件;
2)觀察外型有無變形、變色、碎裂等,若有以上現象,可能已經損壞;
3)用萬用表的小電阻擋位(如200擋或×1擋),測直流電阻應近于0。若測量電阻值較大或無窮大,說明電感元件損壞。
貼片電感的故障代換:
1)可從廢舊電路板上拆同型號元件代換;
2)先確定電感量和流通電流值,用普通帶引腳電感元件代替,并做好固定;
3)自行繞制,制作電感代用,有一定操作難度;
4)如果對電路性能無明顯影響,應急修復可暫時短接(僅供參考,并不提倡這個修復方法,有可能降低產品的某些性能)。



