【導讀】?uk拓撲非常適合用于從正電源電壓生成負輸出電壓。許多系統都需要負電源電壓,以便讀取某些傳感器發出的信號。因此,可能需要為信號鏈提供(例如)+5 V和–5 V,或者甚至+15 V和–15 V電壓。負電源電壓也用于安全切換某些開關元件,例如碳化硅(SiC)。
?uk拓撲也稱為2L反相拓撲,因為其電源路徑中需要使用兩個電感。圖1為?uk拓撲的電路圖。

圖1. 用于生成負電源電壓的?uk拓撲原理圖。
在選擇合適的開關穩壓器IC時,需要確保其中包含負電源電壓反饋引腳,這非常重要。ADI擁有大量帶有集成開關的單片開關穩壓器IC,以及帶有外部開關晶體管的控制器IC,均適合此類應用。
最重要的是,所需的兩個電感分別代表成本和空間因素。但是,這兩個組件也導致輸入端和輸出端的電源路徑中產生電感。這可以防止在輸入端和輸出端產生快速開關電流。因此,?uk拓撲通常被視為特定的低噪聲拓撲。當然,和其他開關穩壓器一樣,?uk拓撲也提供開關電流。在圖1中,它們表現為熱回路(藍色)。熱回路指的是一組具有快速di/dt瞬變的軌跡。為了最大限度降低開關電流產生的干擾,以及伴隨的寄生電容,此回路占用的空間面積必須盡可能達到最小。
因此,在適合?uk拓撲的優化板布局中,續流二極管D、耦合電容C和開關S1必須彼此非常靠近。利用對應的IC引腳排列,例如LT8330,即可緊湊排列這些線路。圖2所示為在實際的板布局中,開關電流(熱回路)的電源路徑所在的區域。

圖2. 針對?uk拓撲優化的板布局。
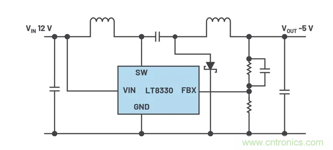
圖3所示為包含LT8330的電路示例,它在?uk拓撲中可以當做穩壓器。一個重要的特性就是FBX引腳,這是一種特殊的FB引腳,可以處理負電源電壓(根據?uk拓撲的要求)和正電源電壓。如果LT8330用于升壓或SEPIC拓撲中,則需要具備正反饋引腳極性。
圖3所示為包含LT8330的電路示例,它在?uk拓撲中可以當做穩壓器。一個重要的特性就是FBX引腳,這是一種特殊的FB引腳,可以處理負電源電壓(根據?uk拓撲的要求)和正電源電壓。如果LT8330用于升壓或SEPIC拓撲中,則需要具備正反饋引腳極性。

圖3. 采用LT8330的?uk穩壓器電路示例。
穩壓器輸入端和輸出端的電感會影響穩壓器產生的傳導發射量。如果采用包含非常緊湊的熱回路的優化板布局,則可以實現極低噪聲的解決方案。這些特性使得?uk穩壓器非常適合用于產生低噪聲和負電源電壓。

(來源:亞德諾半導體)
免責聲明:本文為轉載文章,轉載此文目的在于傳遞更多信息,版權歸原作者所有。本文所用視頻、圖片、文字如涉及作品版權問題,請聯系小編進行處理。



