【導讀】隨著電子元器件向小型化、輕量化、數字化和高密度集成化方向發展,靈敏度越來越高,為此國際組織提出了一系列技術規章,要求電子產品符合嚴格的磁化系數和發射準則,即具有電磁兼容性EMC。本文以ADI器件為例,介紹如何通過控制電路熱回路以降低器件EMI并符合EMC標準的電路設計參考思路。
隨著電子元器件向小型化、輕量化、數字化和高密度集成化方向發展,靈敏度越來越高,為此國際組織提出了一系列技術規章,要求電子產品符合嚴格的磁化系數和發射準則,即具有電磁兼容性EMC。本文以ADI器件為例,介紹如何通過控制電路熱回路以降低器件EMI并符合EMC標準的電路設計參考思路。
“熱回路”中的真真假假
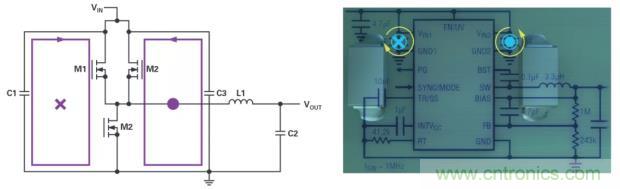
開關穩壓器需要不斷地開關電流,這些電流一般來說會比較大。每當電流流動時,會產生磁場。如果快速開關大電流,就會產生交變磁場。此外,如果開關電流時,路徑中存在寄生電感,就會產生電壓失調。電流會容性耦合到相鄰的電路部件中,并增加電源的噪聲輻射。因此,開關電流是導致產生噪聲的主要原因,下圖顯示了簡化的降壓轉換器拓撲結構,存在連續電流的線路都用藍色表示,快速開關電流的線路都用紅色表示。紅色回路看起來像一個電流回路,因此被稱為回路,它涉及到快速開關電流。但事實上,熱回路并不是一個獨立的電流回路,而是由兩個真實的電流回路組成的虛擬電流回路。紅色回路從來沒有真正的電流流過,因為兩個開關從來不會同時打開。它只是單條線路的組合,在特定時間會有電流流過,在其他時間則沒有電流流過。

為了減少EMI,必須確定電源電路中的熱回路(高di/dt回路)并減少其影響。如下圖所示,在標準降壓轉換器的一個周期內,當M1關閉而M2打開時,交流電流沿著藍色回路流動。在M1打開而M2關閉的關閉周期中,電流沿著綠色回路流動。產生最高EMI的回路并非完全直觀可見,它既不是藍色回路也不是綠色回路,而是傳導全開關交流電流(從零切換到IPEAK,然后再切換回零)的紫色熱回路。

降壓轉換器的熱回路
導致電磁噪聲和開關振鈴的是開關穩壓器熱回路中的高di/dt和寄生電感。要減少EMI并改進功能,需要盡量減少紫色回路的輻射效應。熱回路的電磁輻射騷擾隨其面積的增加而增加,因此,如果可能的話,將熱回路的PC面積減小到零,并使用零阻抗理想電容可以解決該問題。
從1代到2代,Silent Switcher技術降噪能力再升級
開關穩壓器的熱回路因開關穩壓器的拓撲結構而異,其設計應盡可能窄小緊湊,以減少噪音產生和傳播。ADI公司提供的Silent Switcher技術通過將輸入電容集成到IC封裝,盡可能縮小關鍵熱回路,雖然不可能完全消除熱回路區域,但是可以將熱回路分成極性相反的兩個回路。通過產生兩個極性相反的磁場,從而大幅抵消輻射噪聲。

Silent Switcher穩壓器中的磁場抵消
改善EMI的另一種方法是縮短熱回路中的導線,這可以通過放棄將芯片連接至封裝引腳的傳統鍵合線方法來實現。在封裝中倒裝硅芯片,并添加銅柱。通過縮短內部FET到封裝引腳和輸入電容的距離,可以進一步縮小熱回路的范圍。

LT8610鍵合線的拆解示意圖
遵循這一設計思想,如何確保在設計及整個生產過程中的正確布局,答案就是Silent Switcher 2穩壓器。Silent Switcher 2穩壓器能夠進一步減少EMI,通過將電容(VIN電容、INTVCC和升壓電容)集成到LQFN封裝中,消除了EMI性能對PCB布局的敏感性,從而可以放置到盡可能靠近引腳的位置。所有熱回路和接地層都在內部,從而將EMI降至最低,并使解決方案的總占板面積更小。
LT8609S就是采用Silent Switcher 2技術的典型開關穩壓器,其獨特的架構運用兩個內部輸入電容器以及內部BST和INTVCC電容器,以最大限度減小熱環路面積。由于可提供控制得非常好的開關邊沿,因此LT8609S的設計顯著地降低了EMI/EMC輻射,其內部結構具有一個整體接地平面,并用銅柱代替了接合線。這種改善的EMI /EMC性能對電路板布局不敏感,從而簡化了設計并降低了風險,即使在采用兩層PC板時也不例外。在整個負載范圍內開關頻率為 2MHz 的情況下,LT8609S 可輕松通過汽車 CISPR 25 的 Class 5 峰值 EMI 限制。該器件也提供了擴展頻譜頻率調制功能,以進一步降低 EMI / EMC 水平。

LT8609S的同步整流在開關頻率為2MHz時提供高達93%的效率。其3.0V至42V輸入電壓范圍非常適合汽車和工業應用。內部高效率開關可向低至0.774V的電壓提供高達2A連續輸出電流和3A峰值負載。LT8609S突發模式運行的靜態電流僅為2.5µA,非常適合諸如汽車始終保持接通系統等應用,這些系統需要很低的靜態電流來延長電池運行壽命。LT8609S 的獨特設計在所有條件下保持了僅為400mV (在1.5A)的最小壓差電壓,從而使該器件在汽車冷車發動等情況下表現出色。此外,僅為45ns的快速最短接通時間實現了從16V輸入到1.5V輸出的2MHz恒定頻率切換,從而優化了效率,同時可避開關鍵噪聲敏感頻段。LT8609S 的16引線、3mm x 3mm LQFN封裝和高開關頻率允許使用小型外部電感器和電容器,因此可構成占板面積緊湊和高熱效率的解決方案。
本文小結
熟練的PCB設計者在設計時應考慮很小的熱回路并使用盡可能靠近主動層的屏蔽接地層。然而,在去耦組件中儲存充足能量所需的組件針腳布局、封裝結構、熱設計要求和封裝尺寸決定了熱回路的最小尺寸。以LT8609S為典型的ADI一系列Silent Switcher 2技術電源器件通過設計與封裝工藝考量盡可能降低熱回路影響,其功能和優勢將使開關模式電源設計更容易滿足CISPR 32和CISPR 25等各種抗噪標準要求。
免責聲明:本文為轉載文章,轉載此文目的在于傳遞更多信息,版權歸原作者所有。本文所用視頻、圖片、文字如涉及作品版權問題,請電話或者郵箱聯系小編進行侵刪。




