【導讀】USB充電端口已成為現代車輛信息娛樂系統的重要組成部分。乘客越來越習慣于通過車輛的電氣系統來為智能手機(或其他便攜式設備)充電,并反過來利用這些設備來豐富車輛信息和娛樂功能。為了同時支持電源和數據能力,并且適應不斷快速變化的便攜式設備市場,USB充電端口必須滿足與電源、數據傳輸和魯棒性相關的各種系統要求,即使面對現實中的種種危險情況。
便攜式設備電池充電——包括支持廣泛的設備充電協議的能力,例如USB BC 1.2充電下行端口(CDP)、專用充電端口(DCP)、標準下行端口(SDP)和各種常見專有協議——僅僅是對USB充電端口的眾多要求中的一部分。其他要求包括維護高速USB數據傳輸的信號完整性,以及保護USB主機免受汽車環境中常見危險狀況的影響。此外,小尺寸解決方案和低電磁輻射是滿足日益復雜的汽車電子需求的重要要求。本文演示了一種滿足汽車環境中現代USB充電端口要求的解決方案,包括設計示例。
汽車USB電源系統概述
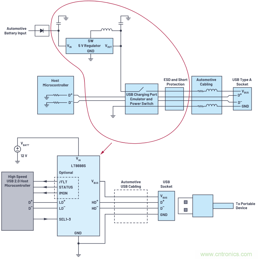
圖1顯示了典型汽車USB充電器系統的框圖,其中開關變換器從電池產生5 V電壓為VBUS供電。此處顯示的USB充電端口仿真器和功率開關IC具有三個主要功能。首先,USB充電端口仿真器確定所連接設備的最佳充電電流,從而通過充電端口模式(如USB BC 1.2 CDP、DCP和供應商專有充電器仿真協議等)實現快速充電。其次,USB功率開關用作限流器和開關,可檢測和限制總線電流。最后,端口控制器支持所連接設備與USB主機之間進行USB 2.0高速數據傳輸。
由于USB端口處于惡劣的汽車環境中,因此必須對敏感的USB電路加以保護,使其免受各種現實危害的影響,例如插座的靜電放電(ESD)事件和線纜故障事件,這些事件可能會使受影響的線路遭受遠超過其正常工作值的電壓。

圖1.汽車USB充電器框圖
圖2顯示了一個汽車USB電源系統的簡化框圖,該系統將許多電源、端口和保護功能結合到一個IC中。在本例中, LT8698S 將開關變換器和功率開關的功能集成到4mm×6mm的封裝中,同時提供能抵御ESD事件和線纜故障的強大數據線保護。
圖示的集成充電器解決方案包含了在USB端口和便攜式設備之間獨立執行USB BC 1.2 CDP協商序列的所有必需硬件,使得CDP兼容設備能夠從VBUS汲取高達1.5 A的電流,同時能與主機進行高速通信。
線纜壓降補償
當USB插座與控制器的物理距離較遠時,例如USB插座位于車輛后部,而USB主機位于儀表板中,那么線纜壓降補償可使VBUS軌保持精確的5 V穩壓狀態。LT8698S具有可編程線纜壓降補償功能,可在USB插座上執行出色的調節,而無需額外的開爾文檢測線路。
圖3顯示了線纜壓降補償的工作原理。OUT/ISP和BUS/ISN引腳之間連接一個檢測電阻RSEN,該電阻串聯在穩壓器輸出和負載之間。LT8698S在其RCBL引腳上通過RCBL接地電阻產生46 × (VOUT/ISP – VBUS/ISN)/RCBL的電流源。此電流與通過連接在穩壓器輸出和USB5V引腳之間的RCDC電阻流入USB5V引腳的電流相同。這會在RCDC電阻兩端產生一個高于5 V USB5V反饋引腳的電壓偏移,其與RCDC/RCBL電阻比成比例。結果,LT8698S根據負載電流將BUS/ISN引腳調節到一個高于負載目標5V的點(最大限值為6.05V),以維持插座VBUS引腳的精確調節。
線纜壓降補償消除了從穩壓器連接額外的一對開爾文檢測線路到遠端負載的需要,但要求系統設計人員知道線纜電阻RCABLE,LT8698S不會檢測此值。設置線纜壓降補償的元件可以利用下式選擇:RCBL = 46 × RSEN × RCDC/RCABLE。線纜電阻會隨溫度而變化,要在很寬的溫度范圍內獲得更好的整體輸出電壓精度,可以添加一個負溫度系數(NTC)電阻作為RCBL的一部分,使線纜壓降補償隨溫度而變化。

圖2.圍繞單IC USB控制器解決方案構建的汽車USB電源系統的簡化框圖

圖3.線纜壓降補償工作原理

圖4.LT8698S/LT8698S-1的強大保護功能
針對汽車環境提供強大保護
汽車環境存在多種危害,為此必須保護USB主機。這些危害包括線纜故障導致數據線承受電池電壓或接地,以及USB插座處的大ESD沖擊。圖4顯示了如何保護USB主機免受這些危害影響。
LT8698S的HD+和HD–引腳可承受高達20 VDC,并阻止高達8 kV的接觸放電和15 kV的空氣放電IEC 61000-4-2 ESD事件,同時也能保護主機免受這些惡劣狀況的影響。此外,USB5V、OUT/ISP和BUS/ISN引腳可承受輸出電壓故障,包括高達42 V的直流電壓。發生輸出故障時,閂鎖和自動重試功能可精確限制平均輸出電流。
雖然許多USB端口控制器IC需要數據線上有外部鉗位二極管或電容來提供ESD保護(這會增加成本和材料,同時可能降低信號完整性),但LT8698S不需要。
數據線開關不僅能夠承受前面所說的直流故障和ESD事件,而且有助于實現出色的信號完整性。具體說來,HD+和HD–引腳的–3 dB帶寬為480 MHz(典型值),這已經過生產測試。圖5顯示了根據USB 2.0規范在測試平面2的演示板上測得的高速傳輸眼圖。該圖顯示其符合USB模板1、測試平面2限值,并且有充足的裕量。

圖5.在演示板上測得的高速USB 2.0眼圖。所示為模板1要求。
兼容并支持廣泛的充電器特性
本例中使用的控制器IC與多種USB連接器類型和充電器特性兼容,如表1所示。我們來看一下單個控制器在USB Type-C 5 V、3 A解決方案(15 W)中如何工作。
圖6顯示了具有線纜壓降補償的USB 5 V、3 A VBUS穩壓器的原理圖。此電路選擇8 mΩ的RSEN電阻值來支持高達3 A的輸出電流,SYNC/MODE引腳接地以使能跳脈沖工作模式,降低輕載電流時的開關頻率和靜態電流。
LT8698S還支持USB BC 1.2 DCP模式,該模式可提供高達1.5 A的充電電流,支持大電流充電能力。當用作DCP端口時,D+和D–線路短接,沒有數據傳輸。
許多便攜式設備制造商開發了專有充電器協議。同樣的,這些廠商專有的充電器協議以及對應的最大充電電流(如2.0 A、2.4 A、2.1 A和1.0 A)也受支持。主機微控制器可以通過控制三個SEL引腳來實現這些充電器協議。
圖7顯示了2.4 A/1.5 A USB充電器的原理圖。在此應用中,微控制器利用LT8698S STATUS引腳和IMON電流監控器提供的信息,通過控制SEL1-3輸入引腳來選擇所需的充電器協議。這樣,微控制器就能優化便攜式設備的充電特性,從而以盡可能大的電流安全充電。
表1.LT8698S/LT8698S-1與多種USB連接器類型、充電器協議和數據接口的兼容性


圖6.5 V、3 A、USB type-C應用

圖7.帶電流監控器的2.4 A/1.5 A自動協議檢測充電器
EMI解決方案
汽車電子系統電源的一項關鍵要求是低EMI,通常需要滿足CISPR 25 5類排放標準。LT8698S采用Silent Switcher® 2技術進行設計,使得USB電源能夠滿足這些嚴格的汽車EMI標準,而不會犧牲解決方案的尺寸、效率和魯棒性。
Silent Switcher 2架構在LQFN封裝內部集成了旁路電容,以將EMI降至最低。旁路電容的集成簡化了電路板設計,減少了整體解決方案的尺寸,同時盡可能地降低了PCB布局對EMI性能的影響。 LT8698S-1不含這些內部旁路電容,其他方面與LT8698S完全相同。通過向SYNC/MODE引腳施加高于3.0 V的直流電壓,這兩款器件便都能提供可選的展頻調制。圖8顯示了LT8698S在典型應用條件下的輻射EMI性能。
LT8698S和LT8698S-1能以300 kHz至3 MHz的可程式化和可同步開關頻率工作。較高開關頻率允許使用較小的電感和電容值,以減小整體解決方案的尺寸。圖9顯示,即使在2 MHz的較高開關頻率下,這種12 V至5 V USB解決方案也能實現93%的效率。

圖8.輻射EMI性能(CISPR 25電磁輻射干擾,使用峰值檢波器,5類峰值限制)

圖9.5 V USB解決方案的效率和功率損耗曲線。
結論
USB充電端口是現代車輛信息娛樂系統的重要組成部分,面對汽車環境中的各種現實危險事件,必須在電源、數據傳輸支持和魯棒性方面應對各種系統挑戰。本文介紹的采用LT8698S USB充電器IC的示例解決了這些挑戰。它們支持各種便攜式設備充電器協議,并能為USB type-C充電應用提供高達15 W的輸出功率。此外,它們還能保護USB主機免受潛在的危險情況影響,例如線纜故障和嚴重ESD事件。LT8698S在提供這種保護的同時,還能保持USB主機與便攜式設備之間高速USB數據傳輸所需的信號完整性。最后,Silent Switcher 2架構可在不犧牲效率和解決方案尺寸的情況下提供出色的EMI性能。
免責聲明:本文為轉載文章,轉載此文目的在于傳遞更多信息,版權歸原作者所有。本文所用視頻、圖片、文字如涉及作品版權問題,請聯系小編進行處理。
推薦閱讀:



