【導讀】耦合是指把能量從一個電路傳送另外一個電路中去,耦合在模擬電路和數字電路中非常常見,微弱的信號可以耦合到放大電路進行放大,經過放大的信號同樣可以通過耦合進行輸出。
我們在學習和生活中經常會遇見能量的相互傳送問題,其實在電路中,能量也是需要被相互傳送的,這里要提到“耦合”的概念。
耦合是指把能量從一個電路傳送另外一個電路中去,耦合在模擬電路和數字電路中非常常見,微弱的信號可以耦合到放大電路進行放大,經過放大的信號同樣可以通過耦合進行輸出。
耦合是兩個功能電路的連接橋梁,可以實現信號和能量的傳遞。常見的耦合電路有直接耦合電路、電容耦合電路、光電耦合電路和變壓器耦合電路。
下面通過一些實例,來跟大家一起探討下耦合在電路中的作用。

耦合
01. 直接耦合
在直接耦合中,兩個功能電路直接連通,兩級之間有著直接的影響,在下圖的放大電路中,輸入的信號經過三極管T1放大后,直接耦合連接至T2進行二級放大,然后再次直接耦合到T3進行三極放大。
因為各級電路直接連接,會相互影響,常用于低頻的電路和大規模集成的數字電路中。

直接耦合
02. 阻容耦合
在阻容耦合電路中,兩級電路通過電容進行隔離,信號通過電容耦合到下一級,因為電容有著隔直流通交流的作用,各級電路的Q點不會相互影響,不能放大緩慢放大的信號,所以常用于交變的高頻信號。

阻容耦合
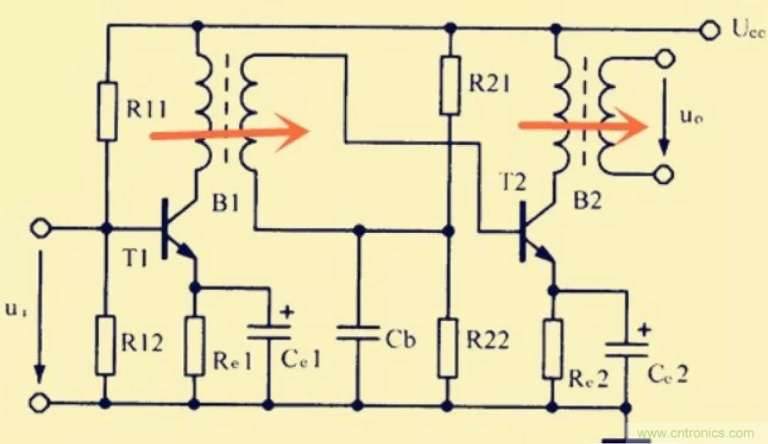
03. 變壓器耦合
在變壓器耦合電路中,兩級之間通過了變壓器進行了隔離,變壓器需要通過電磁感應的方式傳輸信號,所以不適用于直流信號,一般用在交流的信號中。
它的低頻特性差,體積大。
但兩級之間相互獨立,靜態工作點不會相互影響,可以實現阻抗變換。

變壓器耦合
04. 光電耦合
光耦是用于光電耦合的器件,光耦內部集成了發光二極管和光敏三極管。當然,你也可以用獨立的發光二極管和光敏三極管搭建光電耦合電路。
發光二極管把電轉換為光,光敏三極管則把光重新轉換為電,光電耦合同樣是隔離式耦合方式,能夠很好的抑制干擾信號。

光電耦合
免責聲明:本文為轉載文章,轉載此文目的在于傳遞更多信息,版權歸原作者所有。本文所用視頻、圖片、文字如涉及作品版權問題,請電話或者郵箱聯系小編進行侵刪。



