【導讀】本設計以 ARM 作為控制核心,結合推挽升壓電路和 SPWM 逆變電路,實現了將12VDC 輸入電壓轉換為110VAC 交流正弦電壓輸出。實驗表明,該逆變器具有電壓紋波小、動態響應高和全數字等特點,能夠滿足實際需要。
本設計以 ARM 作為控制核心,結合推挽升壓電路和 SPWM 逆變電路,實現了將12VDC 輸入電壓轉換為110VAC 交流正弦電壓輸出。實驗表明,該逆變器具有電壓紋波小、動態響應高和全數字等特點,能夠滿足實際需要。
1.系統總體方案
1.1 總體設計框圖
如圖1 所示, 逆變器系統由升壓電路、逆變電路、控制電路和反饋電路組成。低壓直流電源 DC12V 經過升壓電路升壓、整流和濾波后得到約 DC170V高壓直流電,然后經全橋逆變電路 DC/AC 轉換和 LC 濾波器濾波后得到AC110V 的正弦交流電。
逆變器以 ARM 控制器為控制核心,輸出電壓和電流的反饋信號經反饋電路處理后進入 ARM 處理器的片內 AD,經 AD 轉換和數字 PI 運算后,生成相應的SPWM 脈沖信號,改變 SPWM 的調制比就能改變輸出電壓的大小,從而完成整個逆變器的閉環控制。
1.2 SPWM 方案選擇
1.2.1 PWM 電源芯片方案
采用普通的 P W M 電源控制芯片,如 SG3525,TL494,KA7500等,此類芯片的優點是能夠直接的產生脈寬調制信號,但是它缺點是波形線性不好,而且振蕩發生器是依賴充放電電路而產生波形,當要 PWM 芯片產生 SPWM 信號需要附加額外很多電路。
逆變器是一種把直流電能(電池、蓄電瓶)轉變成交流電(一般為220伏50HZ正弦波或方波)的裝置。我們常見的應急電源,一般是把直流電瓶逆變成220V交流的。簡單來講,逆變器就是一種將直流電轉化為交流電的裝置。
不管是在偏遠家村,或是野外需要或是停電應急,逆變器都是一個非常不錯的選擇。比較常見的是機房會用到的UPS電源,在突然停電時,UPS可將蓄電池里的直流電逆變為交流供計算機使用,從而防止因突然斷電而導致的數據丟失問題。
本文將介紹兩種比較簡單的逆變器電路圖。并附以簡單的逆變器電路圖說明,有興趣的朋友可以研究下,自已動手做一個逆變器也確實是一件非常有成就感的事。以下就是一張較常見的逆變器電路圖。
以上是一款較為容易制作的逆變器電路圖,可以將12V直流電源電壓逆變為220V市電電壓,電路由BG2和BG3組成的多諧振蕩器推動,再通過 BG1和BG4驅動,來控制BG6和BG7工作。其中振蕩電路由BG5與DW組的穩壓電源供電,這樣可以使輸出頻率比較穩定。在制作時,變壓器可選有常用雙12V輸出的市電變壓器。可根據需要,選擇適當的12V蓄電池容量。
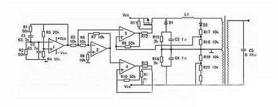
以下是一款高效率的正弦波逆變器電器圖,該電路用12V電池供電。先用一片倍壓模塊倍壓為運放供電。可選取ICL7660或MAX1044。運放1 產生50Hz正弦波作為基準信號。運放2作為反相器。運放3和運放4作為遲滯比較器。其實運放3和開關管1構成的是比例開關電源。運放4和開關管2也同樣。它的開關頻率不穩定。在運放1輸出信號為正相時,運放3和開關管工作。這時運放2輸出的是負相。這時運放4的正輸入端的電位(恒為0)總比負輸入端的電位高,所以運放4輸出恒為1,開關管關閉。在運放1輸出為負相時,則相反。這就實現了兩開關管交替工作。
當基準信號比檢測信號,也即是運放3或4的負輸入端的信號比正輸入端的信號高一微小值時,比較器輸出0,開關管開,隨之檢測信號迅速提高,當檢測信號比基準信號高一微小值時,比較器輸出1,開關管關。這里要注意的是,在電路翻轉時比較器有個正反饋過程,這是遲滯比較器的特點。比如說在基準信號比檢測信號低的前提下,隨著它們的差值不斷地靠近,在它們相等的瞬間,基準信號馬上比檢測信號高出一定值。這個“一定值”影響開關頻率。它越大頻率越低。這里選它為0.1~0.2V。
總結
方波輸出的逆變器效率高,對于采用正弦波電源設計的電器來說,除少數電器不適用外大多數電器都可適用,正弦波輸出的逆變器就沒有這方面的缺點,卻存在效率低的缺點,如何選擇這就需要根據自己的需求了。
免責聲明:本文為轉載文章,轉載此文目的在于傳遞更多信息,版權歸原作者所有。本文所用視頻、圖片、文字如涉及作品版權問題,請電話或者郵箱聯系小編進行侵刪。
推薦閱讀:
650V 60mΩ SiC MOSFET高溫性能測試對比,國產器件重載時溫度更低



