【導讀】給出了運算放大器上的兩個半周期整流器的方案,該方案具有根據輸入電壓極性切換輸入的功能。輸入的切換是通過取自比較器上的零指示器的輸出的控制信號來執行的。
給出了運算放大器上的兩個半周期整流器的方案,該方案具有根據輸入電壓極性切換輸入的功能。輸入的切換是通過取自比較器上的零指示器的輸出的控制信號來執行的。
精密二半周期整流器的工作原理是根據輸入電壓的極性來切換輸入,通常包含一個運算放大器,其同相輸入端由一個二極管并聯,圖 1,R1 = R2 = 2R3。

當輸入電壓的正半波進入輸入端時,二極管D1被鎖定。運放U1工作在同相放大器模式,傳輸系數等于R2/R1。輸出電壓等于輸入電壓:Uout = Uin。
當相應幅度的負半波到達器件輸入時,二極管D1打開,電路工作在反相放大器模式,傳輸系數等于–1,Uout = –Uin。
該電路的缺點是顯而易見的:由于二極管 D1 具有明顯的電阻,因此負極性輸入電壓較低,Uout ≠ –Uin。實際上,使用運放 U1 LM324 和二極管 D1 1N4148 時輸入信號的幅度應在 2.5 V 至電源電壓的范圍內。
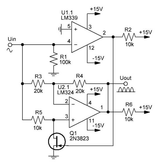
通過使用由比較器 U1.1 上的零檢測器控制的關鍵元件(FET Q1,圖 2或模擬開關 U2,圖 3 ) ,可以改善精密兩個半周期整流器的運行。
個器件的實際方案如圖 2 所示。

圖 2兩個半周期整流器,通過 FET 切換運算放大器的輸入。
在LM339芯片的比較器U1.1上對輸入信號進行過零檢測。從該檢測器的輸出,控制信號被施加到 FET Q1 2N3823 的柵極,該柵極切換 LM324 芯片的運算放大器 U2.1 的輸入。
使用運算放大器 U2.1 LM324 和 FET Q1 2N3823 時,輸入信號的幅度應在距電源電壓 0.5 V 的范圍內。
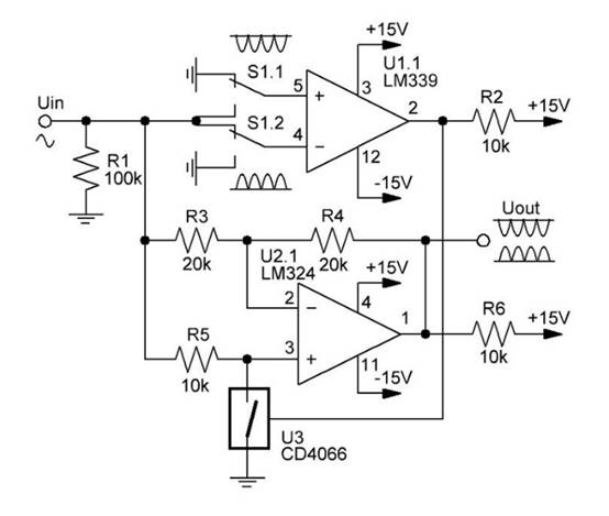
通過使用模擬 U3 開關作為開關元件(如圖 3 所示,例如 CD4066)或損耗更小的更現代的元件,可以改進兩個半周期整流器。為了減少公鑰的電阻,CD4066開關的所有4個通道應并聯。開關S1可以改變輸出信號的極性。

圖 3兩個半周期整流器,通過模擬開關切換運算放大器的輸入。
圖 3 中的兩個半周期整流器的精度可在 20 mV 至器件電源電壓的輸入電壓范圍內運行。整流器的頻率為 100 kHz,取決于有源元件的頻率特性。
免責聲明:本文為轉載文章,轉載此文目的在于傳遞更多信息,版權歸原作者所有。本文所用視頻、圖片、文字如涉及作品版權問題,請聯系小編進行處理。
推薦閱讀:



