【導讀】隔離電壓/電流感測在工業應用中具有多種用途,如圖 1 所示。它可用于檢測電源浪涌時的過壓或斷電時的欠流。此外,它還提供信號隔離以及電噪聲和瞬態干擾的抑制,防止系統故障。ACPL-K370/K376 是具有內置電壓/電流閾值檢測電路的模擬光耦合器器件。該器件具有檢測精度高、交流或直流電壓檢測范圍寬、閾值電流低等特點。ACPL-K370/K376 非常適合用于許多工業傳感應用,例如功率監控和溫度傳感。
隔離電壓/電流感測在工業應用中具有多種用途,如圖 1 所示。它可用于檢測電源浪涌時的過壓或斷電時的欠流。此外,它還提供信號隔離以及電噪聲和瞬態干擾的抑制,防止系統故障。ACPL-K370/K376 是具有內置電壓/電流閾值檢測電路的模擬光耦合器器件。該器件具有檢測精度高、交流或直流電壓檢測范圍寬、閾值電流低等特點。ACPL-K370/K376 非常適合用于許多工業傳感應用,例如功率監控和溫度傳感。
工業環境中使用 ACPL-K370 / K376 進行電壓/電流檢測的應用示例
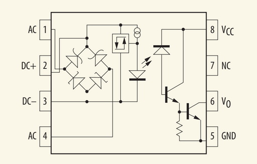
光隔離電壓/電流檢測器
在用于電壓/電流檢測的典型電氣控制系統中,輸入信號將是直流或交流信號,ACPL-K370/K376 輸入端的內部二極管電橋允許通過使用引腳輕松使用交流輸入信號如圖1和圖2所示的引腳4。ACPL-K370/K376的輸入部分由全波橋式整流器、閾值檢測集成電路和LED組成。橋式電路的齊納二極管可保護閾值電路和 LED 免受過壓/過流應力條件的影響。遲滯提供增強的抗噪能力,提供的溫度補償閾值水平。信號光學耦合到輸出檢測器集成電路,該電路由光電二極管和高增益達林頓配置放大器組成。
使用 ACPL-K370/K376 進行電壓/電流檢測
ACPL-K370/K376 具有預編程的上限和下限電壓和電流閾值電平 VTH+、VTH–、ITH+ 和 ITH–。為了實現更高的外部閾值檢測電平(V+或V–),可以在外部串聯一個電阻Rx,并將該電阻分成兩半,以減少功耗并改善瞬態保護。Rx 用于確定閾值電平,VTH+/ITH+ 或 VTH–/ITH–。與 ACPL-K370/K376 的連接圖如圖 3 所示。在某些應用中,為了更好地控制外部閾值檢測電平、上限和下限電壓閾值以及 Rx 和 Rp 的組合。ACPL-K370/K376 需要并聯 Rp。圖 4 說明了結合 Rx 和 Rp 進行交流電源檢測。為了獲得 Rx 和 Rp(由方程 1 和 2 控制),
使用 ACPL-K370 / K376 進行交流 / 直流功率閾值感應
K376.png
使用 ACPL-K370 / K376 改進交流電源閾值感應
公式 1 和 2:對于雙外部閾值電壓
ACPL-K370/K376 采用行業標準的拉伸 SO8 封裝,爬電距離和電氣間隙為 8 mm,并提供高工作絕緣電壓、高 CMR 和寬工作溫度范圍。ACPL-K370/K376 的電壓檢測精度對于直流輸入信號為 +/- 5 %,對于交流輸入信號為 +/- 6 %。與 ACPL-K370 相比,ACPL-K376 提供更低的閾值電流,因此可將功耗降低 52%(基于標稱開啟閾值)。
免責聲明:本文為轉載文章,轉載此文目的在于傳遞更多信息,版權歸原作者所有。本文所用視頻、圖片、文字如涉及作品版權問題,請聯系小編進行處理。
推薦閱讀:




