【導讀】幾乎所有現代工業系統都涉及交流/直流電源,這些系統從交流電網獲得能量,并將經過妥善調節的直流電壓輸送到電氣設備。隨著全球功耗增加,交流/直流電源轉換過程中的相關能量損耗,成為電源設計人員整體能源成本考慮的重要部份,特別是高耗電電信和服務器應用的設計人員。
幾乎所有現代工業系統都涉及交流/直流電源,這些系統從交流電網獲得能量,并將經過妥善調節的直流電壓輸送到電氣設備。隨著全球功耗增加,交流/直流電源轉換過程中的相關能量損耗,成為電源設計人員整體能源成本考慮的重要部份,特別是高耗電電信和服務器應用的設計人員。
氮化鎵有助于提高能效并減少交流/直流電源的損耗,進而有助于降低終端應用的擁有成本。例如,透過最低 0.8% 的效率增益,采用氮化鎵的圖騰柱功率因子校正(PFC)有助于100 MW數據中心在10年內節省多達700萬美元的能源成本。
選擇正確的 PFC 級拓樸
世界各地的政府法規要求在交流/直流電源中使用 PFC 級,藉以促進從電網獲得潔凈電力。PFC 對交流輸入電流進行調整以遵循與交流輸入電壓相同的形狀,因而達到從電網汲取最大的有功功率,電氣設備即可像無功功率為零的純電阻一樣運作。
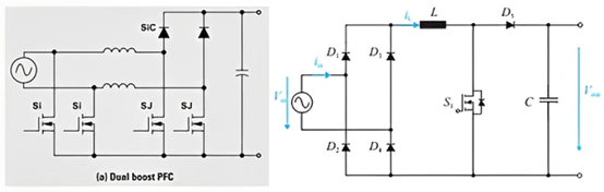
如圖一所示,傳統的 PFC 拓樸結構包括升壓 PFC(在交流線路后采用全橋式整流器) 和雙升壓 PFC。典型升壓 PFC 是常見的拓樸結構,這其中包含傳導損耗極高的前端橋式整流器。雙升壓 PFC 由于沒有前端橋式整流器,減少傳導損耗,不過這確實需要額外的電感,因此成本和功率密度受到影響。
圖一 : PFC 拓樸結構:雙升壓 PFC(b);升壓 PFC
可能提高效率的其它拓樸包括交流開關無橋接式 PFC、有源橋接式 PFC 和無橋接式圖騰柱 PFC,如圖二所示。交流開關拓樸使用兩個在開啟狀態下導通的高頻場效應晶體管 (FET) 和在關閉狀態下導通的碳化硅 (SiC) 二極管和硅二極管。有源橋式 PFC 直接以四個低頻 FET 取代連接到交流線路的二極管橋式整流器,二極管橋式整流器需要額外的控制和驅動電路。有源橋式 PFC 使用三個在開啟狀態下導通的 FET 和兩個低頻 FET,以及在關閉狀態下導通的 SiC 二極管。
圖二 : 可提高效率的各種 PFC 開關拓樸
相較之下,圖騰柱 PFC 只有在開啟和關閉狀態下導通的一個高頻 FET 和一個低頻硅 FET,因此在三種拓樸結構中達到最低的功率損耗。此外,圖騰柱 PFC 只需要最少數量的功率半導體組件,因此,在考慮整體組件數量、效率和系統成本時,這是有吸引力的拓樸。
氮化鎵在圖騰柱 PFC 中展現效益
傳統的硅金屬氧化物半導體 FET(MOSFET)不適合圖騰柱PFC,因為MOSFET的本體二極管具有極高的反向復原電荷,會導致高功率損耗和直通損壞的風險。SiC功率MOSFET比硅略有改善,固有本體二極管的反向復原較低。
另外,氮化鎵提供零反向復原損耗,在三種技術中達到最低的整體開關能量損耗 – 比同類 SiC MOSFET 低 50% 以上。這主要是因為氮化鎵具有更高的開關速度能力(100 V/ns 或更高)、更低的寄生輸出電容和零反向復原。氮化鎵 FET 中沒有本體二極管,因此完全沒有直通的風險。
TI 最近與Vertiv合作進行設計,協助該公司的3.5 kW整流器達到98%的峰值效率,相較于上一代硅 3.5 kW 整流器的 96.3% 峰值效率,達到1.7%的效率增益。若要將這種效率效益外推到實際的例證,使用采用氮化鎵的圖騰柱PFC有助于100 MW數據中心在 10 年內節省多達1490萬美元的能源成本,以及減少二氧化碳排放量的額外效益。
TI 氮化鎵中沒有反向復原損耗、輸出電容減少和重迭損耗,因此Delta Electronics中的 PFC 能夠在數據中心的節能服務器電源中達到高達 99.2% 的峰值效率。TI 氮化鎵 FET 內部的整合閘極驅動器允許 FET 達到高達 150 V/ns 的開關速度,因而降低高開關頻率下的整體損耗,而且 Delta 能夠達到 80% 的功率密度改善,同時將效率提高 1%。
氮化鎵技術在圖騰柱 PFC 設計中展現的效益顯而易見。隨著愈來愈多的電源單元設計人員改采氮化鎵,而且隨著氮化鎵制造商發布創新產品,電信和服務器電源設計人員有望持續提高功率密度和能效。
免責聲明:本文為轉載文章,轉載此文目的在于傳遞更多信息,版權歸原作者所有。本文所用視頻、圖片、文字如涉及作品版權問題,請聯系小編進行處理。
推薦閱讀:



