【導讀】汽車應用的電氣化和自動化趨勢推動了域控制器的興起,用以減輕線纜重量并將車輛架構簡化為多個局部化的電源中心。設計人員可以利用這種新興架構,將傳統保險絲和機械繼電器替換為更緊湊的電子保險絲 (eFuse),以提供更先進的保護功能,包括故障情況下更快速、更準確的響應。eFuse 將保護和開關功能集成到單個小尺寸封裝中。
eFuse 是局部配電方案的重要組成部分,可為車輛的電子控制單元 (ECU) 等多個負載點提供關鍵的智能保護,如圖 1 所示。這些 eFuse 負責保護整個車輛的傳感器(距離傳感器、溫度傳感器等)、攝像頭、低壓電機(用于汽車座椅、車窗控制)及前大燈和尾燈免受過流事件的影響。
圖 1:域控制器中使用 eFuse
設計人員面臨的另一個挑戰是印刷電路板 (PCB) 被限制在極小面積下,實現每個 ECU 網絡內驅動多個獨立(阻性、容性和感性)負載。每個 ECU 負載可能有不同的電流和電壓范圍要求,導致設計人員不得不使用多種 eFuse 型號。此外,根據嚴格的汽車要求規定,eFuse 必須能夠承受接地短路事件,同時確保電源,和其他下游負載不受此類瞬變的影響。
安森美 (onsemi) 的新型 NIV3071 eFuse具有 8V 至 60V 工作輸入電壓范圍,在緊湊的 5x6mm 封裝中集成了 4 個獨立通道,可以同時驅動多個并聯負載。每個獨立通道可支持 2.5A 連續電流,4 個通道并聯時可支持 10A 連續電流。NIV3071 支持各種負載,包括阻性負載、感性負載和容性負載。NIV3071 可驅動大的容性負載,經測試在 Vin = 52 V、60ms 爬坡時間、Iout = 866mA、Ta = 25°C 時支持高達 1mF 容性充電。寬工作輸入電壓范圍使 NIV3071 非常適合 12V 和 48V 汽車應用。
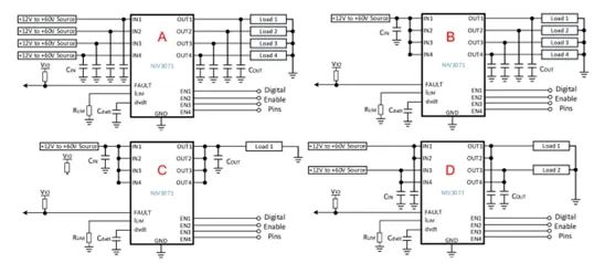
此外,汽車設計人員可利用 NIV3071 的靈活性以多種配置驅動各種負載,如圖 2 所示。4 個獨立通道可以工作在允許范圍內的任意大小的不同電壓下(通常為 12V、24V、36V 和 48V,但不限于此),如配置 A 所示。該器件也可以連接單個電源,即所有輸入連接在一起(例如 48 V)來驅動 4 個不同的下游負載,如配置 B 所示。配置 C 顯示了 NIV3071 并聯4個通道驅動高達 10A 的連續電流,而配置 D 突出顯示了 eFuse 驅動 2 個負載,每個負載最高可達 5 A。
圖 2:NIV3071 配置
NIV3071 有助于實現穩健的設計,其能夠承受輸入電壓 ≤60 V 的接地短路事件而不損壞,即使輸入和輸出上的線束電感高達 5 uH,也無需輸出肖特基二極管的保護,如圖 3 所示。NIV3071 還支持各種負載的運行,包括 25°C 時為高達 1 mF 的容性負載充電。
圖 3:NIV3071 穩健可靠,能夠承受接地短路事件
NIV3071 eFuse 的性能優于傳統保險絲和正溫度系數保險絲 (PTC)。在短路事件中,eFuse 可確保下游負載在故障情況下始終受到保護。圖 4 展示了 NIV3071 的快速響應時間,它能夠最大限度地減少電流尖峰,同時確保連接到同一電源的所有其他電路具有穩定的供電 (VCC)。
圖 4:NIV3071 穩健性 – 短路事件
總之,eFuse 是域控制器架構的關鍵要素,可確保整個車輛的局部 ECU 受到保護且穩健可靠。憑借寬工作電壓范圍和同時驅動多個并聯負載的能力,NIV3071 可以在驅動多個下游負載的同時最大限度地減少保護方案所需的 PCB 面積。NIV3071 提供穩健的域控制設計,無需額外的分立保護電路,它就能承受eFuse通路上連接線束電感達到5uH并且工作電壓高達 60V條件下的接地短路事件,與之類似的工業版本 NIS3071 也已推出。
免責聲明:本文為轉載文章,轉載此文目的在于傳遞更多信息,版權歸原作者所有。本文所用視頻、圖片、文字如涉及作品版權問題,請聯系小編進行處理。
推薦閱讀:




