【導讀】壓縮機是汽車空調的一部分,它通過將制冷劑壓縮成高溫高壓的氣體,再流經冷凝器,節流閥和蒸發器換熱,實現車內外的冷熱交換。傳統燃油車以發動機為動力,通過皮帶帶動壓縮機轉動。而新能源汽車脫離了發動機,以電池為動力,通過逆變電路驅動無刷直流電機,從而帶動壓縮機轉動,實現空調的冷熱交換功能。
壓縮機是汽車空調的一部分,它通過將制冷劑壓縮成高溫高壓的氣體,再流經冷凝器,節流閥和蒸發器換熱,實現車內外的冷熱交換。傳統燃油車以發動機為動力,通過皮帶帶動壓縮機轉動。而新能源汽車脫離了發動機,以電池為動力,通過逆變電路驅動無刷直流電機,從而帶動壓縮機轉動,實現空調的冷熱交換功能。
電動壓縮機是電動汽車熱管理的核心部件,除了可以提高車廂內的環境舒適度(制冷,制熱)以外,對電驅動系統的溫度控制發揮著重要作用,對電池的使用壽命、充電速度和續航里程都至關重要。
圖1:電動壓縮機是電動汽車熱管理的核心部件
電動壓縮機需要滿足不斷增加的需求,包括低成本、更小尺寸、更少振動和噪聲、更高功率級別和更高能效。這些需求離不開壓縮機驅動電路的設計和優秀器件的選型。
電動壓縮機控制器功能包括:驅動電機(逆變電路:包括ASPM模塊或者分立器件搭載門極驅動,電壓/電流/溫度檢測及保護,電源轉換),與主機通訊(CAN或者LIN ,接收啟停和轉速信號,發送運行狀態和故障信號)等,安森美(onsemi)在每個電路中都有相應的解決方案(圖1)。本文重點探討逆變電路ASPM模塊方案。
圖2:電動壓縮機驅動電路控制框圖
ASPM 汽車級智能功率模塊
汽車級智能功率模塊(Automotive Smart Power Module,ASPM)是一種集成了功率半導體器件、驅動電路和控制電路的模塊化解決方案,旨在提供高效、可靠、緊湊的電力轉換和控制。
圖3:安森美(onsemi)的ASPM27(左)和ASPM34(右)
ASPM汽車級智能功率模塊的優勢
ASPM模塊功率芯片和 IC 芯片被直接焊接到銅質的引腳框架上,接著用陶瓷覆蓋引腳框架,最后放到環氧樹脂中澆鑄成型。相比分立方案來說大大減小了寄生電感,減少了整體設計的器件的數量和PCB 板所需的面積,提供高絕緣耐壓并能維持良好散熱性能。
圖4:ASPM內部結構
1.成本
在成本上如果單獨比較ASPM模塊和分立器件的器件成本,模塊的成本會更高。但從整個系統成本來說,考慮到PCB、機械安裝、質量和性能成本,系統功率越高,使用ASPM模塊會更有優勢。
2.熱性能
圖5:ASPM的熱性能優勢
在電動壓縮機的設計中,散熱特性是一個關鍵因素,它直接影響到模塊的電流承載能力。因此,封裝的散熱特性在決定其性能表現時至關重要。在散熱特性、封裝尺寸以及隔離特性之間存在著權衡關系。優秀的封裝技術的關鍵在于,優化封裝尺寸,同時保持卓越的散熱性能,而不犧牲隔離等級。
以650V ASPM27系列為例,這些模塊采用了DBC(覆銅板)基板技術,帶來了良好的散熱性能。功率芯片直接貼裝在DBC基板上,使得熱量能夠更有效地從芯片傳導至外部,從而提高了散熱效率和可靠性,這對于維持功率模塊在大電流工作下的長期穩定性和延長使用壽命至關重要。
因為溫度直接影響產品的性能、可靠性和壽命,所以大多數設計者都希望精確了解功率芯片的溫度。然而,由于封裝內部的功率芯片(如IGBT、FRD)是在高壓條件下工作的,直接測量其溫度變得較為困難。過去,由于成本和技術原因,設計者往往不是直接測量功率芯片的溫度,而是采用外置的NTC熱敏電阻去檢測模塊或散熱器的溫度,這種方法雖然簡單,但并不能準確反映功率組件本身的溫度情況。而在1200V ASPM34系列中,設計上的一大創新點就是將NTC熱敏電阻與功率芯片集成在同一陶瓷基板上,實現在模塊內部進行溫度采樣。這樣一來,就能夠更加準確地反映出功率芯片的實際溫度狀況,讓開發人員清楚的知道模塊內部溫度裕量,并在系統控制中做相應的措施,比如在低轉速時,系統散熱不好導致模塊溫度過高,可以適當提高頻率,加強散熱;或者在高頻大功率時適當降低頻率或者做過溫停機保護。安森美的ASPM模塊的開關頻率設計高達20kHz以上(ASPM27-V3可達40kHz,FS4的IGBT開關速度更快,開關損耗更低),可以輕松應對現有電動壓縮機15000轉/分鐘以下的轉速采樣要求。
圖6:ASPM27內部電路框圖
3.功率密度
ASPM相比分立IGBT方案極大程度的降低了線路電感,無需考慮分立器件間的電氣安全距離;引腳與散熱面間高達2500V的絕緣,無需像IGBT那樣必須額外增加絕緣墊片。且安裝方便,可靠性高。
圖7:ASPM方案對比分立IGBT方案的功率密度
4.可靠性
ASPM模塊集成了優化的保護電路和與IGBT 開關特征相匹配的驅動,可以為開發者極大的縮短電路匹配和開發時間。通過集成欠壓保護功能和短路保護功能,系統可靠性得到了很大程度的提高。內置高速 HVIC 具備抵抗dv/dt 和負壓的能力,提供了一種無需光耦隔離的 IGBT 驅動能力。集成的 HVIC 允許使用無需負電源的單電源驅動的拓撲。
圖8:HVIC具備抵抗dv/dt和負壓能力
要實現更高的可靠性,可以盡量減小不同材料間CTE的mismatch。安森美的ASPM模塊通過AEC-Q和AQG324認證,分立器件是按照AECQ100/101進行認證的。我們也可以考慮根據客戶特定的要求進行一些特殊的可靠性測試。
趨勢和挑戰
為高壓環境下的電動壓縮機選擇功率器件時需要考慮到裕量的概念,以確保有足夠的安全余地應對各種條件下的電壓波動和瞬態事件。
裕量通常是基于以下幾種考慮:
1.穩態電壓裕量:在正常工作狀態下,考慮到電壓波動、負載變化等因素,設計時通常會讓實際工作電壓低于功率器件標稱耐壓值,比如如果電池系統最高電壓為400V,則650V耐壓的器件提供了250V的電壓裕量。
2.瞬態電壓裕量:在開關操作或電網異常等情況下,可能會出現瞬間的電壓尖峰,此時裕量用來保證在這些短暫但強烈的電壓沖擊下,器件不會被擊穿。
3.可靠性裕量:長期運行過程中,功率器件的耐壓性能可能會因為溫度、老化等因素逐漸下降,因此提供足夠的電壓裕量有助于延長器件壽命,提升整個系統的可靠性。
650V耐壓的功率器件在應用于峰值電壓接近其額定值的系統時,設計者需要仔細評估電壓裕量是否足夠,確保在所有預期的操作條件下,功率器件都能安全穩定地工作。隨著電動汽車技術的發展,電池電壓平臺不斷上升,有些車企的400V平臺的峰值電壓達到了500V以上,當原有的650V ASPM模塊在新的應用場合下裕量不足時,就會推動市場和技術向更高耐壓等級如750V的ASPM模塊發展。
在800V平臺,由于乘用車壓縮機尺寸比較小,選用1200V 模塊時PCB設計難度相對較大,因為小型化的壓縮機內部空間有限,設計高電壓等級的PCB布局時需要確保關鍵元器件之間有足夠的電氣安全距離,這對于高密度封裝的功率模塊來說是一項挑戰。模塊在高電壓下工作時產生的損耗更大,需要高效的散熱方案,而小型化設計可能限制了散熱面積和散熱路徑的設計,增加了熱管理設計的復雜度。高電壓等級意味著更高的電磁干擾風險,需要更加細致的PCB走線設計和屏蔽措施,以符合相關電磁兼容標準。還需確保在高電壓水平下,PCB的絕緣性能達標,防止爬電、擊穿等問題的發生。高電壓和大電流傳輸所需的線路寬度、間距以及層數都可能增加,同時也需要考慮降低寄生參數的影響,如電感和電阻,以優化開關性能和減少損耗。針對這些挑戰和需求,安森美即將推出下一代更小尺寸的1200V模塊,內部集成最新的FS7 IGBT,解決上述挑戰,實現更優化的性能,面積縮小了36%,并且還提高了絕緣耐壓特性,為電動壓縮機控制器的設計帶來更多提升。
電路設計和PCB布局Tips
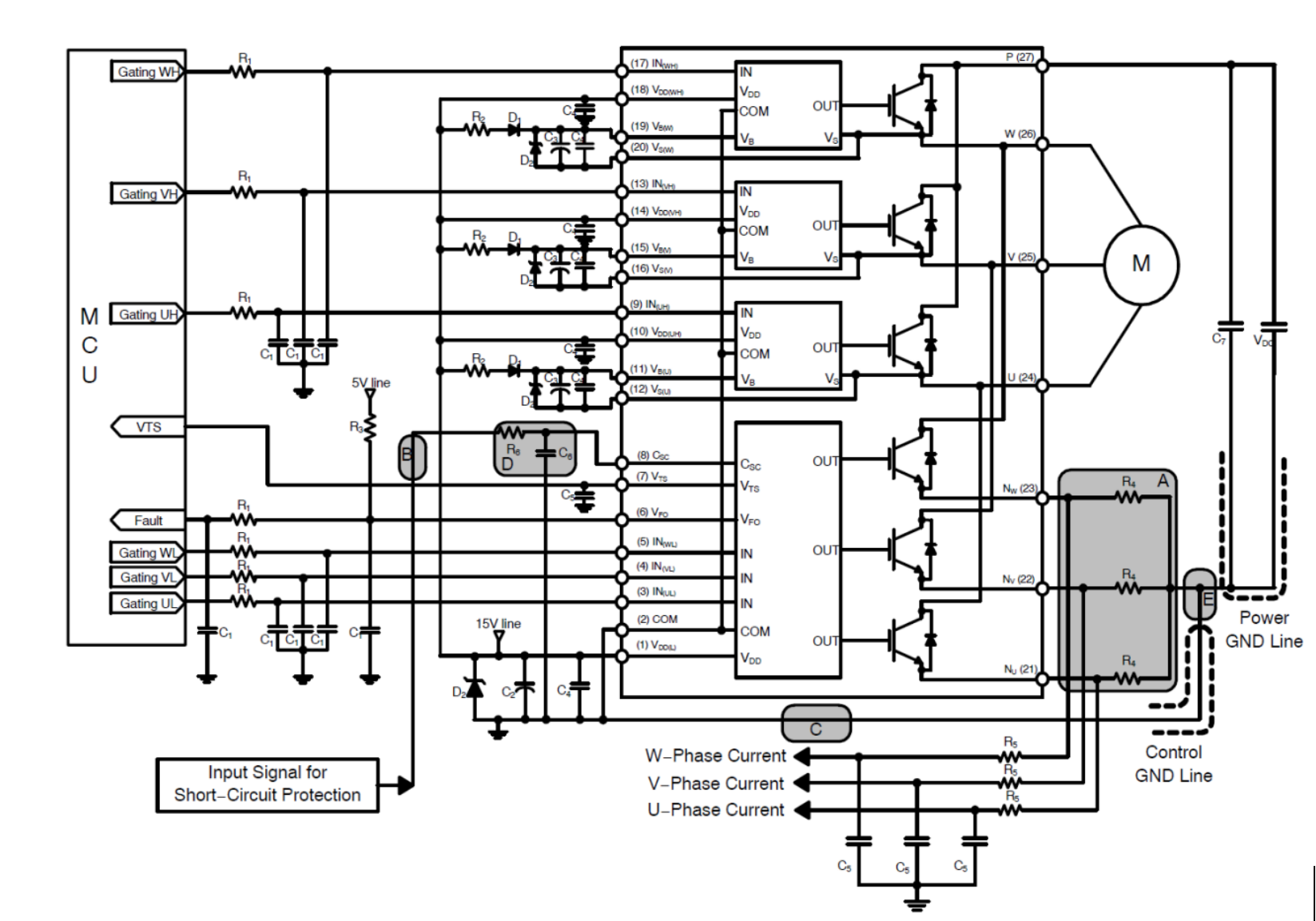
圖9:650V ASPM27系列應用電路圖
圖示的器件參數請參考650V ASPM27汽車智能功率模塊系列應用手冊。
對于PCB layout的設計建議:
1.設計時建議功率地和數字地單點接地,接地線盡量短且不能太寬;
2.采樣電阻距離Nu,Nv,Nw引腳應該盡量的短,減少走線帶來的寄生電感;
3.Csc保護RC的走線應該盡量的短,且濾波電容的地最好接到控制地而非功率地;
4.PN兩端的吸收電容放在距離模塊越近,對IGBT產生的Vce尖峰吸收效果越好;
5.自舉電容和穩壓管放置在距離模塊引腳最近的地方,每一路之間應考慮電氣間隙和爬電距離要求;自舉電容的充放電讓其本身成為一個干擾源,應注意他與其他易被干擾的弱電電路之間的距離;
6.模塊供電電容也應盡量靠近模塊引腳;
7.輸入控制信號Vin的RC都應靠近模塊引腳,而非mcu,確保輸入到模塊內部的信號是干凈的。
圖10:650 V ASPM27 PCB布局設計
結語
ASPM模塊是汽車電動壓縮機、水泵等電機控制中理想的控制器件;但隨著汽車電池往更高的電壓發展(比如電池最高電壓達到900V以上),且效率要求越來越高,使用IGBT作為功率器件的ASPM面臨一定的局限性。相同耐壓規格的SiC器件本身耐壓遠高于IGBT,且其開關損耗遠低于IGBT器件,可以適應更高轉速,更高效率的要求。
免責聲明:本文為轉載文章,轉載此文目的在于傳遞更多信息,版權歸原作者所有。本文所用視頻、圖片、文字如涉及作品版權問題,請聯系小編進行處理。
推薦閱讀:
自動緊急制動系統(AEB) 提案已落后于最新的汽車解決方案嗎?





