【導讀】連續騷擾電壓測量主要測量EUT沿著電源線向電網發射的騷擾電壓,測量頻率為0.15~30MHz。測量一般在屏蔽室內進行。當測量頻率升高到30MHz以上時,人工電源網絡AMN內的電感、電容器分布參數影響加大,使其不能起到良好的隔離和濾波作用,所以應采用功率吸收鉗進行測量。
騷擾的傳導發射測試
傳導發射測試是測量受試設備(EUT)通過電源線或信號線向外發射的騷擾。根據騷擾的性質,傳導騷擾測試可分為連續騷擾電壓測量、騷擾功率測量、斷續騷擾喀嚦聲測量、諧波電流測量、電壓波動和閃爍測量。
1.1.2.1連續騷擾電壓測試
連續騷擾電壓測量主要測量EUT沿著電源線向電網發射的騷擾電壓,測量頻率為0.15~30MHz。測量一般在屏蔽室內進行。測量時需要在電網和EUT之間插入一個人工電源網絡(LISN或AMN),其原理如圖15所示。AMN的作用是隔離電網和EUT,使測到的騷擾電壓

圖15:人工電源網絡基本結構

圖16:50Ω/50μH 的V型AMN

圖17:150Ω的Δ型AMN

圖18:臺式設備的傳導騷擾測量布置圖
僅是EUT發射的,不會有電網的騷擾混入。另一作用是為測量提供一個穩定的阻抗,因為電網的阻抗是不確定的,阻抗不一樣EUT的騷擾電壓值也不相同,所以要規定一個統一的阻抗,通常為50Ω。AMN實際上是個雙向低通濾波器,電網中的騷擾由50μH和1.0μF的濾波器濾掉,不能進人騷擾測量儀,而EUT發射的騷擾由于50μH濾波器的阻擋不能進人電網,只能通過0.1μF電容進入騷擾測量儀。測量儀的輸入阻抗是50Ω,所以EUT騷擾的負載阻抗約等于50Ω。對于50Hz的工頻電源,仍然可以通過AMN向EUT供電。圖15中的AMN僅是一種基本結構,由基本結構可以組成V型AMN,用于測量電源中相線—地線和零線—地線的不對稱騷擾電壓,見圖16。也可組成Δ型AMN,除了測量線-地間的不對稱騷擾電壓外還可以測量相線—零線間的對稱騷擾電壓,見圖17。測量時EUT和AMN的布置、連接線的長度和走向等都應按標準規定的要求進行。AMN外殼要良好接地,否則將影響電網和EUT之間的隔離。圖18為臺式設備的傳導騷擾測量布置圖。
1.1.2.2連續騷擾的功率測試
當測量頻率升高到30MHz以上時,人工電源網絡AMN內的電感、電容器分布參數影響加大,使其不能起到良好的隔離和濾波作用;所以應采用功率吸收鉗進行測量。功率吸鉗的結構如圖19(a)所示。

圖19:30—300MHz連續騷擾的功率測試
(a)功率吸收鉗的結構 (b) 測量布置
其中C是電流探頭,包括鐵氧體環和探測線圈,作用是測量電源線上的騷擾共模電流。D是鐵氧體環組,作為騷擾共模電流的穩定負載,吸收騷擾功率,并用于隔離EUT和電網。如果在50MHz以下鐵氧體環組D不能充分起到射頻隔離作用,則應在電網端再加一個輔助吸收鉗F,它也是由鐵氧體環組成。E也是鐵氧體環組,用于吸收外場在電流探頭引出電纜上產生的共模電流,以免影響測量結果。測量布置如圖19(b)所示,測試應在屏蔽室內進行,電源線長度應大于6m,即大于30MHz的半波長加上吸收鉗的長度。對于每一個測試頻率點,吸收鉗都應沿著電源線移動,找出最大值,因為共模電流在導線上是以駐波形式出現的。功率吸收鉗測量系統應事前進行校準,得到修正因子—頻率曲線。校準布置如圖20所示。

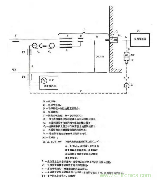
圖20:功率吸收鉗的校準布置
校準時先把校準信號直接輸入測量接收機,記錄讀數a’;然后把校準信號輸入到校準線上,移動功率吸收鉗,找出第一個最大值,記錄讀數a;于是得到插入損耗L= a’-a。因為騷擾功率用dB(pW)表示,測量接收機的讀數是dB(μV),對于50Ω系統,二者差17dB,為了方便起見,廠家直接將17dB從插入損耗中減去,給出修正因子。所以測量時,只要將測量接收機的讀數加上修正因子就是騷擾功率。
應注意的是功率吸收鉗雖然是加在電源線上進行測試,但是測量的實際上并不非傳導發射,而是輻射發射。EUT的輻射發射有二種類型,一類是EUT內部各種電流環路中的差模電流產生的電磁波,通過機箱殼體的縫隙向外的輻射,另一類是共模電流輻射。共模電流輻射需要共模源和天線,由于電路設計或布線不當,在EUT內部形成等效的共模源;等效共模天線的一部分是外接電纜,另一部分則是往往EUT內部的地和金屬機箱。當機箱尺寸接近被測頻率的四分之一波長時,機箱作為等效共模天線的一部分發射效率將大大提高,這是吸收鉗法不適合評價EUT全部輻射能力的原因之一。此外如果EUT除電源線外還有其他外接電纜,這些電纜也可能有共模電流輻射。所以用吸收鉗法來評價EUT全部輻射能力的限制條件是:小型EUT、30~300MHz頻率段、單電纜連接。當然如果用吸收鉗法來進行診斷測試,上述限制就沒有必要,吸收鉗法測到的是連接被測電纜的等效共模源的騷擾功率,用50Ω標準信號源的功率表示。由于被測電纜相當于輻射天線,所以測試時人應遠離測試裝置,吸收鉗和測量接收機之間的連接電纜最好也套上磁環。




