中心議題:
- 新型雙極性晶體管具備低VCEsat
- 雙極性晶體管在溫度穩定性、ESD強度和反向阻斷方面具備優勢
近年來,中功率雙極晶體管在飽和電阻和功率范圍上的重大突破,極大地拓寬了此類器件的應用領域。恩智浦最新推出的SMD封裝中功率晶體管(BISS 4)再次顯現出雙極晶體管的技術優勢,在為開關應用帶來了開關損耗更小,效率更高的同時,也贏得了更多的市場空間。
簡介
近年來雙極晶體管復蘇勢頭強勁。一直由MOSFET器件控制的大功率開關領域也出現了變化,在消費電子和通信便攜式設備中,越來越多的充電電路和負載開關開始采用雙極晶體管。其中的主要原因是:通過提高半導體芯片中的電流均衡分配,雙極晶體管在降低飽和電阻方面取得了巨大成功,新器件可以獲得更為穩定的大電流增益。雙極晶體管電流驅動的先天不足被顯著彌補,而在溫度穩定性、ESD強度和反向阻斷方面的優勢再次得到肯定。
通過推出BISS(突破性小信號)晶體管系列,恩智浦半導體取得了市場領導地位。第四代BISS晶體管(BISS 4,表1)的全新架構是SMD中功率雙極晶體管技術發展的里程碑,有力拓寬了雙極晶體管的應用領域。
Single transistors Type Package Polarity VCEO IC ICM RCEsat typ (mΩ) @ IC; PBSS4021NT SOT23 NPN 20 4.3 8 36 PBSS4021NX SOT89 7 15 19 PBSS4021NZ SOT223 8 20 14 PBSS SOT23 PNP 3.5 8 55 PBSS4021PX SOT89 6.2 15 23 PBSS4021PZ SOT223 6.6 20 22 PBSS4041NT SOT23 NPN 60 3.8 8 46 PBSS4041NX SOT89 6.2 15 25 PBSS4041NZ SOT223 7 15 17.5 PBSS SOT23 PNP 2.7 8 80 PBSS4041PX SOT89 5 15 40 PBSS4041PZ SOT223 5.7 15 29 Double transistors(負載開關應用優化) Type Package Polarity VCEO IC ICM RCEsat typ (mΩ) @ IC; PBSS4021SN SOT96 (SO8) NPN/NPN 20 7.5 15 25 PBSS4021SPN NPN/PNP 7.5/6.3 15 25/36 PBSS4021SP PNP/PNP 6.3 15 36 PBSS4041SN NPN/NPN 60 6.7 15 32 PBSS4041SPN NPN/PNP 6.7/5.9 15/10 32/47 PBSS4041SP PNP/PNP 5.9 10 47
相關型號縱覽:應用于負載開關的超低VCEsat、優化產品
[page]
(V)
(A)
(A)
IC/IB = 10
(SC-62)
(SC-73)
(SC-62)
(SC-73)
(SC-62)
(SC-73)
(SC-62)
(SC-73)
(V)
(A)
(A)
IC/IB = 10
相關型號縱覽:應用于高速切換的低VCEsat、優化產品 Single transistors Type Package Polarity VCEO IC ICM RCEsat typ (mΩ) @ IC; PBSS4032NT SOT23 NPN 30 2.6 5 76 PBSS4032ND SOT457 3.5 6 50 PBSS4032NX SOT89 4.7 10 45 PBSS4032NZ SOT223 4.9 10 45 PBSS SOT23 PNP 2.4 5 110 PBSS4032PD SOT457 2.7 5 88 PBSS4032PX SOT89 4.2 10 58 PBSS4032PZ SOT223 4.4 10 58 Double transistors Type Package Polarity VCEO IC ICM RCEsat typ (mΩ) @ IC; PBSS4032SN SOT96 (SO8) NPN/NPN 30 5.7 10 45 PBSS4032SP PNP/PNP 4.8 10 65 PBSS4032SPN NPN/PNP 5.7/4.8 10 45/65
(V)
(A)
(A)
IC/IB = 10
(SC-74)
(SC-62)
(SC-73)
(SC-74)
(SC-62)
(SC-73)
(V)
(A)
(A)
IC/IB = 10
兩種產品類型——系列產品的架構和技術規格
由于雙極晶體管電阻受多重因素影響,開發新型中功率雙極晶體管需要認真評估完整的晶體管架構(選材、芯片設計、芯片金屬化、芯片/封裝連接和封裝架構)。第四代BISS雙極晶體管系列共分兩類。
第一類是超低VCEsat雙極晶體管——旨在最大程度降低飽和電阻RCEsat。這也是此類產品架構設計時遵循的唯一理念(芯片設計、半導體襯底電阻、芯片金屬化、芯片/封裝連接),其目的就是在SMD封裝結構中獲得14 mΩ的低飽和電阻。
第二類是高速開關類雙極晶體管,除降低飽和電阻RCEsat外,此類器件還需要在快速開關和存儲時間ts(大約140 ns)方面進行改進,以滿足高頻應用需求。此類器件需要在規定的電阻和開關時間之間獲取平衡,滿足相關設計特性的要求。
這兩類晶體管都非常重視產品封裝,標準SMD封裝形式包括:SOT23、SOT457/SC-74、SOT223、SOT89和SOT96/SO-8。這一理念不僅能夠滿足客戶多樣化的標準應用需求,同時也為量產提供了保證。
恩智浦此次針對通信和汽車電子領域推出了20 - 60 V產品,今后還有望開發出20 - 100 V的雙極晶體管。
產品設計
這兩類晶體管產品(符合汽車應用的AECQ-101標準)采用不同的架構和設計方法以滿足不同的設計考量和技術規范要求。我們需要了解的是產品中哪些元件會對電阻和飽和電壓造成影響,影響的程度有多大,以及哪些措施會影響開關時間特性。
影響飽和電壓的主要因素是電阻電壓降以及復合和注入元件。由于復合和注入電壓總和相對輕微,因此重點需要注意電阻元件,主要包括半導體襯底電阻、芯片設計以及封裝和互連技術的電阻。
降低飽和電壓:低電阻半導體襯底、芯片金屬化結構和芯片設計
通過選擇不同的低電阻襯底,比如:圖1所示的摻磷/摻砷襯底,可以有效降低半導體中的電壓降比例。另一個重要的影響因素是電流分配,應在整個芯片范圍內盡可能保持均衡,將芯片前端金屬化擴展電阻降至最低。對于BISS晶體管,芯片中的均衡電流分配通過一種稱為網格技術的手段來實現——將晶體管分成不同的格柵結構。第四代BISS晶體管采用受專利保護的雙層金屬化布局,能夠最大程度提升發射極線路金屬厚度,降低飽和電阻(參見圖2)。

圖1

圖2
[page]
縮短開關時間:集成鉗位元件,降低擴散電容
要在降低飽和電壓的基礎上縮短開關時間,關鍵是最大程度降低開關操作中晶體管的擴展電容。這主要通過集成寄生的鉗位結構(圖3)來實現,該設計可以避免過驅動處于飽和狀態的晶體管,能夠有效降低晶體管的存儲時間ts。

圖3
典型應用
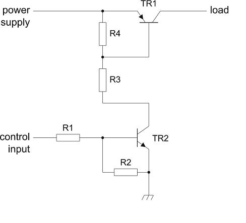
低VCEsat晶體管兼具雙極晶體管的優勢和低RCEsat值,主要滿足常規開關應用(與典型的RDSon MOSFET器件有所不同),包括驅動電壓較小的電池驅動設備用負載開關(圖4)。由于實際應用中反向電流阻斷和高能效具有決定性意義,因此雙極晶體管比MOSFET更有優勢。低VCEsat晶體管常常作為充電晶體管使用,比如:手機的電源管理單元。

圖4
另外,筆記本電腦中使用低VCEsat晶體管,可以降低風扇或接口電源負載開關的損失,延長電池使用時間。
除了具有低VCEsat特點外,針對開關時間優化的雙極晶體管完全滿足高頻開關應用(50 - 200 kHz)要求,典型應用包括PWM和開關式電源。其中,使用冷陰極熒光燈(CCFL)的背光顯示器就屬于開關式電源應用。不同的電源規格需要有相應的功率等級與之匹配,恩智浦各種類型的SMD封裝器件為用戶提供了最好的選擇。
市場前景
低VCEsat晶體管的問世為雙極晶體管開拓了應用更加廣泛的市場空間,特別是為便攜式設備的負載開關應用帶來了高效解決方案。為滿足該行業中高端設備需求,未來有望推出無引線封裝產品,進一步降低器件高度,縮小板載空間占用。低VCEsat雙極晶體管的未來發展非常值得期待。




