- 自動洗衣機的洗衣程序設計
- 洗衣機控制器的硬件組成原理
- 程序:洗滌—脫水—脫水—漂洗—脫水—漂洗—脫水
- 硬件:單片機Z86C09、電源、過零檢測、鍵盤和顯示、雙向晶閘管觸發電路
全自動洗衣機就是將洗衣的全過程(泡浸-洗滌-漂洗-脫水)預先設定好N個程序,洗衣時選擇其中一個程序,打開水龍頭和啟動洗衣機開關后洗衣的全過程就會自動完成,洗衣完成時由蜂鳴器發出響聲。
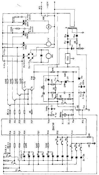
全自動洗衣機由洗衣系統和控制電路組成。其控制電路分為機械和電腦型,電腦型控制電路是以單片機作為控制電路的核心。圖1給出單片機Z86C09組成的全自動洗衣機的控制電路。
Ⅰ.自動洗衣機的洗衣程序
洗衣機面板上有4個按鈕K1、K2、K5和K6。
K1用于水流選擇,分兩檔:普通水流與柔和水流;
K2用于洗衣周期選擇,可以選擇洗滌、漂洗和脫水三個過程;
K5是暫停開關;
K6是洗衣程序選擇鍵。洗衣程序分為標準程序和經濟程序。
洗衣機的標準洗衣程序是:洗滌——脫水——脫水——漂洗——脫水——漂洗——脫水。經濟洗衣程序少一次漂洗和脫水過程。
1.滌過程
通電后,洗衣機進入暫停狀態,以便放好衣物。若不選擇洗衣周期,則洗衣機從洗滌過程開始。當按暫停開關鍵K5時,進入洗滌過程。首先進水閥FV通電,打開進水開關,向洗衣楊供水;當到達預定水位時,水位開關K4接通,進水閥斷電關閉,停止進水;電機MO接通電源,帶動波輪旋轉,形成洗衣水流。電機MO是一個正反轉電機,可以形成往返水流,有利于洗滌衣物。
2.脫水過程
洗滌或漂洗過程結束后,電機MO停止轉動,排水閥MG通電,開始排水。排水閥動作時,帶動離合器動作,使電機可以帶動內桶轉動。當水位低到一定值時,水位開關K4斷開,再經過一段時間后,電機開始正轉,帶動內桶高速旋轉,甩干衣物。
3.漂洗過程
與洗滌過程操作相同,只是時間短一些。
全部洗衣工作完成后,由蜂鳴器發出音響,表示衣物已洗干凈。
Ⅱ.洗衣機控制器的硬件組成原理
洗衣機控制器由單片機Z86C09作為控制器的核心所構成,該控制器具有以下特點:
(1)具有較強的抗干擾能力,當受到外部強干擾,程序出錯時,可以自動使系統復位重新執行程序。
(2)采用無噪聲、無電磁干擾的雙向晶閘管作為控制元件,控制電磁閥和電機。
(3)具有欠壓和過壓保護,欠壓時,控制器不工作;超壓時,保護電路起作用。
(4)具有瞬間掉電保護功能,電源短時間停電后,電壓恢復時,能夠維持原運行程序的工作狀態并繼續完成洗衣程序。
(5)各種操作和洗衣機的運行狀態均用LED顯示。
下面分別介紹各部分的特點及組成原理。
1.單片機Z86C09
Z86C09是Z8系列單片機中最簡單的一種,成本較低。采用COMS結構,具有耗電少、抗干擾力強和工作電壓寬等特點,可在2.5~5.5V的電壓范圍內工作。Z86C09有14條I/O線,P2.0~P2.7是雙向I/O口,可以按位設置輸入或輸出。P3口中P3.1~3.3規定為輸入口,可作為輸入端或中斷請求端。P3.4~P3.6規定為輸出口。Z86C09內部含有2個多功能定時/計數器,2K字節的ROM和144字節的寄存器陣列。
2.電源電路部分
控制器的電源由變壓器B、整流二極管D14~D19、濾波電容C1和穩壓集成電路7806組成。7806輸出的電壓分三路分別用于晶閘管觸發,提供鍵盤輸入和LED顯示,以及提供單片機的電源。后兩路各經過一個二極管和一個電容,當7806的輸出電壓下降時,還可以依靠電容保持的能量,維持電路再工作一段時間。
晶體管T11、T10和穩壓管DW組成欠壓保護電路。當電源電壓不足,T11的基極電壓小于3.9V時,T11截止,T10也截止。Z86C09的P3.1端沒有電壓,常為低電平。T12截止,造成T5~T9的發射極均懸空,因此T5~T9截止,不受Z86C09控制。這時,雖然Z86C09能夠正常工作,但外圍控制元件全部關斷,洗衣機不工作。單片機的P3.1端輸入判別欠壓保護電路工作狀態的信號,只有當電壓正常后,單片機才開始執行洗衣程序。
當電源電壓超過使用電壓時,壓敏電阻MR的阻值會突然變小,使電壓不能超過保護電壓值,當過壓時間較長時,則會燒斷保險絲RD。
[page]
3.過零檢測電路
過零檢測電路由晶體管T14,變壓器B和二極管D17~D19組成。D17起隔離作用,在電壓為零時,脈動電壓為零,T14截止。由于T14的集電極電阻接到T10的集電極,只有在T10導通,即電源電壓正常,T14才能在電源電壓過零時輸出高電平。Z86C09的P3.1端檢測過零信號。
4.鍵盤和顯示電路
鍵盤由K1~K6組成,其中K3、K4是檢測開關,按鍵狀態的檢測采用掃描方法,由單片機的P3.4~P3.6輸出掃描信號,使晶體管T1~T3輪流導通,T1~T3輸出的高電平通過二極管D1~D6后掃描每個鍵。6個鍵分為兩組,按鍵信號由P3.2和P3.3輸入。P3.2和P3.3常態為低電平,當按下某一鍵,并且高電平掃描到這個鍵時,P3.2或P3.3輸入才變為高電平。Z86C09檢測到這個高電平,再根據當前掃描到哪一位,即可判別出哪個鍵按下,D1~D6的作用是防止多個鍵同時按下時,對三條掃描線產生的短路。
顯示電路由LED1~LED7組成。顯示方式采用動態掃描方式,列掃帚信號線與行掃帚線共用,行顯示信號直接由Z86C09的P2.4~P2.6驅動。由于LED要求的亮度不,所以驅動電流不大,約9mA。每個LED顯示的時間是總的顯示時間的1/3,平均電流約為3mA。
5.雙向晶閘管觸發電路
雙向晶閘管采用直流觸發,晶閘管的門極由晶體管T5~T8控制,晶體管導通時,觸發雙向晶閘管導通,第Ⅱ~Ⅲ象限觸發,T5~T8的集電極電阻用于限流。由于1A和3A的雙向晶閘管所需要的觸發電流較小,容易受外界的干擾。為了提高系統的抗干擾能力,在1A和3A的雙向晶閘管觸發回路中各并聯一個0.01uF的電容,抑制瞬時的干擾信號。兩個8A的雙向晶閘管用于控制電機MO正轉和反轉。這兩個晶閘管在任何時候最多只允許一個導通,如果兩個同時導通,則會損壞晶閘管。兩個8A雙向晶閘管的兩個主電極上并聯一個100Ω的電阻和0.01uF的電容組成阻容回路,用來吸收雙向晶閘管兩主電極之間的瞬時電壓脈沖,保護雙向晶閘管。
附:文中的單片機也可采用AT89S51等來構成。




