中心議題:
- 工程師如何解決控制IC驅動電流不足的問題
- 利用幾個部件就可以構建一款獨立驅動器
- 具有同步整流器的電源可使用變壓器的繞組電壓來驅動柵極
解決方案:
- 簡單的緩沖器可驅動2Amps以上的電流
- FMMT618的更高電流驅動器可增強驅動能力
在電源設計中,工程師通常會面臨控制IC驅動電流不足的問題,或者面臨由于柵極驅動損耗導致控制IC功耗過大的問題。為緩解這一問題,工程師通常會采用外部驅動器。半導體廠商(包括TI在內)擁有現成的MOSFET集成電路驅動器解決方案,但這通常不是成本最低的解決方案。通常會選擇價值幾美分的分立器件。

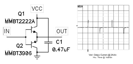
圖1 簡單的緩沖器可驅動2Amps以上的電流。
圖1中的示意圖顯示了一個NPN/PNP發射跟隨器對,其可用于緩沖控制IC的輸出。這可能會增加控制器的驅動能力并將驅動損耗轉移至外部組件。許多人都認為該特殊電路無法提供足夠的驅動電流。
如圖2 hfe曲線所示,通常廠商都不會為這些低電流器件提供高于0.5A的電流。但是,該電路可提供大大高于0.5A的電流驅動,如圖1中的波形所示。就該波形而言,緩沖器由一個50Ω源驅動,負載為一個與1Ω電阻串聯的0.01 uF電容。該線跡顯示了1Ω電阻兩端的電壓,因此每段接線柱上的電流為2A.該數字還顯示MMBT2222A可以提供大約3A的電流,MMBT3906吸收2A的電流。
事實上,晶體管將與其組件進行配對(MMBT3904用于3906,MMBT2907用于2222)。這兩個不同的配對僅用于比較。這些器件還具有更高的電流和更高的hfe, 如FMMT618/718對,其在6A電流時具有100 的hfe(請參見圖2)。與集成驅動器不同,分立器件是更低成本的解決方案,且有更高的散熱和電流性能。

圖2 諸如FMMT618的更高電流驅動器可增強驅動能力(最高:MMBT3904/最低:FMMT618)。
[page]
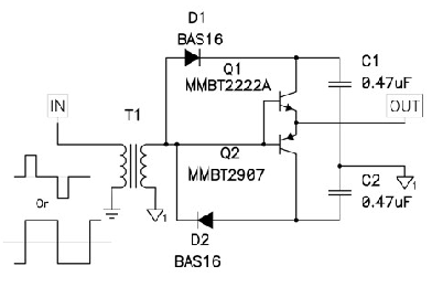
圖3顯示了一款可使您跨越隔離邊界的簡單緩沖器變量情況。一個信號電平變壓器由一個對稱雙極驅動信號來驅動。變壓器次級繞組用于生成緩沖器電力并為緩沖器提供輸入信號。二極管D1和D2對來自變壓器的電壓進行調整,而晶體管Q1和Q2則用于緩沖變壓器輸出阻抗以提供大電流脈沖,從而對連接輸出端的FET進行充電和放電。該電路效率極高且具有50%的占空比輸入(請參見圖3中較低的驅動信號),因為其將驅動FET柵極為負并可提供快速開關,從而最小化開關損耗。這非常適用于相移全橋接轉換器。
如果您打算使用一個小于50%的上方驅動波形(請參見圖3),那么就要使用緩沖變壓器。這樣做有助于避免由于轉換振鈴引起的任意開啟EFT.一次低電平到零的轉換可能會引起漏電感和次級電容,從而引發振鈴并在變壓器外部產生一個正電壓。

圖3 利用幾個部件您就可以構建一款獨立驅動器
總之,分立器件可以幫助您節約成本。價值大約0.04美元的分立器件可以將驅動器IC成本降低10倍。分立驅動器可提供超過2A的電流并且可以使您從控制IC中獲得電力。此外,該器件還可去除控制IC中的高開關電流,從而提高穩壓和噪聲性能。
我們來了解一下自驅動同整流器并探討何時需要分立驅動器來保護同步整流器柵極免受過高電壓帶來的損壞。理想情況下,您可以利用電源變壓器直接驅動同步整流器,但是由于寬泛的輸入電壓變量,變壓器電壓會變得很高以至于可能會損壞同步整流器。
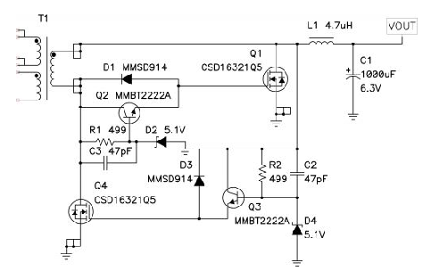
圖 4 顯示的是用于控制同步反向拓撲中 Q2 傳導的分立器件。該電路可以讓您控制開啟柵極電流并保護整流器柵極免受高反向電壓的損壞。該電路可以用變壓器輸出端的負電壓進行驅動。12V 輸入與 5V 輸出相比負電壓值很大,從而引起 Q1 傳導并短路電源 FET Q2 上的柵-源電壓,迅速將其關閉。由于基極電流流經 R2,因此在加速電容 C1 上就有了一個負電壓。在此期間,一次側 FET 將會發生傳導并在變壓器磁化電感中存儲能量。一次側 FET 關閉時,變壓器輸出電壓在正電壓范圍擺動。Q2 柵-源通過 D1 和 R1 被迅速前向偏置。C1 放電時,D2 對 Q1 基極-發射極連接進行保護。在一次側 FET 再次開啟之前,該電路會一直保持這種狀態。正如同步降壓轉換器那樣,輸出電流會真正地對輸出電容進行放電。開啟一次側 FET 會衰減變壓器二次側上的電壓并去除 Q2 的正驅動。這種轉換會導致明顯的貫通疊加一次側 FET 和 Q2 傳導次數。為了最小化該次數,當一次側和二次側 FET 均開啟時,Q1 將會盡快地短路同步整流器上的柵-源。

圖 4 Q1 快速關閉同步反向 FET Q2
圖 5 顯示的是用于控制同步正向轉換器中 Q1 和 Q4 傳導的分立驅動器。在此特殊的設計中,輸入電壓很寬泛。這就是說兩個 FET 的柵極可能會有超過其額定電壓的情況,因此就需要一個鉗位電路。當變壓器輸出電壓為負數,該電路就會開啟 Q4.二極管 D2 和 D4 將正驅動電壓限制在 4.5V 左右。D1 和D3 將 FET 關閉, 該 FET 由變壓器和電感中的電流進行驅動。Q1 和 Q4 將反向柵極電壓鉗位到接地。在此設計中,FET 具有相當小柵極電感,因此轉換非常迅速。較大的 FET 可能需要實施一個 PNP 晶體管對變壓器繞組進行柵極電容去耦并提升開關速度。為柵極驅動轉換器 Q2 和 Q3 選擇合適的封裝至關重要,因為這些封裝會消耗轉換器中大量的電能(這是因為在 FET 柵極電容放電期間這些封裝會起到線性穩壓器的作用)。此外,由于更高的輸出電壓,R1 和 R2 中的功耗可能也會很高。[page]

圖 5 D2 和 D4 限制了該同步正向驅動器中正柵極電壓
總之,許多具有同步整流器的電源都可以使用變壓器的繞組電壓來驅動同步整流器的柵極。寬范圍輸入或高輸出電壓需要調節電路來保護柵極。在圖 4 所示的同步反向結構中,我們向您介紹了如何在保持快速的開關轉換的同時控制同步整流器柵極上的反向電壓。與之相類似在圖 2 的同步正向結構中,我們向您介紹了如何限制同步整流器柵極上的正驅動電壓。




