- 金屬陶瓷氣體放電管
- 金屬陶瓷氣體放電管選型原則
- 金屬陶瓷氣體放電管電壓的選取
金屬陶瓷氣體放電管
GDT 金屬陶瓷氣體放電管它主要是由二個數個金屬電極,在電極之間有一定的間隙,在電極之間充有穩定的惰性氣體,并保持一定的壓力, 采用陶瓷而密封裝形成的保護器件, 叫陶瓷氣體放電管

• 它具有快速的響應速度,響應時間≤100nS,
• 它是一種開關型并聯于線路中旁路于浪涌電流一種防雷型保護器件
• 電壓規格從 70V~6000V,突波耐電流能力強從幾百安培到幾十甚至到好幾百千安培不等
• 封裝外形尺寸多樣化,Φ5.5*6、Φ5.0*7.2、Φ8*6、Φ8*8、Φ8*10、Φ11、Φ20、Φ25、Φ32、6.2*4.2、4.0*4.2、1812(4532)、1206 等不同規格的陶瓷氣體放電管
• 電容值低,一般只有幾皮法
• 無極性,安裝方便簡捷
• 絕緣阻抗高、不易老化,可靠性強
• 專用于高頻通迅信號線路進行防護,一般不能直接用在有源電路上進行防護
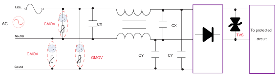
由于金屬陶瓷氣體放電管存在續流的問題而不能直接用在有源電路上進行保護,因而在有源產品上的防護必須要利用限壓型的保護器件(壓敏電阻或防雷型的HYPERFIX 等)配合使用。

金屬陶瓷氣體放電管廣泛應用消費通迅產品中保護半導體及敏感器件,以防IC免受瞬間過電壓的沖擊和而受損壞
• 通訊設備過壓抗雷擊保護:如 ADSL、MODEM、CATV、IC 卡電話機、以太網交換機、網卡、語音分離器、電話機、傳真機、RS485、RS232 端口、天線、移動基站、配線架、雙功器等。
• 由于放電管的脈沖擊穿電壓高,一般在選型設計的時候要做二極保護是比較安全可靠的。

君耀金屬陶瓷氣體放電管產品符合于RoHS WEEE 相應的條款并通過相應的檢測機構檢驗,滿足其相應的測試標準: IEC61000-4-5、GB9043、ITU K21、IEC61643-311、GR1089、UL 等標準
金屬陶瓷氣體放電管選型原則

DC spark-over voltage : 定義為以 100V/S 或1000V/S 的上升電壓所測試出來的擊穿電壓叫直流擊穿電壓,一般符合于標稱直流擊電壓的±20%范圍之間;
Impulse spark-over voltage :定義為以100V/uS 或1000V/uS 的上升電壓所測試出來的擊穿電壓叫脈沖擊穿電壓
Nominal impulse discharge current :定義為標稱脈沖放電電流是指放電管所能承受的8/20μs 雷擊電流。
AC discharge current : 指放電管所能承受的 50HZ 市電耐工頻交流電流能力
Insulation resistance :在放電管二端所施加一定電壓,而測試出來絕緣阻值
Capacitance :是指放電管二端的寄生電容值
金屬陶瓷氣體放電管電壓的選取
• DC spark-over voltage :直流擊穿電壓必須大于被保護電路的最大工作電壓由于陶瓷氣體放電管脈沖擊穿電壓高,一般在選型設計的時候要采用二級雷擊防護思想來進行考慮 , 以避免殘壓高而使被保護電路IC 受損.
金屬陶瓷氣體放電管通流量的選取
• 一般依據客戶產品防雷測試等級的要求進行選取,來決定所選放電管的通流量及相應的尺寸規格





