【導讀】十一長假期間,熱心網友做了個可以手持的mini GPS接收機,經過實際測量,精度可達5米以內,體積比打火機大不了多少,外觀精致又小巧便攜,看看這位技術牛人是怎么做的吧!
DIY GPS接收機工具:

MCU:STC89C52
顯示:諾基亞5110手機液晶屏
GPS:韓國棒子產的一種模塊,馬馬虎虎
零碎電子元件若干。

在googleearth里最下面一行可以看出,定位的經緯度坐標是一致的。


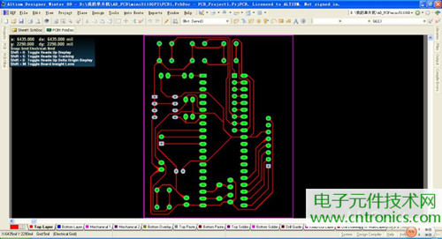
早就構思想做一個玩玩,于是寫程序,畫原理圖(AltiumDesignerwinter09)。

畫PCB,單面板,懶得去設置規則(rule),所以有綠色,手工做PCB不影響。

打印在熱轉印紙上,裁下一小塊,并切割差不多大一小塊覆銅板。

把熱轉印紙蓋在覆銅板上,準備熱轉印,這里用的是電熨斗,沒有熱塑機的理想替代方案。

大概燒熱至180°C,斷電,開始熱轉印過程,其實就跟熨衣服差不多。

冷卻,揭開熱轉印紙,得到碳粉覆蓋的覆銅板。

腐蝕,白色粉末狀腐蝕劑,具體化學成分沒有去深究,容器是泡方便面的飯盒,不會再用來盛飯了。

加水溶解,2分鐘后。

腐蝕完畢,溶液此時呈淡藍色,那是被腐蝕掉的銅單質被氧化為銅離子溶解在溶液里的顏色。

沖洗干凈打孔焊接元件。

反面,沒有洗板,要用香蕉水之類的有機溶液來洗白白,會很干凈,但是手頭沒有,罷了!有飛線,調試時不得已加的,液晶屏需要3.3V供電。不完美,才真實!

插上液晶屏看看。

來個合照。

燒寫程序,運行。

經緯度坐標部分被我PS掉了,實測精度在5米之內。

和打火機比比,其實沒多大。
相關閱讀:
DIY:自制紅外遙控開關【附電路圖】
http://www.shuilikongzhifa.com/power-art/80021584
小手電大改造!純手工刻板改造5號電池小手電
http://www.shuilikongzhifa.com/power-art/80021563
【DIY】電量救星!低成本自制移動電源
http://www.shuilikongzhifa.com/power-art/80021434





