【導讀】汽車CAN總線設計規范對于CAN節點的輸入電容有著嚴格的規定,每個節點不允許添加過多容性器件,否則節點組合到一起后,會導致總線波形畸變,通訊錯誤增加。那么如何準確測量CAN節點的電容含量呢?
汽車測試標準GMW3122中的輸入電容標準。具體如表 1所示。

GMW3122輸入電容標準
測試參數測試值條件
最小值典型值最大值
CANH對地電容40pF-150pF負載電阻大于5KΩ
CANL對地電容40pF-150pF負載電阻大于5KΩ
CANH對CANL電容0pF-90pF負載電阻大于5KΩ
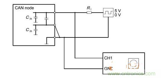
所以每個廠家在上車前,都要測試CAN節點DUT(被測設備)的CANH對地、CANL對地、CANH對CANL的輸入電容。方法一般是使用GMW3122汽車測試標準中的CAN方法。如圖所示。

圖 1 負載電容放電時間定義
t=0.721×(t2-t1)

圖 2 Cbusin和Cin測試原理(ECU輸出線從上往下為CANH、CANL、GND)
Cbusin1=t/Ri
Cin=t/2Ri

圖 3 Cdiff測試原理(CANnode輸出線從上往下為CANH、CANL、GND)
Cdiff= Cbusin2 - Cin
而這樣的測試方法,有著比較大的局限性,只能看一個波形的放電時間進行測量和計算,人工誤差較大,通過多次的統計,然后進行平均,非常消耗時間。另外由于電容屬于非線性器件,使用方波測量,無法有效排除直流分量。
所以廣州致遠電子股份有限公司改進了測試方法,使用CANScope-Pro總線分析儀與CANScope-StressZ擴展板組合后,發送測試波形為正弦波,測試精度要比方波要高。不會受到收發器內阻與線纜的影響,無需使用負載電阻。并且可以自動測量,減少了人工誤差和工作量。
[page]
1.測試Cin
如圖4所示,進行測試連接。注意要把終端電阻RHL設置為0Ω,即將CANH和CANL短路。

圖4 輸入電容測試1
如圖5所示,點擊阻抗測量中的開始,測試出的Cp就是Cbusin1,然后Cin=Cbusin1/2。

圖5 阻抗測量測試出Cbusin1
如果Cin在40~150pF,則Cin測試通過。
[page]
2.測試Cdiff
如圖 6所示,進行測試連接, 注意,要斷開RHL終端電阻,并且將RL使能,設置為0Ω后對Vdis-連接。

圖 6 輸入電容測試2
打開CANStress配置,將干擾源確定為內部。保證CANL對地短路。如圖 7所示。

如圖8所示,點擊阻抗測量中的開始,測試出的Cp就是Cbusin2,然后Cdiff= Cbusin2 - Cin。

圖 8 阻抗測量測試出Cbusin2
如果Cdiff在0~90pF,則Cin測試通過。
CANScope分析儀廣州致遠電子股份有限公司研發的一款綜合性的CAN總線開發與測試的專業工具,集海量存儲示波器、網絡分析儀、誤碼率分析儀、協議分析儀及可靠性測試工具于一身,并把各種儀器有機的整合和關聯;重新定義CAN總線的開發測試方法,可對CAN網絡通信正確性、可靠性、合理性進行多角度全方位的評估;幫助用戶快速定位故障節點,解決CAN總線應用的各種問題,是CAN總線開發測試的終極工具。




