【導讀】隨著電子工業的發展,電子元器件急劇增加,電子元器件的適用范圍也逐漸廣泛起來,在應用中我們常常要測定電容的大小。因此,一種簡單、實用的電容測試工具在實際中具有一定的實用價值。
一般元件參數的數字化測量是把被測參數轉換成頻率后再進行測量,本設計采用555為核心的振蕩電路,將被測電容值轉化為頻率,并利用AT89S51處理器測量出頻率,再通過該頻率值計算出電容參數值。
1.系統的原理框圖
系統主要采用了555定時器構成的RC振蕩電路和單片機技術。設計思路:被測電容C通過RC振蕩轉換成頻率信號f,送入單片機測頻,對該頻率進行運算處理求出被測電容的值,并送顯示器顯示。系統框圖如圖1所示,其主要由測量電路和控制電路兩部分組成。當接入被測電容后,由555定時器構成RC振蕩器產生方波信號,把此信號通過接口傳到AT89C51單片機I/O口上,對此方波信號進行測頻,通過軟件編程,計算出得到被測電容值,由LCD1602液晶顯示。

圖1.系統框圖
2.硬件設計
2.1 555振蕩電路的設計
由555芯片構成的多諧振蕩電路如圖2,CX為被測電容,接通電源后,CX被充電,A點電壓UA上升。當UA上升到時,觸發器被復位,同時555芯片內部放電三極管導通,此時U0為低電平。CX通過R2和放電三極管放電,使UA下降。當UA下降到時,觸發器又被置位,U0翻轉為高電平。CX放電所需的時間為:

由上式可知,當電路設計完成后,振蕩器輸出f隨CX的變化而改變。改變R1、R2的值即可改變系統量程。系統量程分為四檔:(1)R1+2R2=470KΩ時,測1.0nF-10.0nF的電容值。(2)R1+2R2=47KΩ時,測10.0nF~100.0nF的電容(3)R1+2R2=4.7KΩ時,測100.0nF~1000.0nF的電容。(4)R1+2R2=470Ω時,測1.0μF~10.0μF的電容。圖3為R1+2R2=470KΩ時,測量電容為2μF振蕩輸出輸出波形。

圖3.振蕩電路輸出的頻率信號
2.2 信號處理及顯示電路
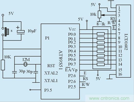
信號處理電路部分采用單片機AT89S51作為系統的主控制器。AT89S51單片機的最小系統由時鐘電路、復位電路、外加電源及單片機構成,其硬件電路如圖4所示。555振蕩電路輸出的是脈沖波,接到AT89S51處理器的輸入引腳P3.5,通過AT89S51內部定時/計時器T0、T1及相應的程序設計,構成一個數字式頻率測量系統,測出頻率后按(5)式運算處理后得到被測電容值。

圖4.單片機控制顯示模塊
顯示模塊LCD1602液晶第1、2腳接驅動電源;第三腳VL為液晶的對比度調節,通過在VCC和GND之間接一個10K多圈可調電阻,中間抽頭接VL,可實現液晶對比度的調節;液晶的控制線RS、R/W、E分別接單片機的P2.5、P2.6、P2.7;D0~D7為LCD1602液晶模塊的8位雙向數據口,分別與STC89C52RC單片機的P1.0~P1.7相連,用于傳輸數據。接在單片機的P0口;BL+、BL-為液晶背光電源。
3.系統軟件設計

圖5.主程序流程圖
系統軟件環境以Keil4.0為仿真平臺,使用C語言編程編寫了運行程序;包括主程序模塊、顯示模塊和電容測試模塊。軟件設計主要包括三個方面:一是初始化系統;二是按鍵檢測;三是數據采集、數據處理并進行顯示。程序采用模塊化的結構,這樣便于調試和修改,易編程和易讀性好,也程序結構清楚。系統程序流程如圖6所示,首先對P3.5口脈沖信號頻率的測量,再通過(5)式算出所測的電容值,由LCD1602顯示出來。
4.系統的測試

表1.電容測試數據
5.結束語
設計的電容測試儀硬件采用555定時器作為信號采集模塊、AT89S51單片機作為信號處理器模塊,軟件采用Keil4.0為仿真平臺,使用C語言編程編寫了運行程序。其具有性能穩定、精度高、操作簡單、功耗低等優點。經測試表明:其可以測試1.0nF-10.0uF范圍的電容,誤差小于0.5%。誤差產生主要原因與電路元件參數、測試環境、測試方法等因素有關。




