【導讀】語音技術的快速發展,將智能音箱推送至人工智能最佳入口的高地,據Canalys數據顯示,2017年智能音箱出貨量突破了3000萬臺,2018年全球出貨量有望達到5630萬臺。而隨著智能音箱保有量的快速增長,有效帶動了智能插座產品的銷量,使其迅速搶占了家居智能化的初級入口。據悉,2017年智能插座出貨量超過1000萬只,2018年預計將達3000萬只。
其中,在各式智能插座產品中,價格低廉、體積小巧的單孔智能插座是當前市場上最為暢銷的產品:通過一個小小的智能插座,用戶可以對家電實現一些簡單的智能控制,如基于智能音箱的語音控制、APP遠程控制、定時開關等。

然而,普通的單孔智能插座功能單一,僅僅能實現設備開關,無法滿足用戶更多需求,通過增加一顆電能計量芯片,實現電量統計、智能監測等功能成為新潮流。

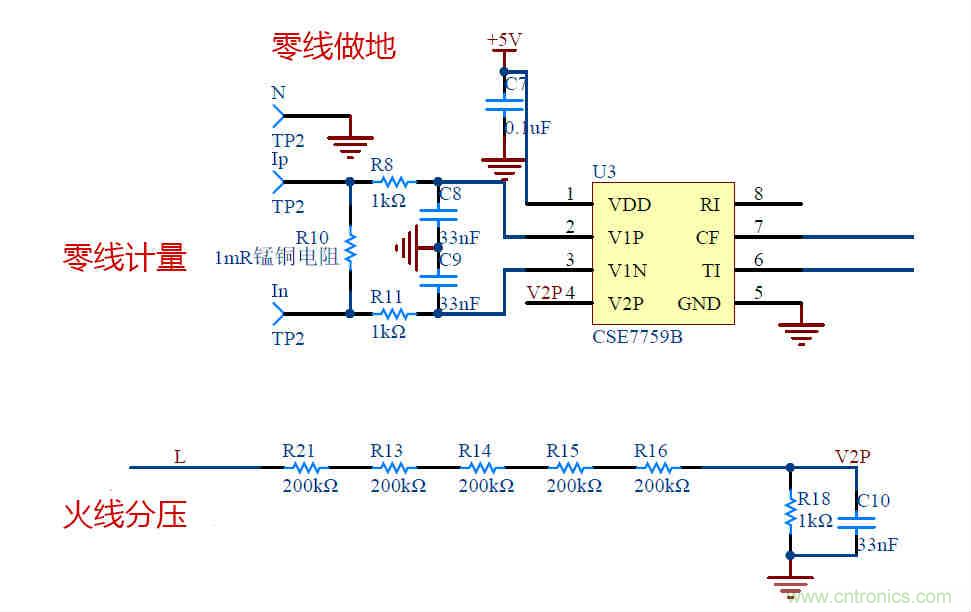
圖:智能計量插座電路原理圖
如上圖所示,單孔智能插座向可計量方向升級,需要增加一顆電能計量芯片CSE7759B(SOP-8封裝)、錳銅合金電阻(2512封裝)、5個分壓電阻(1608封裝)、6個濾波電阻/電容(0402封裝),這對體積小巧、空間緊湊的單孔插座而言,無疑增加了硬件設計與布局的難度。
應對市場需求,芯海科技推出了一款智能計量插座專用WIFI模組CSM84F12,特點如下:
1、集成計量功能,體積小
CSM84F12采用直插式封裝,除基本的WIFI功能外,還集成了芯海科技新一代的雙通道電能計量芯片CSE7761及必要的阻容器件。

在豐富功能的同時,CSM84F12與傳統WIFI模組相比,仍然保持了相同大小的體積,這大大降低了計量型智能插座的硬件設計難度。

2、兩通道計量
CSM84F12可以同時計量兩個通道,能分別檢測兩個通道的電壓、電流、功率、電量,這在多孔插座中非常有價值。

3、可恢復過載保護
當前,傳統的智能插座為了實現過載保護功能,一般會采用過載保護器或保險絲,但這兩種方案都有局限性。

芯海科技智能計量模組CSM84F12則集成了快速過載檢測功能,通過CSM84F12與普通保險絲組合,可以低成本為智能插座帶來可恢復的過載保護功能。

其工作原理如下:
以力特208系列保險絲為例,10A規格保險絲在電流12A時的熔斷時間為0.1秒左右。理論上,只要在0.1秒內把繼電器斷開,就可以保護保險絲不熔斷,實現可恢復的安全保護。

那為何傳統的電能計量芯片無法實現這項功能呢?我們不妨看一下傳統計量芯片的工作原理:

如上圖所示,由于延時太大,無法有效的保證保險絲不被熔斷。
而CSM84F12采用了芯海科技新一代計量芯片CSE7761,內部集成了硬件過載檢測模塊,直接在輸入端檢測電流的瞬時值,有效避免延遲,能快速發現過載并斷開繼電器,避免保險絲熔斷,從而實現可恢復過載保護的功能。
此外,CSM84F12還支持溫度檢測、漏電保護等功能,讓生活用電更加安全。

結語
芯海科技在電能計量領域擁有10年以上行業經驗,電能計量芯片出貨達1億顆,在安規、安全設計上有豐富的經驗。
面向物聯網領域,芯海科技提供集成電路(智慧IC)、無線芯片/模組、智慧算法、云平臺和APP等產品,并提供從軟硬件方案、測試指引、設備連接與控制,到產品運營的一站式解決方案,如智能插座解決方案。

推薦閱讀:





