【導讀】本文詳細敘述了實際使用時對IPM模塊的各種結溫的計算和測試方法,從直接紅外測試法,內埋熱敏測試,殼溫的測試方法,都進行詳細說明,以指導技術人員通過測量模塊自帶的Tntc的溫度估算或測試IPM變頻模塊的結溫,然后利用開發樣機測試結果對實際產品進行結溫估算標定,評估IPM模塊運行的可靠性。
引言
IPM模塊是電機驅動變頻器的最重要的功率器件, 近些年隨著IPM模塊的小型化使模塊Rth(j-c)變大,從而對溫升帶來了越來越多的挑戰;雖然芯片技術的進步會降低器件損耗,能一定程度緩解小型化的溫升問題,但不斷成熟的控制技術和成本控制也需要更有效的利用結溫評估結果進行靈活保護。在實際應用中,工程師最直接也是最常見的一個問題就是:我檢測到了IPM的NTC的溫度,那么里面IGBT&MOSFET真實的結溫是多少?本文詳細敘述了實際使用時對IPM模塊的各種結溫的計算和測試方法,從直接紅外測試法,內埋熱敏測試,殼溫的測試方法,都進行詳細說明,以指導技術人員通過測量模塊自帶的Tntc的溫度估算或測試IPM變頻模塊的結溫,然后利用開發樣機測試結果對實際產品進行結溫估算標定,評估IPM模塊運行的可靠性。
實際產品中IPM結溫評估的重要性和評估條件

很顯然在實際產品中,我們能檢測的溫度信息有Tntc,Ta,以及其他信息有系統功率(或相電流,母線電壓),散熱風速(影響熱阻)等,而在開發樣機階段除了Tntc,Ta,還能通過一定手段檢測Tc,IPM的耗散功率等,從而能根據實際功率,熱阻參數,Tc來估算Tj。
實際產品與開發樣機需要保證負載功率,IPM參數,系統熱阻模型都一致,才能通過開發測試樣機的定標測試結果來設定實際產品不同工況的保護限值,所以實際產品需要利用的定標參數包括:實際的負載信息,Ta,Tntc,散熱風速等。
IPM的熱阻模型
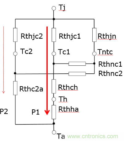
在準備評估結溫前,我們先復習一遍IPM的熱阻模型,如下圖以英飛凌自帶NTC的Mini系列IPM模塊散熱器安裝結構為例:


圖1.IPM的熱阻模型
如圖2,P1是IGBT晶圓到模塊底部和散熱器的散熱路徑,P2是IGBT晶圓到模塊上部的散熱路徑,由于Rthch+Rthha<<Rthc2a,所以P1為主要的功率耗散通道。同時我們要注意散熱風量會影響Rthha跟Rthc2a。

圖2.IPM的簡化熱阻模型
IPM的結溫計算
IPM的損耗是由IGBT的導通損耗和開關損耗組成,驅動芯片的損耗可以忽略不計,計算原理和分立IGBT的損耗計算是一樣的,英飛凌在相關文檔都有很詳細的論述。
這里只簡要提及計算過程,先利用規格書上圖3的I-V曲線找到不同電流條件下的Vcesat和Vf,通過跟實時電流的積分計算IGBT跟diode的導通損耗。然后利用雙脈沖測試平臺測試不同電流條件下的Eon,Eoff,Erec損耗, 再通過積分計算得到開關損耗。當然,因為規格書參數本身會存在范圍誤差,為了得到更準確地數值,實際操作時可能需要更準確的實測數據得到Ptotal。
得到Ptotal后,我們可以通過以下公式來計算單顆晶圓上的結溫Tj:
Tj=Tc+Ptotal*Rthj-c
Tj:IGBT的結溫
Tc:模塊晶圓正下方的表面溫度
Ptotal:IGBT開關和導通損耗
Rthj-c:IGBT芯片和到封裝表面之間的熱阻


圖3.IGBT和二極管的I-V曲線
對于英飛凌IPM產品來說,我們有一個更簡便的方法,如圖4可以利用仿真工具輸入實際使用的系統條件就可以直接算出對應IPM在指定條件下的損耗和結溫。

圖4.英飛凌IPM仿真工具
結溫的檢測方法
通常我們能想到兩種最直接的辦法,一種紅外測溫儀直接檢測,一種是預埋熱電藕測試。
如圖5第一種方法是將模塊在最熱的晶圓處開口,露出晶圓并將其涂黑,用紅外測溫儀測量晶圓溫度。這種方法通常在工程研究上做參考評估用,實際產品測試時因空間結構所限往往并不可取。

圖5.紅外測溫儀測試結溫
第二種方法需要IPM廠家提供預埋熱電偶的樣品,在最熱晶圓處開孔至晶圓外露,預埋熱電藕于晶圓上方足夠近但又不接觸到晶圓的地方,樣機測試時可以通過數據采集儀讀取芯片溫度。
預埋熱電偶的測量方法建議通過測量IPM的直流非開關工作狀態來模擬等損耗條件的實際工作狀況;直接進行動態負載測試建議采用手持式測溫儀減小干擾,并對測量引線及設備的布放進行優化,實際操作時難度還是非常大的。
利用結殼熱阻法測量模塊結溫是比較常見并且有效的一種方法:先測試殼溫Tc,通過結殼熱阻Rthj-c,然后利用我們上述計算出來的Ptotal功耗來計算得到結溫(Tj=Tc+Ptotal*Rthj-c)。
Tc殼溫指的是最高結溫晶圓正對散熱器的殼的溫度,要測得此點溫度需要在散熱器鉆孔或者開槽布防熱電藕,如圖6的兩種開槽方式:

圖6.Tc測試熱電偶安裝的開槽方式
結溫標定
在實際的項目開發時,我們只需要在開發前期測試各種不同極限條件下的Tc和Tntc溫度,擬合出Ta 、Vs、Tntc、Vs、Tj的對應曲線關系。
實現利用開發樣機測試結果對實際產品進行結溫估算標定,必須滿足下面的條件:
二者的負載功率以及控制方法完全相同。
二者的系統熱阻參數必須相同,包括散熱器,散熱器與模塊接觸熱阻,散熱風扇的風量等。
二者的IPM必須相同。
實際產品的上述任何參數發生了改變,理論上都要通過樣機測試進行重新標定,圖7為例我們先標定散熱器尺寸和風速模型。


圖7.散熱器熱阻模型標定
然后需要實測散熱器的熱阻,下圖以風冷散熱器為例,取幾個典型的風速點,待熱平衡后,測量散熱器表面溫度和進風口溫度,并計算散熱器熱阻。

圖8.散熱器熱阻Vs風速曲線
在相同條件下,通過讀取Tntc的溫度值,同時考慮到風速對散熱器熱阻的影響,我們可以得到圖9的Tj 、VS、Tntc的擬合關系如下:

圖9.Tj VS Tntc在不同風速下的擬合曲線(綠色為最低風速,紅色為中等風速,藍色為最高風速)
同時結合系統負載,可以得到如圖10對應不同Ta條件下的受限于Tjmax的輸出功率值(或者負載相電流值),以及Po-limit(Io-limit)vs.Tntc的曲線。

圖10.Po-limit(Io-limit)vs. Tntc的曲線
結束語利用測試樣機的結溫估算結果,可以在批量生產的產品中針對估算得到的經驗數據,在不同Ta條件下,根據Tntc檢測結果的變化,來設定不同的功率限制值,從而控制Tj不要超過設定Tjmax值,保護IPM不會過熱而損壞。
功率達到限制值后的另外選擇:提高散熱風扇的風速,同時提升輸出功率限值到新風速下的新限值,后期我們就可以直接采用Tntc溫度來合理評估溫度保護何限頻(電機轉速頻率)點。
(來源:英飛凌,作者:王剛、田斌,工業功率控制事業部大中華區應用工程師)
免責聲明:本文為轉載文章,轉載此文目的在于傳遞更多信息,版權歸原作者所有。本文所用視頻、圖片、文字如涉及作品版權問題,請電話或者郵箱聯系小編進行侵刪。




