【導讀】隨著無線標準的發展,測量技術變得更加復雜,了解矢量信號解調的基本原理和方法變得越來越重要。憑借在數字信號處理、通信信號和矢量信號分析方面的扎實基礎,Keysight PathWave 89600矢量信號分析 (VSA) 軟件在系統設計和研發方面發揮著巨大的作用。
5大秘笈助力攻城獅們充分利用89600 VSA這一強大的測試分析工具完成準確的測量,獲得可靠、可重復的測試結果。

第一招 重視基礎參數設置與測試
頻率和功率等基礎測量可以使工程師在設計的初期階段及時發現重要的信號問題。時域和頻域測量可在進行數字解調和矢量分析模式之前快速檢查測量設置是否正確,包括:
● 功率vs.頻率
● 電壓和功率vs.時間
● 信道頻率響應
● 功率統計數據 (CCDF)
● 頻譜圖
……
優化測量需要考慮的三個關鍵點:
1. 信號的預期頻率范圍
2. 預期的輸入功率
3. 適當的觸發
【小貼士】使用PathWave 89600 VSA軟件的“動態幫助”功能搜索設置學習更多關于每個功能的作用。
第二招 選擇正確的測量類型
PathWave 89600 VSA 軟件提供完整的矢量分析模式,包括標準和非標準調制類型,如LTE-Advanced、5G NR、802.11ax、物聯網、UWB等標準定義的測量模式,也支持用戶自定義IQ測量,輕松管理諸如載波時鐘、同步、均衡和不同的匹配濾波器類型等參數,可以對用戶定義的具有任意星座形狀的調制信號進行分析和解調。

第三招 調整測量設置,確保提供最佳結果
RBW和Sample Rate是矢量信號分析的兩個重要設置參數。減小RBW在提高頻率分辨率、降低噪底的同時,會增加掃描時間。Sample Rate在計算EVM時至關重要。需要在數字解調模式下正確設置Sample Rate,從而鎖定信號實現正確解調。
第四招 了解發射和接收濾波器的影響
數字調制使用濾波器來限制帶寬以減少噪聲,同時最大限度地減少碼間干擾 (ISI)。選擇正確的濾波器系數可實現最佳的EVM測試結果。基帶濾波可以在發射端或接收端分別實現,也可以在發射和接收端同時進行。在這種情況下,濾波器的類型和帶寬系數必須在發射端和接收端之間實現匹配以避免碼間干擾(ISI)。

PathWave 89600 VSA 軟件包括多種常用的濾波器類型,也允許采用用戶自定義的濾波器。
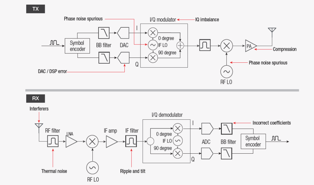
第五招 診斷和排除系統損傷的故障
系統中的組件可能會使理想的輸入信號失真,從而導致傳輸錯誤。

(系統設計中常見的損傷發生點)
利用Pathwave 89600 VSA軟件進行相應的測試,有助于快速確定系統問題所在。EVM就是一個很好的線索,從時域到頻域、星座圖以及信道頻響,可以對系統進行全面的診斷。而CCDF則是檢查放大器非線性行為的一種實用方法。
免責聲明:本文為轉載文章,轉載此文目的在于傳遞更多信息,版權歸原作者所有。本文所用視頻、圖片、文字如涉及作品版權問題,請聯系小編進行處理。
推薦閱讀:



