【導讀】生命體征監測已經超出醫療實踐的范圍,進入我們日常生活的多個領域。最初,生命體征監測是在嚴格的醫療監督下,在醫院和診所進行。微電子技術的進步降低了監控系統的成本,使這些技術在遠程醫療、運動、健身和健康、工作場所安全等領域更加普及和普遍,在越來越關注自動駕駛的汽車市場也是如此。
生命體征監測已經超出醫療實踐的范圍,進入我們日常生活的多個領域。最初,生命體征監測是在嚴格的醫療監督下,在醫院和診所進行。微電子技術的進步降低了監控系統的成本,使這些技術在遠程醫療、運動、健身和健康、工作場所安全等領域更加普及和普遍,在越來越關注自動駕駛的汽車市場也是如此。雖然實現了這些擴展,但是因為這些應用都與健康高度相關,所以仍然保持很高的質量標準。
生命體征監測包括測量一系列能顯示個人健康狀況的生理參數。心率是最常見的參數之一,可以通過心電圖來檢測,心電圖可以測量心跳的頻率,最重要的是,可以測量心跳的變化。心率變化往往由活動引起。在睡眠或休息時,節奏較慢,但往往會隨著身體活動、情緒反應、壓力或焦慮等因素而加快。本文將結合亞德諾半導體公司(ADI)的相關產品與技術提供基于光學測量的可穿戴生命體征監測方案。
光學體征信號監測成主流
為了監測心率、呼吸、血壓和溫度、皮膚電導率和身體成分等生命體征,需要采用各種傳感器,且解決方案必須緊湊、節能和可靠。生命體征監測包括:
?光學測量
?生物電勢測量
?阻抗測量
?使用MEMS傳感器進行的測量
光學測量超越了標準的半導體技術。為了進行這種類型的測量,需要一個光學測量工具箱。下圖所示為光學測量的典型信號鏈。需要使用光源(通常是LED)來生成光信號,它可能由不同的波長組成。幾種波長組合在一起,可以實現更高的測量精度。還需要使用一系列硅或鍺傳感器(如光電二極管)將光信號轉化為電信號。光電二極管在響應光源的波長時,必須具備足夠的靈敏度和線性度。之后,光電流必須被放大和轉換,因此需要高性能、節能、多通道模擬前端,以控制LED、放大和過濾模擬信號,并按照所需的分辨率和精度進行模數轉換。
生命體征檢測的光學測量信號鏈
基于ADPD144RI的耳塞式光學心率測量
體征信號的測量與測量方案很多時候決定于測量的位置,心率檢測會受到運動偽像的限制而難以進行,像手腕等常見測量位置因為肌肉質量相對較大,會限制與動脈的接觸。相比之下,耳朵更適合進行光學心率測量。然而,因為基于耳朵的測量設備受空間限制,并且功耗非常高,需要大電池。但隨著高集成度、更低功耗芯片的推出,ADI已開發出解決這些問題的解決方案。現在可以將有效運作的生命體征測量器件集成到典型的入耳式耳機中。響應度的改進開辟了全新的應用領域和可能性。
基礎測量方法是光學性的,ADI的測量方案使用來自最多三個LED的短脈沖信號。LED電流最高可達370 mA,最小脈沖寬度為1μs。LED的最佳波長根據測量位置和測量方法來選擇。手腕上只能測量表面動脈,故而選擇綠光,耳朵則不同,可以使用紅外光,從而獲得更大的穿透深度和更高的SNR。光電二極管用于測量反射光,因此,它會同時測量信號和背景噪聲。下游模擬前端提供更高的SNR。它用作信號濾波器,將檢測到的電流轉換為電壓,進而轉換為數字形式。除反射測量外,算法還包括用于通過加速度計濾除運動偽像的校正。
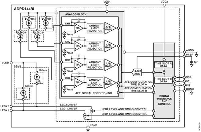
組成測量系統的器件包括ADPD144RI(芯片用作模擬前端),它還集成了光電二極管和LED。測量由三軸加速度計(ADXL362)提供支持,該三軸加速度計不僅用于識別步態和運動,還用于去除偽像。整個過程由ADuCM3029 微控制器控制,該微控制器用作各種傳感器的接口并包含算法。
為了對系統特性進行表征,針對不同的運動模式考慮了五種不同的場景:站著不動;站著不動并咀嚼;在辦公桌前工作;步行;跑步和跳躍。從測試案例中可以得出結論,在大多數情況下,心率可以利用耳塞中集成的傳感器非常精確地加以確定。與手腕測量相比,耳朵中的信號更強,因此測量精度可以達到更高水平。此外,使用紅光或紅外光可以測量血氧水平。
光電式脈搏波測量模擬前端ADPD1081
基于光電容積圖(PPG)技術的光學測量方法在穿戴市場的應用越來越廣泛。針對人體各項生理特征指標測量,如心率、血壓飽和度、血氧等,ADI推出了一系列光學測量傳感器,適用于人體的耳朵、手腕、指尖、額頭、腹部等多個測量部位。此系列產品均帶有體積小,功耗低,高信噪比SNR的特點,可為測量系統提供高質量的原始數據。以光電式脈搏波測量模擬前端ADPD1081為例,ADI公司提供一系列光電二極管和各種模擬前端,能夠處理從光電二極管接收到的信號并控制LED。
ADPD1081將LED、光電二極管和前端集成到一個器件中,也提供完整的光學系統。ADPD1081集成了14位模數轉換器和20位突發累加器的高效率光電式測量前端,配合靈活的發光LED驅動器工作,ADPD1081激勵LED并測量相應的光學返回信號。數據輸出和功能配置通過ADPD1081上的串行端口接口(SPI)進行。控制電路包括靈活的LED信號傳輸和同步檢測。
由于環境光通常引起調制干擾,模擬前端(AFE)可提供信號失調和破壞抑制性能,而無需濾光器或需要外部控制的直流抵消電路。通過電容低于100 pF的光電二極管耦合ADPD1081以實現優質性能,而且可用于任何LED。
當LED發光時,血液和組織會吸收不同數量的光子,導致光電檢測器檢測到不同的結果。光電檢測器測量血液脈動的變化并輸出一個電流,該電流隨后經放大和濾波以供進一步分析。 下圖顯示了一個由交流(AC)和直流(DC)分量組成的一般PPG信號。PPG波形的直流分量檢測組織、骨骼和肌肉反射的光信號,以及動脈和靜脈血液的平均血容量。交流分量則表示心動周期的收縮期和舒張期之間發生的血容量變化,交流分量的基頻取決于心率。
含交流和直流部分的典型PPG信號
此外,PPG信號易受周邊組織的不良血液灌流和運動偽像的影響是眾所周知的,為將這些因素的影響降至低點,以免干擾隨后的PPG分析和心率估計,須有一個預處理階段。需要一個帶通濾波器來消除PPG信號的高頻成分(如電源)和低頻成分(如毛細血管密度和靜脈血容量的變化、溫度變化等等)。
本文小結
隨著老齡化人口的增加以及對醫療保健整體支出的強烈關注,院外醫療監護已成為一種發展趨勢。如今,為了及早發現某些事件,對有潛在風險的患者進行日常生活監護,或者讓患者攜帶監護儀由醫院回到家中,可使其康復過程更快捷、更舒適。基于光學測量的可穿戴生命體征監測方案為人們的日常健康監護提供了便捷高效率的實施方案。
(來源:ADI)
免責聲明:本文為轉載文章,轉載此文目的在于傳遞更多信息,版權歸原作者所有。本文所用視頻、圖片、文字如涉及作品版權問題,請電話或者郵箱editor@52solution.com聯系小編進行侵刪。
推薦閱讀:



