【導讀】當你發現信號完整性不好時, 會不會是電源完整性帶來的問題?當你發現時鐘抖動很大時,會不會是電源質量不好?當你發現系統有誤碼時,會不會是電源的控制環路不穩定?電源完整性(PI)和信號完整性(SI)是相互影響的,信號質量不好,大概率電源不好,電源質量不好,信號質量肯定不好。
開關電源為什么要測控制環路響應
當你發現信號完整性不好時, 會不會是電源完整性帶來的問題?當你發現時鐘抖動很大時,會不會是電源質量不好?當你發現系統有誤碼時,會不會是電源的控制環路不穩定?電源完整性(PI)和信號完整性(SI)是相互影響的,信號質量不好,大概率電源不好,電源質量不好,信號質量肯定不好。
電源測試的三餐四季,人間煙火,不僅要測紋波噪聲,還要測環路響應,讓你的電源也有詩和遠方。
隨著電力電子技術的快速發展,電子設備與我們的工作、生活的關系日益密切,而電子設備都離不開可靠的電源,大部分電源和穩壓器是為指定電流范圍內保持穩定低噪聲的電壓輸出而設計的。
開關電源是利用現代電力電子技術,控制開關晶體管開通和關斷的時間比率,維持穩定輸出電壓的一種電源。
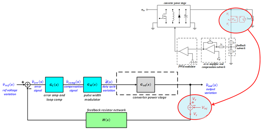
開關電源是一種高頻開關式的能量變換電子電路,經常作為設備的電源供應,為保證輸出對輸入的準確響應,負反饋技術被廣泛應用于電源穩壓器、穩壓器、電壓基準芯片、運算放大器以及其它電子電路中。就電源穩壓器來說,輸入為一個準確的電壓基準,負反饋的作用是通過取樣輸出電壓與輸入電壓基準比較,存在差異或不正確信號時,進行放大并修正輸出。當反饋環路穩定下來,輸出將收斂于準確的電壓值。當反饋環路處于非穩態時,那么輸出結果將偏離或持續振蕩。
理想的電源響應快,保持恒定輸出,而又沒有過多的振鈴或振蕩。控制環路測量有助于表征電源怎樣對輸出負載條件變化作出響應。控制環路穩定性不好會影響輸出噪聲、電源抑制比以及負載階躍響應的性能等。這些性能不好將導致更多的系統性能變差,例如:時鐘抖動變大、信噪比降低、信號完整性不好、系統誤碼率增加等。
負反饋環路的好壞直接影響電源平穩輸出的能力,因此開關電源環路響應測試非常重要,大多數工程師都是基于其產品輸出性能指標來反推環路特性,因此無法得到實際的環路增益曲線做針對性的電路整改,也無法判斷相位裕度是否合適,最終導致無法保證設計產品的可靠性和穩定性。因此,要關注控制環路穩定性,必須要對開關電源的控制環路響應進行測試和驗證。
開關電源的環路響應測試如此重要,今天我們聊聊如何利用高精度實時示波器進行電源控制環路響應測試。
開關電源負反饋系統
在電源設計中,控制環路測量有助于表征電源對輸出負載條件變化、輸入電壓變化、溫度變化等怎樣作出響應。理想的電源響應快,保持恒定輸出,而又不會有過多的振鈴或振蕩。這通常通過控制電源和負載之間元器件(一般是MOSFET)的快速開關來實現。不穩定的電源或穩壓器可能會振蕩,導致控制環路帶寬上出現非常大的明顯紋波,這種振蕩還可能會導致EMI 問題。
上圖是電源的環路響應測試的等效框圖,其中A(jω)為負反饋系統中的輸入,R(jω)為負反饋系統的輸出,D(jω)為反饋量,E(jω)為誤差信號;通過簡單的數學運算,可計算出輸出與輸入之間的關系:
我們把上面的公式為閉環響應Closed-loop Response),稱T(jω)=P(jω)Q(jω)為開環響應(Open-loop Response),簡稱環路響應(Loop Response),表明的是信號在環路中繞行一周的效果。
我們想要負反饋系統一直保持其負反饋的特性,從而得到我們所需的輸出,可是負反饋系統并不總是能保持負反饋的特性。系統在所需范圍內保持負反饋的特性的能力稱為穩定性。系統不穩定的數學條件為:
T(jω)=P(jω)Q(jω)=-1
上面的數學條件對于工程來說,太嚴格,并且在實際電路中,P和Q都受環境等影響而變化,因此引入裕度(Margin)的概念。
相位裕度(Phase Margin):增益為1,即0dB的時候,相位不能等于-180°。此時離-180°的距離即為相位裕度,即180°+∠P(jω)Q(jω)@ |P(jω)Q(jω)|=1。
增益裕度(Gain Margin):相位為-180°時,增益不能為1(0dB)。此時離增益為1的距離即為增益裕度,即-20lg|P(jω)Q(jω)|@ ∠P(jω)Q(jω)=-180°。
使用開環響應來評價閉環系統的穩定性,通常利用伯德圖表示,簡單直觀,易于工程操作,廣受歡迎。
電源環路穩定性的指標
何評定開關電源環路響應穩定的指標?開環特性是一個重要的參數,表征負反饋系的穩定性,一般利用相位裕度(Phase Margin)和增益裕度(Gain Margin)來評定。下面來看看相位裕度、增益裕度、穿越頻率 (Crossover Frequency)的定義。
(1) 相位裕度:增益降到 0dB時,此時離-180°的距離即為相位裕度,即增益Gain=0dB時,相位裕度=φ-(-180°)。
(2) 增益裕度:增益曲線在相頻曲線達到-180°的頻率處對應的增益,即φ=-180°時,增益裕度=0-增益Gain(dB)。
(3) 穿越頻率:增益為 0dB時所對應的頻率值。
為了減小測量誤差,實測一般選取5Ω-10Ω的電阻;干擾信號的大小一般要求其幅度不能超過輸出電壓的5%,否則測出來的結果是不準確的。
工程中一般認為在室溫和標準輸入、正常負載條件下,開環回路增益為 0dB(無增益 )的情況下環路的相位裕量要求大于 45°,以確保系統在各種誤差和參數變化情況下的穩定性。當負載特性、輸入電壓變化較大時,需考慮在所有負載狀況下以及輸入電壓范圍內的環路相位裕量應大于 30°。穿越頻率,又稱為頻帶寬度,頻帶寬度的大小可以反映控制環路響應的快慢。一般認為帶寬越寬,其對負載動態響應的抑制能力就越好,過沖、欠沖越小,恢復時間也就越快,系統從而可以更穩定。但是由于受到右半平面零點的影響,以及原材料、運放的帶寬不可能無窮大等綜合因素的限制,電源的帶寬也不能無限制提高,一般取開關頻率的1/20至1/6。增益裕量表示控制系統保持穩定條件下所能承受的最大增益擾動。
環路響應測試需要的設備
利用示波器進行電源的環路響應測試,首先需要一臺高精度實時示波器;其次需要信號源,可以內置在實時示波器的函數發生器,也可以外置的信號源;還需要兩根1:1或2:1的電壓探頭,最后需要Picotest的J2100A(1Hz–5MHz)或J2101A(10Hz–45MHz)1:1注入變壓器,通過這個變壓器把信號源的輸出信號耦合到被測電路中去。
環路響應測試中的信號注入
1) 如何完成信號注入
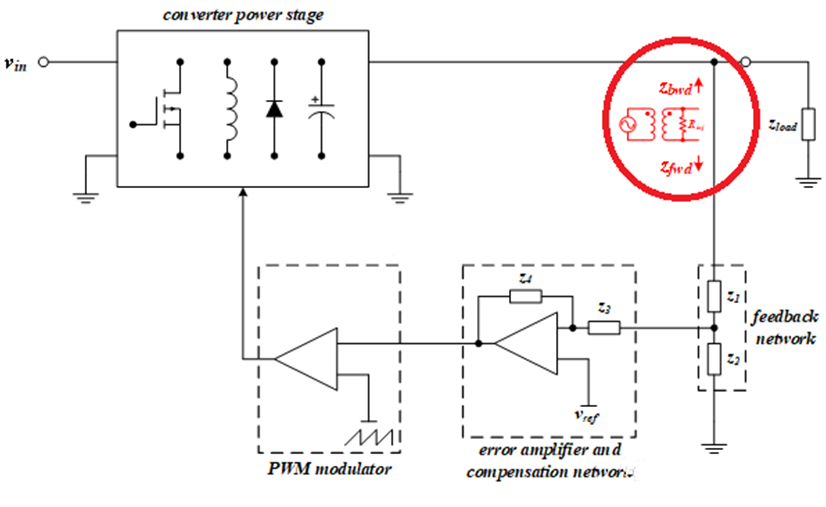
從上圖,直觀上講,這個時候應該環路響應為:V_y/V_x =-T(s),負號的產生來自負反饋,實際情況比這個直觀結果稍微復雜一些。等效電路基于一個簡單的事實:Vinj = Vy-Vx。
2) 信號注入位置的選擇
要完成環路響應測試,并不能在環路的任何位置都可以插入注入電阻,而是對注入位置有一定的要求,一般建議串入的電阻合適位置,見下圖紅色的部分。Vinj = Vy
3) 如何選擇注入電阻的大小
前面討論完注入位置,那么串聯到環路中的電阻阻值的大小為多少? 最關鍵的是,把電阻插入到環路中,不能影響環路的穩態值。實際上是要求一個小的注入電阻。一般分壓反饋電阻網絡的電阻值至少在k歐姆級別以上,因此小于20歐姆的電阻是合適的,一般建議插入5至20歐姆的電阻。
4) 如何選擇注入幅度大小
確定了注入電阻位置和大小之后,下一步我們就需要確定注入幅度的大小,當信號源設置的電壓 為VAFG,在注入電阻兩端的電壓 Vinj并不等于信號源的設置值 VAFG,Rinj是注入電阻,RAFG是信號源AFG的輸出阻抗,Vinj是注入電阻兩端的幅度,VAFG是信號源AFG的輸出幅度,由于隔離變壓器的匝數比為 1:1,注入幅度Vinj與AFG的輸出幅度VAFG之間的關系見下面的公式:
舉個例子:假設信號發生器AFG的幅度為250mV,AFG設置阻抗為50歐姆,那么AFG的戴維南等效電路為一個理想的電壓源500mV串聯一個50歐姆內阻,注入電阻為5歐姆,那么注入電壓大致為500mV*5/(50+5)=45.45mV。
注入幅度大小的限制:
a) 若沒有其它的要求,一般可以從電源輸出電壓的1/10~1/20開始,進行試探;
b) 不能破壞環路的小信號條件;
c) 若開關環路中存在閾值電路,則注入的電壓不能使得閾值電路的電壓低于閾值。
5) 注入不同幅度影響測試結果
注入不同幅度的大小影響測試結果,注入電壓太小,被淹沒在噪聲之中,低頻部分測不準,而在高頻段, 情況剛好相反,注入電壓太大,高頻部分測試會出現失真。因此,建議在低頻處施加大的注入電壓,在高頻處施加小的注入電壓,這樣測試更準確。
-V
環路響應測試連接圖
上圖是開關電源環路響應實際測試連接圖。下面是測試連接步驟,供參考。
Step1:把分壓電阻和輸出電壓斷開,串入一個5至20歐姆注入電阻;
Step2:把兩根1:1或2:1電壓探頭一端連接到示波器的兩個通道, 兩根探頭的另一端分別連接到注入電阻上端到地電壓和注入電阻下端到地電壓,注意接地;
注意事項:建議使用1:1或2:1無源電壓探頭才能更好地降低示波器底噪和電源開關噪聲的影響,提高測試精度。縮短探頭的地線長度對提高測試精度有很大的幫助。
Step3:把外部信號源AFG或示波器內置AFG輸出通過BNC電纜連接到Picotest 的1:1注入變壓器 J2100A,然后利用香蕉頭和夾子線連接到注入5歐姆電阻兩端,通過這個1:1注入變壓器將AFG輸出信號耦合到負反饋電路中去。
Step4:利用實時示波器環路響應測試軟件完成自動測試,可得到開關電源增益曲線和相位曲線,并自動計算出增益裕度和相位裕度以及穿越頻率。
Step5:實際測試中,通常利用電子負載進行拉載,分別全載、半載、空載幾種情況下進行測試。
免責聲明:本文為轉載文章,轉載此文目的在于傳遞更多信息,版權歸原作者所有。本文所用視頻、圖片、文字如涉及作品版權問題,請聯系小編進行處理。
推薦閱讀:




