【導讀】無刷直流電機在工業應用中較為廣泛,現如今,無刷直流電機也發展到醫療器械領域,獨領風騷。本文就無刷直流電機在手術電鋸中的應用為背景,詳細介紹了工作原理及相應的數學模型,下面大家一起來了解無刷直流電機在手術電鋸應用中是如何“大顯身手”的。
無刷直流電機在手術電鋸中的應用以醫療器械為應用背景,介紹了無刷直流電機的工作原理和數學模型;給出了基于MC56F8013 數字信號處理器(DSP)的調速控制器的硬件結構、控制策略、系統仿真、試驗結果及軟件實現。對控制系統建 模和積分分離P I算法進行了詳細的分析。得到的調速控制器結構簡單、工作可靠。試驗結果表明,該控制器 調速效果良好,能滿足要求。

圖1:無刷電機及驅動電路的等效電路


圖2:控制器硬件結構圖


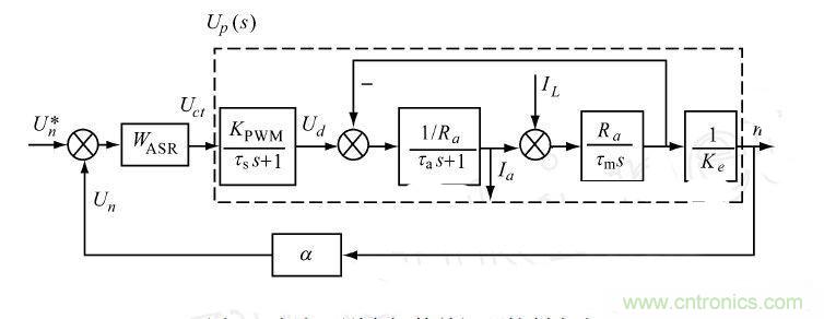
圖3:直流無刷電機的單閉環控制方案



