中心論題:
- 調光范圍
- 固定頻率降壓LED驅動器的調光
解決方案:
- 使能調光方案
- 串行調光方案
- 并行調光方案
隨著LED顯示屏的市場不斷增長,高對比度變成了一個時髦的詞。最近,業內一家電子制造商巨頭推出了具備動態LED背光控制的高清晰度70英寸LCD電視,其對比度高達500,000:1,耗電量卻減少了一半。該公司將如此高的對比度歸功于調光技術的采用。
對比度一般都被定義為系統可產生出的最亮色彩(白色)與最暗色彩(黑色)的發光度比率。可以通過控制進入的正向電流來調節LED的亮度級別,即模擬調光。LED的色彩可以隨著正向電流的變化而位移,因此對于一些可容忍色彩位移的低檔照明系統而言,模擬調光不失為一個合適的選擇。但是,對于基于LED的LCD顯示屏等的高端應用來說,為獲得想要的色彩一致性和各種亮度級別,就必須采用更復雜的調光技術。針對高端應用的LED驅動器一般都采用固定頻率工作模式與PWM調光機制。在PWM調光中,LED正向電流以減少的占空比在0%至100%間轉換,以進行亮度控制。然而,PWM調光信號的頻率必須大于100Hz,以免出現閃爍或抖動。為盡量降低可聽到噪聲和輻射,高端照明系統的調光頻率范圍一般要求幾萬赫茲。可是,更高的調光頻率將大幅縮小驅動的調光范圍,反而降低系統的最大亮度。本文將探討在固定頻率、時間延遲磁滯控制和固定導通時間的降壓式LED驅動器中,高頻PWM調光技術的性能表現,并通過測試數據來衡量不同配置下的性能。
調光范圍
在PWM調光中,LED正向電流以受控的占空比(DDim)進行開/關(ON/OFF),以達到想要的亮度級別。DDim的動態范圍定義了PWM調光配置所能實現的最大亮度級別。如上所述,LED亮度與LED正向電流成比例,因此,在使用PWM調光配置時所得到的最高和最低LED電流平均值分別由式1和式2表示。
ILED_Max=DDim_Max×ILED (1)
ILED_Min=DDim_Min×ILED (2)
其中,ILED為LED電流,ILED_Max為LED電流的平均最高值,ILED_Min為LED電流的平均最低值,DDim_Max為最大調光占空比,DDim_Min為最小調光占空比。因此,最高和最低LED明亮的比率,又被看作PWM調光范圍,用式3表示。
調光范圍=DDim_Max/DDim_Min (3)
式3表示PWM調光范圍與最大、最小調光占空比之間的關系。對于給定的調光頻率FDim,DDim_Max表示最大占空比,即LED電流在下一個調光周期開始前,從所需的正向電流降低至零的時間;DDim_Min表示最小占空比,即LED電流由零升至所需的正向電流(IF)的時間。
可以采用多個不同的電路來實現正向LED電流的開/關切換

在使能調光方案中,LED電流的開/關是通過把開關穩壓器或者電源FET驅動器設置成使能(Enable)或失效(Disable)來實現的。使能調光的缺點是調光延遲較大(tD,tSU&tSD)。tD指需要啟動開關穩壓器電路所需的時間。如果利用調光信號去開/關電源FET驅動器,而不是去開關穩壓器,則可以消除這種延遲。tSU和tSD指電感器電流上升至所需LED電流,并將電流下降到零電流所需的時間,這種延遲很大程度視乎LED驅動器的傳動特性。使能調光方案可以在低調光頻率下提供較大的調光范圍。但是,由于調光延遲比較大,如果增加調光頻率,會明顯降低調光范圍。
串行調光方案將一個開關與LED串聯在一起,這樣,LED電流從IF和零之間的切換將隨著串聯開關的導通(ON)和斷開(OFF)來執行。在這種配置中,當串行開關器導通時,峰值檢測器被用來確保電壓信號在反饋引腳(FB)處的連續性。串行調光沒有延遲時間tD和tSD,因此要優于使能調光。不過,這種方法的tSU較大,在高調光頻率下所能達至的調光范圍比較小。
并行調光方案把一個分流開關與LED并聯在一起。一旦將這個開關設置成OFF或ON,立刻會有電流IF流進或者流出LED。并行調光能明顯減少tD、tSU和tSD,因為它可長期維持連續的電感器電流,這個電流的平均值大約等于所需的LED正向電流。因此,這種調光配置適合那些在高調光頻率下要求寬調光范圍的應用。但是,并行調光必須配合開關穩理器拓樸來使用,因為只有這種布局才可提供連續的輸出電感器電流。此外,由于分流開關(shunt switch)的功率耗散,這種方式將降低整體系統的效率。下文將探討與固定頻率、磁滯和固定導通時間降壓式LED驅動器一起工作時,使能調光和并行調光方案的性能。
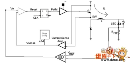
固定頻率降壓LED驅動器的調光
固定頻率電流模式降壓LED驅動器。驅動器可通過選用Enable_Dim控制或Shunt_Dim控制,配置成使能調光或并行調光。LED驅動器的典型使能調光波形,這些波形是用LM3045(1A的16MHz固定頻率LED驅動器)來產生的。




