【導讀】超聲系統中要求最苛刻的臨床診斷工具是連續波多普勒(CWD)接收器。對小尺寸、低成本的要求不得不犧牲CWD系統的靈敏度性能,通過分析當前使用的CWD接收器方案,設計人員開發出了新一代解決方案,該方案采用了已經投產的高集成度、低功耗雙極型放大器和CWD混頻器/波束成型芯片組。新方案能夠保證CWD接收機無需折衷診斷特性。
CWD基本概念
典型的相控陣CWD架構中,64至128個超聲傳感器在孔徑中心附近均分成兩部分,一半的傳感器單元用于發送器,聚焦超聲CWD發射波束,另一半用于接收器,聚焦接收波束。作用在發射單元的信號是方波信號,典型頻率為1.0MHz至7.5MHz多普勒頻率。將適當相位的信號作用到發射單元來聚焦發射波束。同樣,CWD接收信號通過對每個接收單元的信號進行相位調整、求和進行聚焦。
“波束成型”CWD接收信號由固態組織反射的強信號(通常稱其為雜波)以及流動的血液反射回來的較弱的多普勒信號組成。每個相控陣接收通道輸入端的典型雜波可能高達200mVP-P,而接收機參考輸入的噪底會低至1nV/。為了優化接收性能,需要每通道的SNR達到大約157dBc/Hz。
對于一個64通道的CWD接收機,其SNR的要求非常極端。每個接收通道的噪聲不相關,結果對于64個通道的噪底,波束成型后的信號噪底可能比單個通道的噪底高出18dB。然而每個通道的CWD是相關的,波束成型后的CWD信號會比單個通道的CWD信號高出36dB??紤]到“求和增益”的作用,波束成型后SNR的要求會比單個通道高出18dB,達到175dBc/Hz! 更加困難的是,感興趣的低速多普勒信號的頻率會在1kHz以內或低于雜波信號。由此可見超聲檢測設備面臨巨大的設計挑戰。
基于延時線的CWD波束成型
目前,超聲系統大多采用模擬延時線接收器實現CWD信號檢測(圖1),來自超聲接收單元的輸入信號經過緩沖、放大,LNA提供大約20dB的增益。LNA輸出被轉換成電流信號,隨后通過交叉開關和模擬延時線對RF頻率信號進行波束成型。

圖1. 基于CWD延時線的接收機簡化電路
這種架構很容易集成,因為它所需要的電壓-電流轉換器、模擬開關、無源延時線以及單路I/Q混頻器很容易集成。通過配置交叉開關求和,適當的延時線抽頭切換信號,達到每個接收器的延時要求。
波束成型后的RF CWD信號混頻后得到基帶I、Q音頻信號,這兩路信號經過帶通濾波后由高分辨率ADC進行數字轉換,用于數字頻譜分析。RF至基帶的混頻處理通常是接收鏈路保證SNR的瓶頸,這個處理過程對CWD的性能影響較大,以64通道設計為例,I/Q RF混頻器需要在處理波束成型信號時具有175dBc/Hz (1kHz頻偏)的動態范圍。
很難找到或設計能夠達到這一指標的混頻器,此外,本振驅動信號還必須保持極低的抖動。遺憾的是很難從市場上獲得能夠達到這樣指標的邏輯器件。雖然CWD延時線波束成型器能夠滿足結構緊湊的超聲系統的最低要求,上述性能的局限性也是亟待解決的問題。
基于混頻器的CWD波束成型
為了獲得更高性能,在CWD系統中引入一個CWD混頻器/波束成型器,簡化框圖如圖2所示。該架構中,每個通道都具有一個I/Q混頻器,在基帶端(而非RF端)進行波束成型求和;每路I/Q混頻器的LO相位可以調節在n (n = 8至16相)個相位的其中之一。LO相位的變化將改變接收信號的相位,達到波束成型的目的。

圖2. 低功耗雙極型LNA和CWD混頻器/波束成型電路能夠簡化高性能CWD接收機的設計
由于混頻器的實現基于每個通道,對每個通道混頻器的要求可以降低到157dBc/Hz (1kHz頻偏)。這一SNR指標雖然苛刻,但利用雙極型混頻器和標準邏輯器件可以實現?;祛l器輸出為電流,而且在聲波基帶進行無源求和,可以滿足CWD波束成型的SNR要求。
基于混頻器的CWD波束成型方案
過去,由于缺乏適當的集成工藝,很難實現高性能的CWD波束成型架構。但目前這一問題已經得到解決,對于功耗不敏感的應用無需降低CWD和成像質量,可以使用帶有可編程CWD混頻器/波束成型器的集成雙極型八通道VGA。圖3給出了接收鏈路的MAX2038 VGA原理圖。

圖3. 由MAX2038和MAX2034構成的超聲接收機的單通道簡化框圖。MAX2038集成了八路VGA和CWD I/Q混頻器/波束成型器,MAX2034集成了四路LNA。
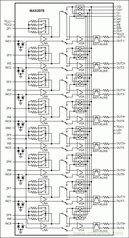
對于功耗和空間要求苛刻的高端應用,可以選擇圖4所示MAX2078新款、具有更高集成度、更低功耗的解決方案。該款完全集成的八通道接收器在單芯片雙極型IC中包含了:LNA、VGA、抗混疊濾波器以及完全可編程的CWD混頻器/波束成型器,這些器件使得各種超聲系統不再受早期延時線CWD架構的制約,能夠達到出色的CWD性能。

圖4. MAX2078超低功耗、八通道超聲接收器,帶有CWD波束成型器,器件內部集成了八個高性能、低功耗超聲接收通道,每個通道包括:LNA、VGA、抗混疊濾波器以及完全可編程的I/Q混頻器/波束成型器。
構建CWD接收器的另外一個潛在問題是LNA放大器的SNR指標,為了降低功耗、減小尺寸,許多超聲設計人員選擇了CMOS LNA,這樣的器件可能適合某些能夠控制CWD性能的應用。利用幾何尺寸低于0.35µm的CMOS工藝制作放大器時需要特別注意這個問題,在如此小尺寸的制造工藝中生產出的電路往往具有較大的1/f噪聲,1/f噪聲會引起LNA增益的低頻調制,這是一個極其負面的影響。
較強的RF CWD雜波通過這種LNA時將產生較大的低頻調制噪聲,從而降低SNR指標和CWD檢測靈敏度。因此,為了滿足高性能的應用需求,應選擇類似于MAX2034 4通道超聲LNA的低功耗雙極型放大器。
本文來源于Maxim。
推薦閱讀:





