中心論題:
- 根據歐洲光伏工業協會(EPIA)的數據預測,2010年太陽能發電量的增幅可達4倍
- 簡述太陽能供電系統的組成及發展方向
- 逆變器是光伏發電系統中的關鍵部件,DC/AC的轉換效率和電池充電的效率取決于逆變器的輸入電壓
- 提高最大輸出功率需要有效的算法及性能良好的控制器
解決方案:
- 尋找最大功率點的常用算法:最大功率點跟蹤(MPPT)算法和不同負載情況下的動態算法
- 用于逆變器的浮點數字信號控制器(DSC)—TMS320F2833x可以滿足若干實時處理的需要,有效執行精密的算法,從而提高DC/AC轉換的效率并實現電路保護的功能
太陽能和其它可再生能源將逐漸替代石油、煤炭等化石能源。據預測,到2050年各種一次性能源在世界能源消費構成中所占的比例將為:天然氣13%、煤20%、核能10%、水電5%、可再生能源(含太陽能、風能、生物質能等)50%。太陽能以其儲量的“無限性”、存在的普遍性、開發利用的清潔性、安全性以及逐漸顯露出的經濟性等優勢,將成為人類理想的替代能源。
根據歐洲光伏工業協會(EPIA)的數據顯示,2010年太陽能發電量的增幅可達4倍,達 5550 兆瓦。如圖1所示,為歐洲光伏工業協會對全球太陽能光伏發電量的預測。

圖1:歐洲光伏行業學會對全球太陽能光伏發電量的預測
在中國,據報道2010年以前太陽能電池多數是用于獨立光伏發電系統,從2011年到2020年,光伏發電市場主流將會由獨立發電系統轉向并網發電系統。未來15年內,中國將投資2000多億元,充分利用西部地區和沿海地區太陽日照時間長的優勢,興建太陽能供熱系統、太陽能光熱應用示范工程和大型太陽能光伏發電站,大力發展太陽能產業。預計到2015年,中國的光伏產量將達到1GWp,位居世界先進水平,2020年將達到35GWp。
因此,市場上有望出現并網太陽能發電系統的建設高潮,本文首先介紹太陽能供電系統的基本概念,并結合具體電路說明用于并網太陽能發電系統的逆變器智能控制技術,從而說明太陽能產業發展將給半導體行業帶來的新機遇。
太陽能供電系統:概念和發展方向
太陽能供電系統由太陽能電池組件、太陽能控制器、蓄電池(組)組成。如輸出電源為交流220V或110V,還需要配置逆變器。各部分的作用為:
1. 太陽能電池組件是太陽能供電系統中的核心部分,也是太陽能供電系統中價值最高的部分。其作用是將太陽的輻射能量轉換為電能,或送往蓄電池中存儲起來,或推動負載工作。太陽能電池組件的質量和成本將直接決定整個系統的質量和成本。
2. 太陽能控制器的作用是控制整個系統的工作狀態,并對蓄電池起到過充電保護、過放電保護的作用。在溫差較大的地方,合格的控制器還應具備溫度補償的功能。其他附加功能如光控開關、時控開關都應當是控制器的可選項。
3. 蓄電池:一般為鉛酸電池,小微型系統中,也可用鎳氫電池、鎳鎘電池或鋰電池。其作用是在有光照時將太陽能電池組件所供出的電能儲存起來,到需要的時候再釋放出來。
4. 逆變器:由于太陽能的直接輸出一般都是12VDC、24VDC、48VDC。為能向220VAC的電器提供電能,需要將太陽能供電系統所供出的直流電能轉換成交流電能,因此,需要使用DC-AC逆變器。
隨著全球能源需求的增長,大型和超大型并網光伏電站系統的建設已經在全球如火如荼地展開,它們發出的電能直接并入高壓輸電網絡,并可參與電力的輸送和調配,因此,是世界各國未來太陽能發電的重要發展方向。圖2所示為Navigant Consulting對未來幾年全球光伏市場發展趨勢的預測,其中可見,并網發電系統的增長最快。

圖2:未來幾年全球光伏市場發展趨勢的預測
在光伏發電系統中,除了防止蓄電池過充和過放、防反充電等的控制器之外。逆變器也是光伏發電系統中的另一個關鍵部件,光伏發電系統用的逆變器對可靠性和逆變效率有很高的要求,其中,如何提高逆變器的DC/AC轉換效率是業內面臨的關鍵挑戰之一。
光伏發電系統逆變器:半導體行業發展的新機遇

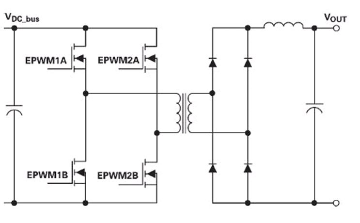
圖3:逆變器電路的基本方框圖
逆變器電路的基本框圖如圖3所示,首先,由DC/DC轉換(圖中沒有顯示DC/DC轉換和調整部分)提升或降低輸入的電壓,調節其輸出以實現最大的效率。在經過一些附加的電壓緩沖之后,左側電橋中的MOSFET通常由18-20KHz的開關頻率,把DC電壓轉換為AC電壓。一般來說,單相H橋是DC/AC級的常見配置,但是,也可以采用三相和其它配置。最后,低通濾波器平滑由開關切換產生的交變電壓,從而產生用于并網光伏發電系統的正弦交流電輸出。
一般來說,輸入直流電壓要比交流輸出電壓的電平要高,但是,由太陽能電池板提供的輸入源電壓通常沒有那么高,因此,系統可以在交流輸出一側采用變壓器提升電壓,或在DC/DC轉換級提升直流電壓。
在變壓器方案中,雖然它增加重量和逆變器的體積,并增加成本及造成轉換效率的降低,但是,通過隔離變壓器兩側的電路,它們提高了電路保護和人的安全性,防止直流電流到交流電一側,而交流電的漏電流也不會造成光伏電池板與地之間的潛在問題。
在不采用變壓器的系統中,為了防止負載切換時或者當外電路有嚴重擾動時燒毀MOSFET,在設計中要采用一種剩余電路保護器件(RCD)來監測各相的電流,如果電流超過某個數值,該器件就會觸發保護繼電器斷路,從而保護轉換和充電電路部分,使之免受電網上電壓浪涌的破壞。
此外,如果電力線受到破壞或被迫關閉,逆變器就要停止向用電設備或電網供電。如果電力線電壓偏低或欠壓、或出現巨大的擾動時,要采用一種用于“非孤島”逆變器的傳感器來感測這種情況。當出現這種情況時,逆變器將自動地關閉向電網供電,或把電力傳輸到其它地方,從而防止它成為電力發電的“孤島”。
正如DC/AC轉換的效率取決于輸入電壓一樣,電池充電的效率也取決于輸入電壓。光伏板由于受到季節、云層覆蓋及日照時間的影響,電池的充電狀態也會不斷地變化。
有時候,降低給電池的電壓而提高電流會提高總功率并加速充電;在另一些時候,可能有必要犧牲一些電流以實現更高的電壓,從而實現完全地充電。如圖4所示,對電池的最大輸出功率出現在電壓和電流積的峰值處。

圖4:當電壓和電流之積為峰值時,對電池的輸出功率為最大
最大功率點輸出跟蹤(MPPT)被設計為確定這個峰值并調節DC/DC電壓轉換,以最大化充電輸出。在冬季里,MPPT能夠把太陽能發電系統的效率提高1/3。確定MPP的一種方式就是在每一個MPPT周期中,由控制器調節PV板的工作電壓,并觀察其輸出電壓。
為了確定真正的MPP點,MPPT算法在足夠寬的范圍內振蕩,以避免因云層覆蓋或平靜的微風導致錯誤地選擇功率曲線上的局部峰值作為MPP點。但是,這種方法的不足之處在于:在每一個周期中,它都偏離MPP點振蕩,跟蹤的效率低下。
作為一種替代解決方案,人們提出了一種增量自感算法,通過定義一個峰值,然后,求解功率曲線的微分,從而得出MPP點。雖然這種方法沒有因寬范圍振蕩引起的低效率問題,但是,它存在把本地峰值誤設為MPP點的可能。
把上述兩種方法結合起來,既能夠在較寬的范圍內掃描,避免把局部峰值作為MPP點,同時,又能夠提高最大功率點輸出跟蹤的效率,但是,這就需要采用性能最強的控制器。
用于逆變器的數字信號控制器必須滿足若干實時處理的需要,以有效地執行精密的算法,從而提高DC/AC轉換的效率并實現電路保護的功能。例如,德州儀器(TI)不久前宣布推出業界首款浮點數字信號控制器(DSC)—TMS320F2833x,在世界環境日之際以創新技術推動工業應用的環保發展。新型 TMS320F2833x 能夠以150MHz頻率提供每秒3億次浮點運算(MFLOPS),同時還能降低定點處理器的相關成本。該浮點處理器可幫助工業控制設計人員簡化軟件開發,增強系統性能,提高節能效率,因此,能夠使太陽能逆變器提高太陽能板的能量轉換效率,改善變速交流(AC)驅動的功率與性能。
目前,全球領先的太陽能逆變器制造商大都采用TI的DSC,以最大功率點跟蹤(MPPT)算法以及不同負載情況下(如陰天、光照不強等)的動態算法調節來實現最大化系統峰值效率。
此外, 近來科學家研究發現,SiC器件具有優于GaAs和Si器件數倍的熱傳導率和電場擊穿電壓,因其效率高,性能好,制成的肖特基二極管成為了太陽能系統的理想解決方案,同樣值得關注。
總結
中國政府在《可再生能源長期規劃》提出,太陽能光伏發電裝機容量到2010年將發展到450MWp,而2005年全國太陽能發電裝機容量僅為6.5MWp,這就意味著中國太陽能裝機容量的復合增長率將會高達38%以上。了解目前太陽能光伏市場發展動態,把握太陽能光伏行業發展趨勢,對于半導體行業的發展是至關重要的。





